Seguidores del blog

domingo, 14 de enero de 2024

MODULO ELECTRONICA BASICA EN REFRIGERACION Y CLIMATIZACION

 

 






 

MODULO ELECTRONICA BASICA EN SISTEMAS DE REFRIGERACION Y CLIMATIZACION

 

  

    

 

 

ING ANTONIO FAVIO OSPINO MARTINEZ

 

FOXMANCOL@HOTMAIL.COM

 

CANAL YOUTUBE: ANTONIO OSPINO

 

 


 

 TABLA DE CONTENIDO DEL MODULO

  

1. PRINCIPIOS DE ELECTRONICA. 5

1.1. CONCEPTOS BASICOS. 5

1.1.1. ANODO.. 5

1.1.2. CATODO.. 5

1.2. ALGUNAS SIMBOLOGIAS DE DISPOSITIVOS ELECTRONICOS. 7

1.2.1. LA RESISTENCIA.. 9

1.2.2. RESISTENCIAS VARIABLES. 12

1.2.2.1. TERMISTOR PTC.. 12

1.2.2.2. TERMISTOR NTC.. 15

1.2.2.3. FOTORESISTOR O LDR.. 19

1.2.2.4. VARISTOR O VDR ( VOLTAJE DEPENDENT RESISTOR ) 21

1.2.2.5. FUSISTOR.. 26

1.2.3. CAPACITOR NO POLARIZADO.. 27

1.2.4. CAPACITOR POLARIZADO.. 30

1.2.5. CAPACITORES DE SEGURIDAD.. 35

1.2.6. ZUMBADOR PIEZOELECTRICO.. 39

1.2.7. DIODO ( PN ) 40

1.2.8. LED ( LIGHT EMISOR DIODE ) 44

1.2.8. DIODO ZENER.. 45

1.2.9. SCR.. 48

1.2.10. TRIAC.. 51

1.2.11. EL DIAC.. 53

1.2.12. PUENTE RECTIFICADOR O DE DIODOS. 55

1.2.13. RESISTENCIAS VARIABLES TIPO POTENCIÓMETRO O REOSTATOS. 57

1.2.14. TRIMMER. 61

1.2.15. TRANSFORMADOR DE POTENCIA.. 62

1.2.16. REGULADOR DE TENSION FIJO DE TRES TERMINALES. 65

1.2.17. REGULADOR DE TENSION VARIABLE.. 67

1.2.18. BLOQUE DE TERMINALES O REGLETA.. 68

1.2.19. EL FUSIBLE.. 69

1.2.20. EL DIPSWITCH.. 71

1.2.21. DISPLAY DE SIETE SEGMENTOS. 72

1.2.22. PULSADOR PARA CIRCUITOS IMPRESOS. 73

1.2.23. DISIPADOR DE CALOR.. 74

1.2.24. RELE ELECTROMAGNETICOS. 75

1.2.25. RELE DE ESTADO SOLIDO EN ELECTRONICA.. 77

1.2.26. PULSADORES EXTERNOS NC Y NO.. 77

1.2.27. BOBINAS O INDUCTORES. 78

1.2.28. CELDA FOTOVOLTAICA. 82

1.2.29. TRANSISTOR BIPOLAR.. 83

1.2.30. TRANSISTORES MOSFET.. 87

1.2.32. CONECTORES. 91

1.3. ALGUNOS CIRCUITOS INTEGRADOS COMUNES EN REFRIGERACION. 93

1.3.1. TEMPORIZADORES. 94

1.3.1.1. CIRCUITO INTEGRADO 555. 94

1.3.1.2. CIRCUITO INTEGRADO CD 4541. 97

1.3.1.4. CIRCUITO INTEGRADO LM 556. 99

1.3.2.  SENSORES DE TEMPERATURA. 99

1.3.2.1. CIRCUITO INTEGRADO LM 35. 99

1.3.2.2. CIRCUITO INTEGRADO LM 335Z. 100

1.3.3. OTROS CIRCUITOS INTEGRADOS ESPECIALES. 100

1.3.3.1. AMPLIFICADOR OPERACIONAL LM 358. 100

1.3.3.2. CONFIGURACION COMO SALIDA NO INVERSORA.. 101

1.3.3.3. CONFIGURACION COMO SALIDA INVERSORA.. 102

1.3.3.4. CIRCUITO INTEGRADO LM 324. 103

1.3.3.5. CIRCUITO INTEGRADO ULN 2003. 105

1.3.3.6. OPTOCOPLADORES. 107

1.4. ELECTRONICA DIGITAL. 109

1.4.1. COMPUERTAS LOGICAS. 110

1.4.1.1. COMPUERTA LOGICA AND O Y.. 110

1.4.1.2. COMPUERTA NOT O INVERSORA.. 110

1.4.1.3. COMPUERTA OR U O.. 111

1.4.1.4. COMPUERTA NOT AND O NAND.. 112

1.4.15. COMPUERTA NOT OR O NOR.. 113

1.4.1.6. COMPUERTA XOR.. 113

1.4.1.7. COMPUERTA NOT XOR, XNOR o Nor – Ex. 114

1.5. ALGUNOS CIRCUITOS INTEGRADOS CON COMPUERTAS. 115

1.5.1. CIRCUITO INTEGRADO 74LS08. 115

1.5.2. CIRCUITO INTEGRADO 74LS04. 116

1.5.33. CIRCUITO INTEGRADO 7486. 117

1.5.4. CIRCUITOS CON MEMORIA.. 117

1.6. TARJETAS ELECTRONICAS EN REFRIGERACION Y CLIMATIZACION. 119

1.6.1.  TARJETAS ELECTRONICAS CONVENCIONALES CON FUENTES LINEALES. 119

1.6.2.  TARJETAS ELECTRONICAS CONVENCIONALES CON FUENTES CONMUTADAS. 124

1.6.3.  PRUEBA DE FUENTE DE POTENCIA LINEAL. 129

1.6.4.  PRUEBA DE FUENTE DE POTENCIA CONMUTADAS. 143

1.6.5.  LA ONDA PWM Y SU USO EN EL CONTROL DE MOTORES DC , INVERSORES ONDA PURA Y VARIADORES DE FRECUENCIA. 152

1.6.6.  ESTRUCTURA DE LA TARJETA INVERTER BASICA PARA AIRES ACONDICIONADOS DOMESTICOS. 171

1.6.7.  ESTRUCTURA DE LA TARJETA INVERTER BASICA CON PFC PARA AIRES ACONDICIONADOS DOMESTICOS. 179

1.6.8.  PRUEBA DEL REACTOR Y DEL MODULO IPM. 186

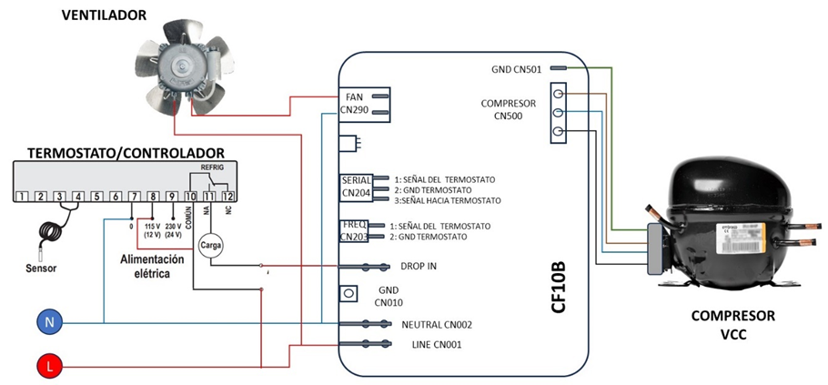
1.6.9.  GENERALIDADES DE LA TARJETA INVERTER PARA COMPRESORES VCC EN REFRIGERACION. 191

 

 

 


1. PRINCIPIOS DE ELECTRONICA

 

1.1. CONCEPTOS BASICOS

 

1.1.1. ANODO

 

Polo positivo de una pila eléctrica o fuente de tensión directa. También puede ser el punto por donde entra la corriente eléctrica a algún dispositivo.

 

1.1.2. CATODO

 Polo negativo de una pila eléctrica o fuente de tensión directa. También puede ser la toma punto por donde sale la corriente eléctrica de algún dispositivo.

 

 



NOTA: En circuitos de corriente continua, los cables de color negro van conectados a los cátodos y el color rojo a los ánodos.

 

Algunos elementos vienen en varios tipos de encapsulado o forma de presentación, entre los cuales los más comunes son:


  

1.2. ALGUNAS SIMBOLOGIAS DE DISPOSITIVOS ELECTRONICOS

 

Antes de iniciar la descripción de algunos elementos empleados en electrónica, veamos su simbología:

 


 

 



 

1.2.1. LA RESISTENCIA


 

Es un dispositivo que permite controlar la cantidad de corriente que circula a través de un circuito. Entre más alto sea el valor de la resistencia en ohmios ( W ) más se reducirá el paso de corriente. No importa en cuál sentido se conecte, o sea, que no tiene polaridad de conexión. Tenga en cuenta que también las resistencias consumen tensión de la fuente.

 


 


1.2.1.1. VALORES NORMALES Y TOLERANCIAS EN RESISTORES DE EMPLEO EN ELECTRONICA

 

Los fabricantes generalmente emplean un código de colores para identificar a sus componentes en cuanto al valor de sus resistencias y tolerancias.

 


NOTA: En caso de que la tercera banda se de los colores dorado o plateado, en vez de sumar ceros a los dos primeros dígitos, multiplicamos a los mismos por el valor correspondiente a cada color ( 0.1 o 0.01 )

 Para las tolerancias se encuentran los siguientes colores:

 

PLATA           è 10 %

ORO               è 5 %

MARRON      è 1 %

ROJO             è 2 %

VERDE          è 0.5 %

NINGUNO    è 20 %

 

NOTA: Las resistencias fijas en los impresos llevan una letra R , seguida con una numeración, ejemplo R202.

 


También se tienen resistencias para montaje o soldadura en superficie o SMD ( Mounted Surface Device ):

 


 


Ver videos:

 CONEXION, ANALISIS Y COMPORTAMIENTOS DE RESISTENCIAS EN SERIE Y PARALELOS EN CIRCUITOS DC




IDENTIFICACION DE  RESISTENCIAS FIJAS  EN ELECTRONICA



   

1.2.2. RESISTENCIAS VARIABLES

 

1.2.2.1. TERMISTOR PTC

 


Es un dispositivo que aumenta el valor de su resistencia a medida que se aumenta su temperatura.

 




Debido a este comportamiento se usa como sensor de temperatura o en sistemas de protección de fuentes. Como protección en fuentes de tensión detallaremos que:

 


 


Veamos este ejemplo en esta tarjeta:

 


Ver video:

 RESISTENCIAS ELECTRONICAS ESPECIALES EN EQUIPOS DE REFRIGERACION Y CLIMATIZACION


  

1.2.2.2. TERMISTOR NTC

 


Es un dispositivo en el cual disminuye el valor de su resistencia a medida que aumenta su temperatura. Se usa mucho en los sistemas de fuentes conmutadas como limitador de corriente en el arranque o energización de las mismas.




En lo relacionado con la operación en sistemas de protección fuentes de tarjetas:

 


 

 

NOTA: Los ntc en las tarjetas impresas levan las letras NTC seguidas de un número. Ejemplo NTC1


 

También se pueden usar como sensores de temperaturas:

 


Ver video:

 RESISTENCIAS ELECTRONICAS ESPECIALES EN EQUIPOS DE REFRIGERACION Y CLIMATIZACION


 

1.2.2.3. FOTORESISTOR O LDR

 


Es un dispositivo el cual disminuye el valor de su resistencia a medida que aumenta la luz que incide en el mismo o aumenta el valor de su resistencia cuando la luminosidad sobre él disminuye

 


 






Se usa mucho como sensor de luz, para encendido o apagado automático de luces de luces, alarmas, etc.

 


Ver video:

 RESISTENCIAS ELECTRONICAS ESPECIALES EN EQUIPOS DE REFRIGERACION Y CLIMATIZACION


 

1.2.2.4. VARISTOR O VDR ( VOLTAJE DEPENDENT RESISTOR )

 


Es un dispositivo cuya resistencia aumenta a cuando se disminuye la tensión aplicada en sus extremos y disminuye su resistencia cuando se incrementa la tensión aplicada en sus extremos. El más común es el de tipo MOW.

 



 

NOTA: Los varistores en las tarjetas impresas levan las letras VA seguidas de un numero. Ejemplo VA71.



Los varistores en los sistemas de tarjetas de refrigeración se usan como protectores contra sobretensiones en la entrada de potencia AC de las mismas. Pueden usarse como protección en paralelo con la carga, tal como se observa:

 




 Veamos ahora como opera un varistor:

 


Ante subidas de tensión de la fuente, el varistor reduce su resistencia y por tanto se incrementa la corriente que fluye por él

 


 


 

Esta alta corriente hace que el fusible se sacrifique protegiendo a la fuente:

 





Ver video:

 RESISTENCIAS ELECTRONICAS ESPECIALES EN EQUIPOS DE REFRIGERACION Y CLIMATIZACION


 

1.2.2.5. FUSISTOR

 

Es un dispositivo resistor de bajo resistencia, que cuando la corriente excede este valor, se quema haciendo la interrupción de la misma. Opera como un fusible temporizado.

 


 

Ver video:

 RESISTENCIAS ELECTRONICAS ESPECIALES EN EQUIPOS DE REFRIGERACION Y CLIMATIZACION


  

1.2.3. CAPACITOR NO POLARIZADO

 


Es un dispositivo que se utiliza para almacenar energía en forma temporal. Los capacitores se clasifican según su construcción. La capacidad de este tipo de capacitor se da en picofaradios, por lo general,  mas una clasificación de números, los dos primeros indican de la capacidad del capacitor y el tercer digito indica la cantidad de ceros que se le debe agregar a dicho digito, por ejemplo, 104: Indica que la capacidad es de 10 0000 picofaradios

 



 

Este tipo de capacitores se usan en fuentes para aplanar rizos o variaciones de tensiones muy leves.

1.2.3.1. CODIGO JAPONES DE IDENTIFICACION DE CAPACITORES:

 

El código japonés ( JIS ) establece unos códigos especiales para la identificación de condensadores:

  

 


 

 

Donde:

 

AB: Tensión máxima de operación.

CDE: Valor del capacitor en picofaradios.

F: Tolerancia.

 

TENSIÓN MAXIMO OPERACION

TOLERANCIA

 

COMBINACION

EQUIVALENCIA

LETRA

EQUIVALENCIA

 

1 H

50 V

F

1 %

 

2 A

100 V

G

2 %

 

2 T

150 V

H

3 %

 

2 D

200 V

J

5 %

 

2 E

250 V

K

10 %

 

2 G

400 V

M

20 %

 

2 J

630 V

 

 

 

La capacidad en picofaradios esta determinada por tres números ( CDE ), de la siguiente forma:

 

Letra C: Es el primer digito de la capacidad.

Letra D: Es el segundo dígito de la capacidad.

Letra E: Número de ceros que se agrega a los dos anteriores dígitos.

 


 

NOTA: Para expresar el valor de pico faradios en microfadios, divida el valor en picofaradios entre un millón.

Capacidad en µF = ( Capacidad en pF / 1000000 )

 

NOTA: Los capacitores no polarizados en los circuitos impresos, llevan una C, con una numeración. Ejemplo C101.

 


Ver video:

 APLICACIONES DE LOS CAPACITORES EN TARJETAS ELECTRONICAS DE REFRIGERACION Y CLIMATIZACION


  

1.2.4. CAPACITOR POLARIZADO

 


Es un capacitor de tipo polarizado, esto implica que se debe tener cuidado de conservar el sentido correcto de los polos al momento de ubicarlo en el circuito. Normalmente el lado negativo viene marcado con una franja que contiene una cadena de ceros o de signos menos. Su forma generalmente es cilíndrica, puede ser para montaje vertical o para montaje horizontal. El valor de su capacitancia y la tensión máxima soportada, viene escrito en el material que lo recubre.

 


En un circuito de corriente directa, el condensador en cuanto a corriente y tensiónes en el tiempo, se comportan de la siguiente forma:


 

Lo que indican las gráficas, es que la tensión en un capacitor con el tiempo se estabiliza, o sea, que este elemento es un regulador de tensión de un circuito, pero también la corriente que pasa a través de él tiende a cero, o sea, que se comporta con un circuito abierto. Generalmente en los circuitos de tipo electrónico, la tensión de los condensadores es el doble con respecto al de la fuente.

 Un capacitor en un circuito DC, al iniciar o energizar el mismo, se comporta como un switch cerrado, ya que su tensión es cero, permitiendo el paso normal de la corriente:

 


A medida que se va cargando, el capacitor gana tensión y la corriente que pasa por el circuito se va reduciendo hasta valores muy mínimos hasta quedar cargado por completo:

 


NOTA: Los capacitores polarizados en los circuitos impresos, llevan una C, con una numeración. Pero su simbología es diferente a la de los cerámicos, Ejemplo C102.

 


Ver videos:

APLICACIONES DE LOS CAPACITORES EN TARJETAS ELECTRONICAS DE REFRIGERACION Y CLIMATIZACION




COMPORTAMIENTO DE LOS CAPACITORES O CONDENSADORES ANTE TENSIONES Y CORRIENTES DC
 



 

1.2.5. CAPACITORES DE SEGURIDAD

 

Son capacitores especiales que soportan altas tensiones y no pueden cortocircuitarse porque son autoregenerables. Los capacitores autoregenerables son capacitores de papel, pero la armadura se realiza depositando aluminio sobre el papel. Ante una situación de sobrecarga que supere la rigidez dieléctrica del dieléctrico, el papel se rompe en algún punto, produciéndose un cortocircuito entre las armaduras, pero este corto provoca una alta densidad de corriente por las armaduras en la zona de la rotura. Esta corriente funde la fina capa de aluminio que rodea al cortocircuito, restableciendo el aislamiento entre las armaduras. Existen dos tipos o clase:

 

Los capacitores de tipo X son solo para uso en situaciones donde la falla de la fuente no presentaría un riesgo de descarga eléctrica, pero podría provocar un incendio. Se colocan entre línea y neutro o entre línea y línea.

 

Hay 4 subclases de este tipo de capacitores X, X1, X2 y X3.

 


OBS: En las tarjetas electrónicas se encuentran por la nomenclatura XC o CX y el número que la identifica en la tarjeta, como la que vemos a continuación:




Los capacitores de tipo Y están clasificados para su uso en situaciones en las que el fallo de la fuente presentaría un riesgo de descarga eléctricaLo que esto significa es que los capacitores de la clase Y están diseñados para simplemente no fallar en absoluto, o recuperarse automáticamente, lo que les permite recuperarse de un evento de arco eléctrico. Se conectan entre las líneas de potencias o vivas y la tierra o entre el neutro y la tierra, los requisitos para un condensador de clase Y son más estrictos y superiores a los de un condensador X.

Solo los capacitores de clase Y son suficientes para su uso en aplicaciones de "línea a tierra". Debido a las clasificaciones de seguridad más estrictas, es aceptable usar capacitores con clasificación Y en lugar de capacitores con clasificación X, pero no a la inversa. Los condensadores clasificados explícitamente para ambos no son infrecuentes, y no hay nada que impida que un condensador sea de ambas clases a la vez.

Hay 5 subclases de este tipo de capacitores Y, Y1, Y2, Y3 y Y4.



Existen también capacitores de seguridad que pueden operar como clase X o como clase Y, tal como se muestra:

 


OBS: En las tarjetas electrónicas se encuentran por la nomenclatura YC o CY y el número que la identifica en la tarjeta, como la que vemos a continuación:

 


Ambos capacitores se usan en circuitos de protección o filtros EMI/EMC, tal como se observa:



Entre sus ventajas están que pueden:

 

      Absorber las sobretensiones de la red.

      Evitar que un fallo de la fuente provoque daños en la red eléctrica y equipos que estén conectados a la misma.

      Evitar los ruidos e interferencias que se puedan transmitir de la red eléctrica a la fuente y los producidos por la fuente que se puedan transmitir a la red eléctrica.

 

Ver video:

 APLICACIONES DE LOS CAPACITORES EN TARJETAS ELECTRONICAS DE REFRIGERACION Y CLIMATIZACION


 

1.2.6. ZUMBADOR PIEZOELECTRICO

 


Es un dispositivo electrónico que emite un sonido audible cuando se aplica un voltaje directo ( DC ) entre sus terminales ( + o positivo al rojo y – al negro ); o sea, que el ánodo del zumbador va a el lado positivo o de mayor potencial de la batería y el cátodo del zumbador al lado negativo o de menor potencial de la misma. Un zumbador puede operar con una tensión alterna convirtiéndolo en una tensión directa mediante un diodo o rectificador. Generalmente su tensión de operación es de 12 V.

 


 

NOTA: Los zumbadores en las tarjetas impresas levan las letras BZ seguidas de un numero. Ejemplo BZ01

  


 

 

1.2.7. DIODO ( PN )

 

 

Es un dispositivo semiconductor de dos terminales, llamados ánodo y cátodo, que permite la circulación de corriente cuando se polariza en forma directa, o sea, cuando el ánodo del diodo se conecta al lado de mayor potencial de la batería y el cátodo del diodo al lado de menor potencial de la fuente de tensión. En el caso contrario ( ánodo negativo y cátodo positivo ), el dispositivo queda polarizado inversamente y no permite la circulación de corriente.

 


 


 



La característica tensión - corriente de un diodo se muestra en la grafica de al lado. Al aplicarse al diodo una tensión directa, tal como se ve en la figura, se produce una gran circulación de corriente. Cuando se aplica la tensión en la dirección inversa, éste limita el flujo de corriente a valores muy pequeños o casi nulos. Si se aplica al diodo una tensión inversa lo suficientemente grande, éste puede llegar a la ruptura y permitir el flujo de corriente en la dirección inversa. El máximo valor de tensión inverso de un diodo se conoce como TENSION DE PICO INVERSO ( PIV ).

 


 Cuando se mide su continuidad en un multímetro, éste mostrará la tensión entre las dos partes que conforman al diodo, la pantalla mostrará el valor de tensión entre en los mismos en el orden de los milivoltios. Este valor debe estar comprendido entre los 400 mV y 700 mV.

 

NOTA: Los diodos en las tarjetas impresas levan las letras D seguidas de un numero. Ejemplo D102.



Se usan mucho en sistemas de rectificación en fuentes de potencia:

 


 


 Ver video:

 GENERALIDADES DE LOS DIODOS PN Y SU USO EN TARJETAS ELECTRIONICAS DE REFRIGERACION O CLIMATIZACION


  

1.2.8. LED ( LIGHT EMISOR DIODE )


 

Es un dispositivo semiconductor de dos terminales llamados ANODO ( A ) y CATODO ( C ), que emite una luz visible cuando se polariza en forma directa, es decir, cuando el ánodo se conecta al lado de mayor potencial de la fuente de tensión y el cátodo al lado de menor potencial de la fuente de tensión. Si se conecta en forma inversa, el led no ilumina, se comporta como un diodo luminoso. La luz emitida por un led puede ser roja, amarilla, verde o azul dependiendo de la construcción interna. El ánodo del led, se conoce porque el pin es más largo que el del cátodo.


La corriente máxima que puede circular por un diodo led esta alrededor de los 400 mA, por esta razón se conecta en serie con resistencias de 220 ohmios en adelante.

 


1.2.8. DIODO ZENER

 


Es un diodo que bajo condiciones normales, o sea, polarizado correctamente, se comporta a manera o forma similar a un diodo convencional, pero cuando se polariza en forma inversa, tiene la propiedad de regular o limitar a un valor determinado la tensión que cae en sus terminales. Por eso, es empleado en fuentes de tensión o circuitos que requieran regular algún nivel de tensión. La tensión específica de cada diodo lo determina el fabricante, se puede conseguir desde 3 V, 6 V, 9 V 12 V, etc.

 


 

 


 


 El Zener tiene varias aplicaciones:

 


·         Como referencia de tensiones.

·         Protección de circuitos integrados

·         En fuentes reguladores de tensión

 

NOTA: Los diodos zener en las tarjetas impresas levan las letras ZD o D seguidas de un numero. Ejemplo ZD01.

 

Se usan en fuentes conmutadas y otras aplicaciones:

 


 

Ver video:

 GENERALIDADES DEL DIODO ZENER Y SU USO EN TARJETAS DE EQUIPOS DE REFRIGERACION Y CLIMATIZACION


 

1.2.9. SCR

 


También llamado tiristor de tres terminales. Es un dispositivo semiconductor de tres terminales, llamados COMPUERTA ( G ), ANODO ( A ) y CATODO ( C ), que se comporta como un interruptor controlado por tensión. Para cerrar un SCR, es decir, permitir la circulación de corriente entre el ánodo y el cátodo, debe aplicarse una tensión positiva entre la compuerta y el cátodo. El dispositivo se mantiene cerrado incluso después de retirar la tensión en la compuerta. Para abrirlo debe interrumpirse la corriente del ánodo o reducirse por debajo de cierto valor o aplicarse un pulso negativo a la compuerta Gate.

 

Lo que hace especial al SCR es que su tensión de ruptura directa puede ajustarse, mediante la corriente que fluye hacia dentro del terminal de compuerta o conectándolo a un polo positivo de una fuente. Mientras más grande sea la corriente de compuerta, menor será el valor de la tensión de ruptura directa.

 


 

Una vez en estado de conducción , el SCR mantendrá ese estado, hasta que la corriente ID caiga por debajo de IH , además la corriente de compuerta puede eliminarse sin afectar el estado de conducción del elemento. En resumen, un SCR:

 

·                     Conduce cuando su tensión VD excede VRD.

·                     Tiene una tensión de ruptura directo cuyo nivel se controla por la cantidad de corriente IG que entra en la compuerta del SCR.

·                     No conduce cuando su corriente ID cae por debajo de IH.

 

·                     Bloquea toda circulación de corriente en la dirección inversa hasta que el máximo valor de tensión inverso se exceda.

 


 El SCR es muy utilizado en circuitos de alarmas, donde es necesario mantener una corriente después que se halla estimulado el elemento sin importar si el estimulo desaparece en el tiempo. En cuanto a su operación:

 


 


 

 

1.2.10. TRIAC


Es un semiconductor de tres terminales, llamados MT1( A1 ) , MT2 ( A2 ), y GATE ( G ); trabaja como dos SCR conectados en antiparalelo, es decir, que puede conducirse en ambos sentidos, razón por la cual es empleado para manejar cargas de corriente alterna. Opera como un interruptor controlado por tensión, cuando recibe un impulso en el GATE permite circular corriente del terminal MT1 Al MT2 y de MT2 al MT1, permanece en ese estado aún después de retirar la señal de disparo. Para que deje de conducir debe interrumpir la corriente que circula entre dichos terminales.

 El triac puede conducir corriente en cualquier dirección una vez se exceda su tensión de ruptura directo. La tensión de ruptura directa en un triac, decrece al incrementar la corriente de compuerta, en la misma forma como sucede en el SCR, con la diferencia que el triac responde a impulso positivos y negativos en la compuerta. Así mismo, una vez en estado de conducción, permanece en ese estado, hasta que la corriente IG caiga por debajo de IH.

 El triac es un diac con compuerta gate ( G ). Se emplea en circuito de AC.


 

 Con relación a su operación:

 


 


 


 

1.2.11. EL DIAC

 


 Es un dispositivo semiconductor de dos terminales llamados MT1 y MT2. Actúa como un interruptor bidireccional, el cual se activa cuando la tensión entre sus terminales alcanza cierto valor llamado TENSION DE RUPTURA, dicha tensión puede estar entre 20 y 36 voltios según la referencia. Es muy empleado para disparar los SCR o TRIACS en circuitos de potencia. Se comporta como una válvula de alivio en sistemas hidráulicos o como un diodo bidireccional.

 

El diac conduce cuando la tensión aplicada en cualquier dirección exceda el tensión de ruptura. Una vez en conducción, permanece en ese estado hasta que la corriente ID caiga por debajo de IH.Es muy empleado en sistema AC.

 

Ver video:

 GENERALIDADES DE LOS DIACS EN CIRCUITOS ELECTRONICOS


  

1.2.12. PUENTE RECTIFICADOR O DE DIODOS

 



Es un dispositivo que contiene internamente 4 diodos conectados en la forma que se muestra en el diagrama. Se ha fabricado de esta forma debido al gran empleo que tiene en circuitos del puente rectificador.

Se especifica por la corriente que maneja, los hay de 500 mA, 1 Amp, hasta de 5 Amp.

 

Una forma de probar el buen estado de un puente rectificador esta en medir continuidad en todos sus puntos. No debe haber continuidad entre ninguno de sus puntos.

 

En las tarjetas electrónicas es fácil su identificación ya que en encuentra con las simbologías de sus entradas alternas y su salida directa, tal como se observa:

 


Al igual que los transformadores, se usa en los sistemas de rectificación de tensión y corriente AC a tensión y corriente de tipo DC, tal como se observa:

 


Su función es la de convertir la onda alterna en una onda directa pulsante:

 


 


 

1.2.13. RESISTENCIAS VARIABLES TIPO POTENCIÓMETRO O REOSTATOS

 


Es una especie de resistencia cuyo valor puede cambiar cuando se gira un eje mecánico. Es un dispositivo de tres terminales, entre los extremos tiene la resistencia máxima y entre el pin o terminal central se tiene una resistencia variable. Su referencia es la resistencia máxima que ofrece, se encuentra desde 1 KW, a 500 KW.

 


Generalmente estas resistencias variables accionadas por un dial o regulador de giro manual tienen tres pines o puntos de conexión en este caso se les identificará por las letras A, B y C.

 


Si se conectan solo los pines A y C del dispositivo, tendrá un valor de resistencia fija del mismo, no importa si gira el dial o no. El valor de la resistencia fija es el máximo del dispositivo.

 



Si conecta los pines A y B y gira el dial en sentido horario, el valor de resistencia varia de 0 al valor máximo.

 





Si se conectan los pines B y C y gira el dial en sentido horario, el valor de la resistencia varia del valor máximo a cero.

 




Entre las conexiones comunes pueden ir en serie con resistencias:

 





Estos accesorios se usan mucho en sistemas de control de velocidad de motores con variadores de frecuencia, tal como se observa:

 


Ver video:

 RESISTENCIAS DE ACCIONAMIENTO MECANICO


1.2.14. TRIMMER.

 


Es una resistencia variable de precisión, es por lo general, mas pequeño que el potenciómetro normal, trae un tornillo de ajuste y tres pines de conexión

  

La resistencia entre los pines A y C es constante y es el valor máximo de resistencia del trimmer. Ahora si gira el tornillo de ajuste tendrá los siguientes resultados:

 

GIRO HORARIO

RESISTENCIA ENTRE PINES A Y B DISMINUYE

RESISTENCIA ENTRE PINES B Y C  INCREMENTA

GIRO ANTIHORARIO

RESISTENCIA ENTRE PINES A Y B AUMENTA

RESISTENCIA ENTRE PINES B Y C  DISMINUYE

 

 

1.2.15. TRANSFORMADOR DE POTENCIA


 

Es un dispositivo que sirve para transferir energía eléctrica de un circuito a otro, empleando el principio de la inducción magnética. Esta conformado por dos bobinas, una de ellas se conecta al circuito de entrada y la otra al de salida; dichas bobinas están hechas de alambre de cobre esmaltado que se enrolla sobre un núcleo de material ferromagnético. Estos elementos sólo pueden trabajar con corriente alterna, se emplean para reducir o elevar la tensión según sea la necesidad.

  


Generalmente los cables de alta tensión son delgados y los de baja tensión más gruesos debido a que conducen mayor corriente.

 

Para la construcción de un transformador, hay varios métodos de cálculo, el más sencillo, parte de la potencia necesaria que requiere el transformador para suministra la potencia a una carga, por ejemplo si se requiere mover una carga de 500 watt, la potencia del transformador se calcula como:

 

Potencia transformador = Potencia carga * 1.2

 

El 0.2 de la fórmula es para hacerlo un 20% de capacidad mayor que la requerida.

 

Se calcula ahora el valor de la variable A que es:

 

A = (POTENCIA TRANSFORMADOR)

 

Se calcula ahora el número de vueltas por voltio que hay que hacer al alambre para construir el transformador mediante la fórmula:

 

NUM VUELTAS POR VOLTIO = A * 0.02112

 

Ahora dependiendo del volteje del devanado primario o secundario, el número de vueltas totales requerida por devanado es:

 

NUMERO VUELTAS TOTALES = ( TENSION DEVANADO / NUM VUELTAS POR VOLTIO )

 

Para calcular el calibre del alambre para construir los devanados, se parte de la ecuación de watt, para calcular la corriente que soporta cada devanado:

 

CORRIENTE DEVANADO =(  POTENCIA TRANSFORMADOR / VOLTAJE DEVANADO )

Con el valor de la corriente, nos vamos a la siguiente tabla para seleccionar el alambre para dicho devanado:

 

AWG

Diam. mm

Amperaje

 

AWG

Diam. mm

Amperaje

1

7.35

120

16

1.29

3,7

2

6.54

96

17

1.15

3,2

3

5.86

78

18

1.024

2,5

4

5.19

60

19

0.912

2,0

5

4.62

48

20

0.812

1,6

6

4.11

38

21

0.723

1,2

7

3.67

30

22

0.644

0,92

8

3.26

24

23

0.573

0,73

9

2.91

19

24

0.511

0,58

10

2.59

15

25

0.455

0,46

11

2.30

12

26

0.405

0,37

12

2.05

9,5

27

0.361

0,29

13

1.83

7,5

28

0.321

0,23

14

1.63

6,0

29

0.286

0,18

15

1.45

4,8

30

0.255

0,15

 

En los sistemas de refrigeración se usan en los sistemas de rectificación de tarjetas electrónicas para convertir tensión y corriente AC en tensión y corriente de tipo DC, tal como se observa:

 


 


1.2.16. REGULADOR DE TENSION FIJO DE TRES TERMINALES

 


Es un circuito integrado que tiene tres pines: ENTRADA, TIERRA y SALIDA. Su función es entregar en la salida una tensión fija DC, el cual sirve para alimentar circuitos electrónicos sin peligro de que sufran daños por cambios de tensión. los más populares son los de tensiones positivas de 24, 5 voltios, 9 voltios y de 12 voltios. También se consiguen con tensiones negativas y ocasionalmente van unidos a un disipador de calor.

 

Estos dispositivos sus seriales comienzan por 78XX  ( que dan una tensión positivo ) y 79XX ( que dan una tensión negativa ), además viene especificado la tensión de operación del mismo ( los valores de las letras XX ).

 

Los pines de entrada de tensión, salida de tensión y tierra tienen por lo general, las siguientes posiciones:

 


 

En las tarjetas electrónicas ya sea de equipos de refrigeración o climatizacion, su función es la de proveer tensión de 12 o 5 vdc a accesorios de la misma, tal como se observa:

 


 


NOTA: Los reguladores en las tarjetas impresas llevan las letras REG o IC  seguidas de un numero. Ejemplo REG01.

 


El circuito de fuente lineal, donde participan estos componentes para dar la tensión de tipo DC ya sea a 12 o 5 vdc requeridos para los componentes de tarjetas electrónicas en RVC, por lo general es:

 


 

1.2.17. REGULADOR DE TENSION VARIABLE

  


Es un circuito integrado que permite construir fuentes de tensión cuyo valor de salida se puede ajustar según los requerimientos del usuario. Esta se puede hacer por medio de una corriente que entre por el pin ADJ o de ajuste, de acuerdo a la intensidad de la corriente, será la tensión en el pin de salida SAL. Para su correcto funcionamiento, debe estar acompañado por resistencias, diodos y condensadores. El LM317T puede soportar hasta 1.5 amperios y regular desde 2 VDC hasta 37 VDC.

 


 

1.2.18. BLOQUE DE TERMINALES O REGLETA

 


Es un elemento que permite hacer conexión de cables a circuitos impresos de una forma rápida y segura. Posee un tornillo para apretar o aflojar el cable que se introduce dentro de su cavidad. Una de sus ventajas es su capacidad para manejar corrientes de varios amperios. Estas regletas vienen de dos puestos, tres puestos, etc.


 

 

NOTA: Los conectores en las tarjetas impresas levan las letras CN de conector, seguidas de un numero. Ejemplo CN15

 

1.2.19. EL FUSIBLE

 


 

Es un tipo de hilo conductor que generalmente se encuentra dentro de un tubo de vidrio con extremos metálicos. Se emplea en circuitos para proteger elementos de sobre corrientes que puedan dañarlos. Viene de acuerdo a la corriente que pueden resistir desde 1 amperios hasta 10 o mas.

 


 

Los fusibles tienen la función de protección de las tarjetas electrónicas ante altos niveles de corriente, fundiéndose en el proceso, por lo cual son intercambiables.

 

NOTA: Los fusibles en las tarjetas impresas llevan la letra F , de Fuse, seguida de un numero. Ejemplo F01.

 


Se usan para proteger los sistemas de rectificación de tarjetas electrónicas y otros componentes.


 

1.2.20. EL DIPSWITCH

 


Es un componente electromecánico que posee varios interruptores, cada uno de los cuales puede manejar de forma independiente; se pueden conseguir con diferente número de interruptores. Dado su tamaño, no pueden soportar altas corrientes por lo que se emplean en circuitos digitales o análogos de baja potencia. Son a la larga interruptores de varios canales


 


1.2.21. DISPLAY DE SIETE SEGMENTOS

 


Este dispositivo esta formado por un conjunto de leds distribuidos de tal forma que, cuando se encienden algunos de ellos, se pueden formar los números del 0 al 9; cada led es un segmento del numero, estos displays tienen 7 diferentes segmentos y se consiguen en dos versiones, de cátodo común y de ánodo común. El de ánodo común tiene unido todos los ánodos de los leds lo que implica que para encender uno de ellos se deba poner una señal de nivel bajo en el cátodo correspondiente y un nivel alto en el pin común. Para el de tipo cátodo común, la conexión es inversa. En un display de ánodo común, por lo general, los segmentos se identifican por letras y sus pines de conexión son como se muestra a continuación:

 

 

Se usan mucho en los display de los aire acondicionados y algunas neveras:

 


 

 

1.2.22. PULSADOR PARA CIRCUITOS IMPRESOS

 


Es básicamente un mini pulsador cuyos contactos se cierran cada vez que el usuario ejerce una presión sobre el accionador. Su principal ventaja es que puede ser ubicado  en el circuito impreso lo que permite una mayor seguridad en su operación. Pueden ser normalmente abierto y normalmente cerrados.

 

Es el que acciona el Reset de las tarjetas y otras funciones en las mismas:

 


 

1.2.23. DISIPADOR DE CALOR

 


 

Es un dispositivo metálico que se instala en algunos componentes electrónicos que generan calor y sirve para disipar el calor generado por los mismos. Su empleo en los circuitos es de gran importancia, ya que los efectos de la temperatura en los semiconductores puede causar mal funcionamiento del aparato. Existen de diversas formas y tamaños

 


1.2.24. RELE ELECTROMAGNETICOS

 


 

Es un dispositivo electromagnético que actúa como interruptor controlado por la tensión. Su funcionamiento consiste en cerrar o unir contactos común ( COM ) y normalmente abierto ( NO ) cada vez que se energiza o se le da una tensión adecuada en los pines de la bobina. Cuando no se aplica tensión en ella, el contacto común se une normalmente al cerrado ( NC ). Los contactos mecánicos son independientes de la bobina; por lo tanto, éste componente se puede utilizar para manejar señales o cargas de alta potencia, las cuales pueden ser controlados por circuitos de baja potencia o como amplificador de señales. El diagrama de conexión de un  relé de 5 pines  es el siguiente:

 


 NOTA: Los reles en las tarjetas impresas levan las letras RY seguidas de un numero. Ejemplo RY01


 

 

1.2.25. RELE DE ESTADO SOLIDO EN ELECTRONICA



Son reles que no usan bobinas para mover contactos, admiten excitación de tipo AC o DC, en estas tarjetas la excitación, por lo general es de tipo DC y poseen un contacto abierto o cerrado que transite corriente de tipo AC o DC.

 

Cuando estos se dañan, el contacto abierto queda cerrado y no hay forma de abrirlo, así que es fácil identificar la falla de este componente. En las tarjetas electrónicas se identifica con las letras SS y un numero, tal como se observa:

 


 

1.2.26. PULSADORES EXTERNOS NC Y NO


 

Existen dos tipos de pulsadores. El primero, llamado normalmente abierto ( NO ), permite hacer unión o contacto eléctrico entre dos puntos de un circuito, cada vez que se oprime el botón accionador. El segundo, normalmente cerrado ( NC ), siempre tiene unidos sus dos pines y en el momento de oprimir el botón, se interrumpe la conexión.

 


1.2.27. BOBINAS O INDUCTORES

 


 

Los inductores o bobinas, son elementos que tienen en particular que, almacenan energía en forma de campos magnéticos. estos tienden a mantener su estado de corriente y reaccionan para ello creando tensiones que limitan o estimulan el flujo de corriente de acuerdo a la situación presentada.

 

Son elementos formados por un alambre de cobre enrollado en un núcleo de ferrita o sin núcleo ( aire ) . En un circuito de corriente directa, el inductor, en cuanto a corriente y tensión en el tiempo, se comportan de la siguiente forma:

 


 

Al inicio, cuando se energiza el circuito se comporta como un switch abierto, debido a que en ese momento, la bobina crea una tensión momentánea para oponerse al flujo de corriente de forma que impide el paso de la misma, a medida que pasa el tiempo, su tensión se cae, permitiendo el paso de mayor corriente.

 


Después de un tiempo, la bobina comienza a reducir su tensión, y al llegar a niveles mínimos, se comporta como un puente como circuito cerrado. Tal como se observa en la figura.

 


 


Cuando se desenergiza la fuente, la bobina tiende a mantener su estado de conductor, al experimentar que la corriente disminuye, la bobina genera una tensión que compensa esa caída de corriente tal como se observa en la figura

 


 


 

Muchas veces se desea construir una bobina de núcleo de aire para los diferentes proyectos que se requieran hacer en electrónica. Existe una formula simple para hallar el número de vueltas que se debe hacer para construirá y es:

 

NUM VUELTAS = [ L *( 9*a  + 10* b ) / ( 0.393 * a2 ) ] 0.5

Donde:

a : Radio bobina en cms

b : Longitud del arrollado en cms.

L : Capacidad de la bobina en microhenrios

Estas también pueden ser usadas para crear transformadores , por tanto hay que analizar bien la función de cada una de ellas en la tarjeta donde trabajan.

 

NOTA: Las bobinas en las tarjetas impresas levan las letras L seguidas de un numero. Ejemplo L01

 


Ver video:

 COMPORTAMIENTO DE INDUCTORES O BOBINAS ANTE TENSIONES Y CORRIENTES DC


 

1.2.28. CELDA FOTOVOLTAICA.

 

Son dispositivos que al aumentar la intensidad de luz que incide en ellos, aumenta la tensión de salida del mismo.

 


 

1.2.29. TRANSISTOR BIPOLAR

 


Es un dispositivo semiconductor de res terminales: BASE ( B ), EMISOR ( E ) y COLECTOR ( C ). Se puede emplear como amplificador o interruptor electrónico, dependiendo de la configuración del circuito. El transistor bipolar es el más común de los transistores, y como los diodos, puede ser de germanio o silicio

Existen dos tipos transistores: el NPN y el PNP, y la dirección del flujo de la corriente en cada caso, lo indica la flecha que se ve en el gráfico de cada tipo de transistor.



El transistor es un dispositivo de 3 patillas con los siguientes nombres: base (B), colector (C) y emisor (E), coincidiendo siempre, el emisor, con la patilla que tiene la flecha en el gráfico de transistor. El transistor es un amplificador de corriente, esto quiere decir que si le introducimos una cantidad de corriente por una de sus patillas (base), el entregará por otra (emisor) , una cantidad mayor a ésta, en un factor que se llama amplificación. Este factor se llama β (beta) y es un dato propio de cada transistor.

Entonces:

 - IC (corriente que pasa por la patilla colector) es igual a β (factor de amplificación) por IB (corriente que pasa por la patilla base).

 - IE (corriente que pasa por la patilla emisor) es la suma de las corriente Ic e IB.



Según las fórmulas anteriores, las corrientes no dependen de la tensión que alimenta el circuito (Vcc), pero en la realidad si lo hace y la corriente IB cambia ligeramente cuando se cambia Vcc. Ver figura.





De acuerdo al gráfico anterior, existen tres regiones operativas del transistor

Región de corte: Un transistor esta en corte cuando:

Corriente de colector  = Corriente de base = 0, ( Como IB = 0, IC = IE = 0)

En este caso la tensión entre el colector y el emisor del transistor VCE es la tensión de alimentación del circuito. (como no hay corriente circulando, no hay caída de tensión, ver Ley de Ohm). Este caso normalmente se presenta cuando la corriente de base = 0 (IB =0)

Región de saturación: Un transistor está saturado cuando:

Corriente de colector = Corriente de emisor = Corriente máxima, (Ic = Ie = I máxima)

En este caso la magnitud de la corriente depende de la tensión de alimentación del circuito y de las resistencias conectadas en el colector o el emisor o en ambos, ver ley de Ohm. Este caso normalmente se presenta cuando la corriente de base es lo suficientemente grande como para inducir una corriente de colector β veces más grande. En esta región, no aplica el factor β para hallar la corriente del colector

Región activa: Cuando un transistor no está ni en su región de saturación ni en la región de corte entonces está en una región intermedia, la región activa. En esta región la corriente de colector (IC) depende principalmente de la corriente de base (IB), de β (ganancia de corriente de un amplificador, es un dato del fabricante) y de las resistencias que hayan conectadas en el colector y emisor). Esta región es la mas importante si lo que se desea es utilizar el transistor como un amplificador.

Configuraciones: Hay tres tipos de configuraciones típicas en los amplificadores con transistores, cada una de ellas con  características especiales que las hacen mejor para cierto tipo de aplicación. y se dice que el transistor no está conduciendo. Normalmente este caso se presenta cuando no hay corriente de base ( Ib = 0 )

 - Emisor común
 - Colector común
 - Base común

El transistor puede ser operado como interruptor y como amplificador, para aplicarlo como interruptor, se pueden configurar de la siguiente forma:

 


 

Por un transistor que esté correctamente polarizado fluyen dos corrientes, la corriente de base ( IB ), la cual entra por el pin de base; y la otra llamada corriente de colector ( IC ) que pasa por el pin colector. Ambas corrientes pasan a través del tercer terminal o emisor. La suma de ambas corrientes dan la corriente del emisor ( IE ). Lo interesante de los transistores es que la corriente de base, que es pequeña, controla la corriente del colector que es grande. A mas corriente de base, mayor corriente de colector y viceversa.

 

NOTA: Los transistores en las tarjetas impresas levan las letras Q o IC seguidas de un numero. Ejemplo Q01.

 


Ver video:

 GENERALIDADES DEL TRANSISTOR BJT NPN



1.2.30. TRANSISTORES MOSFET


 

 

Un transistor mosfet es usado en conmutadores ( pwm ) por su alta velocidad de respuesta. Poseen tres pines de conexión:

 

      Drenador, Drain ( D ) : Equivalente al colector en un transistor BJT.

      Puerta o Gate: El equivalente a la base en los transistores BJT.

      Fuente o Source: Equivalente al emisor en un transistor BJT.

 

Son componentes que operan altas corrientes con mínima disipación de potencia o calor. La principal característica de este transistor radica en que la corriente de salida depende de la tensión de entrada que se aplica entre sus terminales de G y S.

 

Los hay de los siguientes tipos:

  


 


Por el momento nos vamos a concentra en el transistor mosfet incremental de canal N:

 


Como puede observar en el MOSFET de canal N,  la parte “ N “ está conectada a la fuente SOURCE y al drenaje DRAIN y el semiconductor P esta conectado al sustrato, que a su vez, esta conectado con el pin S o fuente.

 En relación a su operación, ya sabemos que se controla por la tensión aplicada entre los pines G y S. si la tensión aplicada en esos pines es menor que la tensión de umbral, no hay corriente entre el D y el S



Para que circule corriente en un MOSFET de canal N una tensión positiva se debe aplicar en la compuerta VGS debe ser mayor que la del umbral ( VGS(Th) )  . Así los electrones del canal N de la fuente (source) y el drenaje (Drain) son atraídos a la compuerta (Gate) y pasan por el canal P entre ellos.



El movimiento de estos electrones, crea las condiciones para que aparezca un puente para los electrones entre el drenaje y la fuente. La amplitud o anchura de este puente (y la cantidad de corriente) depende o es controlada por la tensión aplicada a la compuerta.



En el caso que la tensión entre D y S sea igual a la diferencia entre VGS - VGS(Th) , el transistor entra en saturación, tal como se observa:



Debido a la delgada capa de óxido que hay entre la compuerta y el semiconductor, no hay corriente por la compuerta. La corriente que circula entre drenaje y fuente es controlada por la tensión aplicada a la compuerta.

Ver video:

GENERALIDADES TRANSISTORES MOSFET DE ENRIQUECIMIENTO CANAL N



1.2.32. CONECTORES

 

1.2.32.1. RIBBON

 


Son uniones de cables que van desde pares hasta 24.

 

1.2.32.2. CONECTORES EN LINEA MOLLER Y GP

 

Son conectores de pines en línea macho y hembra para circuitos impresos que van desde dos hasta 16 pines. Los GP son mas grandes que los Moller.

 


1.2.32.3. CONECTORES DB9 Y DB25

 

Son los mismos conectores empleados en sistemas pero sus pines vienen para ser ensamblados en un circuito impreso.

 



OBS: En las tarjetas electrónicas, podemos identificar los conectores por las letras CN mas un numero que indica el número del conector:

 

1.3. ALGUNOS CIRCUITOS INTEGRADOS COMUNES EN REFRIGERACION

 

Un circuito integrado es un encapsulado el cual realiza una o varias operaciones o funciones. Esta compuesto por varios pines, lo importante es encontrar el pin número uno, el cual se identifica por una muesca a su lado o por la disposición de los títulos del integrado.

 


 

Estos circuitos integrados o chips, poseen internamente miles o millones de microcomponentes, dentro de un un encapsulado cerámico o plástico, con pines conectores externos  para la conexión. En cuanto a la cantidad de transistores que posee el chips (  niveles de integración ) se tiene la siguiente división:

 

·                    Nivel de escala pequeña o SSI: Que poseen un pequeño número de compuertas o funciones.

·                    Integración de mediana escala o MSI : Que poseen un número de relativamente grande de compuertas o funciones.

·                    Integración de gran escala o LSI: Que poseen cientos de compuertas o funciones.

·                    Integración de muy gran escala o VLSI: Que poseen decenas de miles o millones de compuertas o funciones.

En cuanto a las familias lógicas de los circuitos integrados se conocen en especial:

 

·                    Familia lógica transistor – transistor o TTL: el numero de identificación del circuito integrado comienza con 74. Esta familia trabaja con voltaje de 5 vdc.

·                    Familia MOS ( metal oxide semiconductor ): son relativamente nuevos, pero a diferencia de los TTL, estos pueden trabajar con voltajes desde los 3 a los 18 vdc y un consumo de energía bajo.

·                    Subfamilia CMOS o MOS complementario: Es un derivado de la MOS, su número de identificación comienza por 40.

·                    Familias híbridas: Poseen características tanto del TTL como de las MOS. Su número de identificación puede ser 74HC o 54HC.

 

1.3.1. TEMPORIZADORES

 

1.3.1.1. CIRCUITO INTEGRADO 555



Es un circuito integrado de 8 pines, su modo de funcionamiento depende de lo componentes los externos a que se conecte. Cada pin del integrado cumple una función específica, por ello es importante saber la correcta identificación de los mismos; para esto se tiene un círculo o una pequeña muesca al lado del pin número 1. este integrado puede ser empleado como temporizador, oscilador, generador, etc

 


e p ser tan versátil contiene una precisión aceptable para la mayoría de los circuitos que

 

Se alimenta de una fuente externa conectada entre sus terminales (8) positiva y (1) tierra o GND; el valor de la fuente de alimentación se extiende desde 4.5 Volts hasta 16.0 Volts de corriente continua, la misma fuente exterior se conecta a un circuito pasivo RC exterior, que proporciona por medio de la descarga de su capacitor una señal de voltaje que esta en función del tiempo, esta señal de tensión es de 1/3 de Vcc y se compara contra el voltaje aplicado externamente sobre la terminal (2) o TRIGGER que es la entrada de un comparador como se puede apreciar en la gráfica anterior, al tener una entrada lógica “ 0 “, inicia el conteo del temporizador.

 

La terminal (6) o THRESHOLD se ofrece como la entrada de otro comparador, en la cual se compara a 2/3 de la Vcc contra la amplitud de señal externa que le sirve de disparo.  La terminal (5) o CONTROL TENSION se dispone para producir (PAM) modulación por anchura de pulsos, la descarga del condensador exterior se hace por medio de la terminal (7) o DISCHARGE, se descarga cuando el transistor (NPN) T1, se encuentra en saturación, se puede descargar prematuramente el capacitor por medio de la polarización del transistor (PNP) T2.

 

Se dispone de la base de T2 en la terminal (4)  o RESET del circuito integrado 555, si no se desea descargar antes de que se termine el periodo, esta terminal debe conectarse directamente a Vcc, con esto se logra mantener cortado al transistor T2 de otro modo se puede poner a cero la salida involuntariamente, aun cuando no se desee. En otras palabras, es el reset del temporizador, cuando recibe un “ 0 “ lógico, devuelve el temporizador a su estado inicial.

 

La salida esta provista en la terminal (3) o OUTPUT del microcircuito y es además la salida de un amplificador de corriente (buffer), este hecho le da más versatilidad al circuito de tiempo 555, ya que la corriente máxima que se puede obtener cuando la terminal (3) sea conecta directamente al nivel de tierra es de 200 mA.

 

La salida del comparador "A" y la salida del comparador "B" están conectadas al Reset y Set del FF tipo SR respectivamente, la salida del FF-SR actúa como señal de entrada para el amplificador de corriente (Buffer), mientras que en la terminal (6) el nivel de tensión sea más pequeño que el nivel de voltaje contra el que se compara la entrada reset del FF-SR no se activará, por otra parte mientras que el nivel de tensión presente en la terminal 2 sea más grande que el nivel de tensión contra el que se compara la entrada set del FF-SR no se activará.

 

El microcircuito 555 es un circuito de tiempo que tiene las siguientes características:

 

· La corriente máxima de salida es de 200 mA cuando la terminal (3) de salida se encuentra conectada directamente a tierra.

 

· Los retardos de tiempo de ascenso y descenso son idénticos y tienen un valor de 100 nseg.

 

· La fuente de alimentación puede tener un rango que va desde 4.5 Volts hasta 16 Volts de CD.

 

· Los valores de las resistencias R1 y R2 conectadas exteriormente van desde 1 ohms hasta 100 kohms para obtener una corrimiento de temperatura de 0.5% a 1% de error en la precisión, el valor máximo a utilizarse en la suma de las dos resistencias es de 20 Mohms.

 

· El valor del capacitor externo contiene únicamente las limitaciones proporcionadas por su fabricante.

 

· La temperatura máxima que soporta cuando se están soldando sus terminales es de 330 centígrados durante 19 segundos.

 

· La disipación de potencia o transferencia de energía que se pierde en la terminal de salida por medio de calor es de 600 mW.

 

La frecuencia de los pulsos que salen por el pin 3, depende de los valores de las resistencias que afectan el voltaje que entran a los pines 7 y 6, lo mismo que loa capacidad del condensador en el pin 2 del 555. a mayores valores de resistencias y del capacitor, menor será la frecuencia de los pulsos que salen por el pin 3.El voltaje de salida del pin 3 esta alrededor del voltaje de alimentación del mismo.

 

Para programar el tiempo de temporización analizemos el siguiente circuito:

 


El valor del resistor R1 esta entre los 22 K ohmios y los 47 K ohmios. El tiempo de conteo se calcula de la siguiente forma:

 

 

Tiempo  = ( 1,1 x CT * RT ) / 1000

 

RT = ( Tiempo * 1000 ) / ( 1.1. * CT )

 

CT = ( Tiempo * 1000 ) / ( 1.1. * RT )

 

Donde:

CT: es el valor en microfaradios del condensador

RT: valor de resistencia en kilo ohmios

T: Tiempo en segundos

 

Al presionar el pulsador, se recibe un voltaje bajo en el pin 2, esto hace que el conteo inicie haciendo que el pin 3 de un voltaje con lo que el led se enciende.

 

Si se desea un temporizador con reinicio o reset, haga el siguiente montaje:

 


 

Al presionar el pulsador, se recibe un voltaje bajo en el pin 2, esto hace que el conteo inicie haciendo que el pin 3 de un voltaje con lo que el led se enciende, pero al presionar el otro pulsador, se recibió un voltaje bajo en el pin 4 , que hace que el conteo llegue   a su fin.

 

 

1.3.1.2. CIRCUITO INTEGRADO CD 4541

 


 

Es un circuito integrado diseñado especialmente como temporizador y posee algunos pines de entrada para configurar su funcionamiento y programar el tiempo en el que se activara su salida. Esta construido con tecnología CMOS, lo que permite trabajar con fuentes de 3 hasta 12 voltios. Este circuito integrado es controlado por la combinación de dos resistencias externas conectadas a los pines 1 y 3 y un condensador conectado al pin2.

 


Veamos ahora su circuito de conexión básico:

 


 

El tiempo en segundos que la salida permanece activa depende de tres componentes en el circuito y esta dado por la formula:

 

Tiempo en segundos = 2,3 * K * R1 * C1

 

Donde K es una constante adimensional, R1 se da en ohmios y C1 en faradios. El valor de la constante K depende de la conexión hecha en los pines A y B del circuito integrado ( pines 12 y 13 ) de la siguiente forma:

 

PIN A - 12

PIN B - 13

VALOR DE K

TIERRA

TIERRA

8192

TIERRA

+ V

1024

 + V

TIERRA

256

+ V

+ V

65536

 

Por otro lado se debe tener presente que R1 debe ser mayor al menos dos veces R2.  En este circuito     R2 = 20 KW y R1 una resistencia variable de 200 KW y C1 = 22 mF. Con estos dispositivos podemos obtener los siguientes tiempos máximos:

 

PIN A

PIN B

VALOR DE K

R1

C1

T = 2.56*K*R1*C1

TIERRA

TIERRA

8192

200000

0.000022

600 MIN

TIERRA

+ V

1024

200000

0.000022

75 MIN

 + V

TIERRA

256

200000

0.000022

18 MIN

+ V

+ V

65536

200000

0.000022

80 HR

 

Si desea variar los tiempos, varíe la resistencia R1 y el condensador C1. el pulsador en el pin 6 es para iniciar el conteo en el circuito integrado y comience el conteo. El pin 5 es de auto reset y el pin 8 es el de puerto de salida.

 

El funcionamiento del circuito consiste en que si energiza el mismo y no hay una acción en el pulsador, el pin 8 envía un nivel de voltaje que activa el transistor por tiempo indeterminado. Cuando se pulsa el pulsador, comienza a contar el tiempo programado y en ese tiempo el pin 8 sigue enviando la señal de voltaje; pero al terminar el tiempo de conteo, el pin 8 deja de enviar el voltaje desactivando el transistor.

 

1.3.1.4. CIRCUITO INTEGRADO LM 556

 


 
 

Es un circuito integrado que posee dos 555 en su estructura, o sea, dos temporizadores independientes dentro de uno solo. En cada lado del circuito están los pines de conexión de cada temporizador y ejecutan las mismas funciones que en el 555.

 

1.3.2.  SENSORES DE TEMPERATURA

 

1.3.2.1. CIRCUITO INTEGRADO LM 35

Es un circuito que opera como un sensor de temperatura en rangos de -55ºC a 150ºC. la tensión de alimentación del chip ( VS ) varia de 4 VDC a 30 VDC. La tensión de salida del mismo ( VO ) va decreciendo linealmente a medida que aumenta la temperatura que detecta. Tiene tres pines en su versión TO-220 y cinco en su versión SO-8. Su tensión de alimentación oscila entre los 4 a los 20 VDC

 


1.3.2.2. CIRCUITO INTEGRADO LM 335Z



Es un circuito integrado que opera como sensor de temperatura. Opera con dos terminales zener y una salida de tensión proporcional a la temperatura medida. Opera desde -40ºC a 100ºC. Generalmente se emplea con un amplificador con el fin de incrementar su señal de salida.

 

VO = T * ( 10 mv / ºK ) = T * ( 0.01 v / ºK )

 


 

Este circuito incrementa en 0.01 V su tensión de salida a medida que incrementa la temperatura a la que esta midiendo.

 

 

1.3.3. OTROS CIRCUITOS INTEGRADOS ESPECIALES

 

1.3.3.1. AMPLIFICADOR OPERACIONAL LM 358

Es un circuito integrado que puede cumplir diferentes tareas dependiendo de la forma en que esté conectado en el circuito. Su tarea básica, es amplificar señales, pero también es empleado en casi todas las operaciones de audio. El módulo básico del amplificador operacional posee 5 terminales, dos para la fuente de alimentación, uno para la salida y dos para las entradas.

 


 

NUMERO PIN

FUNCION

1

SALIDA DEL CANAL 1

2

ENTRADA INVERSORA

3

ENTRADA NO INVERSORA

4

TIERRA

5

ENTRADA NO INVERSORA

6

ENTRADA INVERSORA

7

SALIDA DEL CANAL 2

8

VOLTAJE DE ALIMENTACION DEL CHIP

 

1.3.3.2. CONFIGURACION COMO SALIDA NO INVERSORA

 

Una de las principales funciones es como comparador de tensión, esta configuración se requiere cuando se desea que la señal de entrada este en fase con la señal de salida; al circuito se le especifica una tension de referencia      ( VREF )  por el pin 2; toda tensión de entrada ( VIN ) entra por el pìn 3 o entrada no inversora. Cuando la tensión de entrada es mayor o mayor que el de referencia, sale una señal por el pin 1 con tensión positiva ( + 5 V ) y si no, mantiene una señal baja de salida ( 0 V ). Si la tensión de referencia entra por el pin 6, la tensión de entrada debe entrar por el pin 5 y la señal de salida sale por el pin 7 ( + 5 V ). el pin 8 y 4 son para la alimentación del circuito integrado.


 

1.3.3.3. CONFIGURACION COMO SALIDA INVERSORA

 

Esta configuración se requiere cuando se desea que la señal de entrada este desfasada con la señal de salida; al circuito se le especifica una tensión de referencia  ( VREF )  por el pin 3; toda tensión de entrada ( VIN ) entra por el pìn 2 o entrada inversora. Cuando la tensión de entrada es mayor o mayor que el de referencia, sale una señal por el pin 1 con tensión cero ( 0 V ) y si no mantiene una señal alta de salida. Si la tensión de referencia entra por el pin 5, la tensión de entrada debe entrar por el pin 6 y la señal de salida sale por el pin 7.

 


 

El LM 358 se puede configurar como amplificador de señales de tipo análogas, especialmente tensiones del orden de los milivoltios. El factor de amplificación o ganancia depende de la relación de dos resistencias la R1 y la R2; que al multiplicarlo por la tensión de entrada, nos da el valor amplificado en la salida del circuito integrado:

 

Factor de Ganancia = 1 + ( R2/R1 )

 

Tension de salida = Tensión de entrada * factor de Ganancia

  


 

1.3.3.4. CIRCUITO INTEGRADO LM 324

Este circuito integrado contiene cuatro amplificadores operacionales en un encapsulado de 14 pines, sus características de operación son similares a las del LM 358. Su ventaja es que trabaja con una fuente de alimentación sencilla.

 

La tensión de alimentación varia desde los 3 hasta los 32 VDC. Si se desea configurar como comparador múltiple de tensión sus pines son:

 


 

NUMERO PIN

FUNCION

1

SALIDA DEL CANAL 1

2

ENTRADA INVERSORA CANAL 1

3

ENTRADA NO INVERSORA CANAL 1

4

TENSION ALIMENTACION DEL CHIP

5

ENTRADA NO INVERSORA DEL CANAL 2

6

ENTRADA INVERSORA DEL CANAL 2

7

SALIDA DEL CANAL 2

8

SALIDA DEL CANAL 3

9

ENTRADA INVERSORA DEL CANAL 3

10

ENTRADA NO INVERSORA DEL CANAL 3

11

TIERRA

12

ENTRADA NO INVERSORA DEL CANAL 4

13

ENTRADA INVERSORA DEL CANAL 4

14

SALIDA DEL CANAL 4

 

Al igual que el LM 358, el LM 324 se puede configurar como amplificador de señales de tipo análogas, especialmente tensiones del orden de los milivoltios. El factor de amplificación o ganancia depende de la relación de dos resistencias la R1 y la R2; que al multiplicarlo por la tensión de entrada, nos da el valor amplificado en la salida del circuito integrado:

 

Factor de Ganancia = 1 + ( R2/R1 )

 

Tension de salida = Tension de entrada * factor de Ganancia

 

 

1.3.3.5. CIRCUITO INTEGRADO ULN 2003

Este es un circuito integrado que posee internamente un grupo de transistores NPN, los cuales tienen el emisor unido a tierra, la base conectada a la entrada a través de una resistencia y el colector se lleva directamente a la salida. Con esta configuración, el transistor se comporta como un inversor. Por lo tanto, si se aplica en la base una señal positiva, el colector pone su salida en un nivel bajo. Estos transistores tienen la capacidad de hasta 500 mAmp, lo cual los hace aptos para el manejo de cargas como relés, entre otros. Además, los diodos que unen los colectores de los transistores y el punto común, que se conecta a la fuente positiva, protegen los transistores de posibles daños al manejar cargas inductivas.

 


 


Los pines del chip son:

 

Los pines del 1 al 7 son las bases ( B ) de los transistores.

 

Los pines del 10 al 16 son los colectores        ( C ) de los transistores. El emisor común es el pin 9.

 

Se usan mucho para la activación de cargas a 12 vdc con tensiones mas bajas, tal como se muestra:

 




1.3.3.6. OPTOCOPLADORES

 

Es un componente electrónico que combina en un mismo paquete o encapsulado un diodo led que funciona a 5 VDC y un foto receptor. Al activarse el led interno del octocoplador, su luz es detectada por el fotoreceptor, que a su vez cierra un contacto del mismo. La ventaja de este sistema es el aislamiento eléctrico que existe entre los circuitos de entrada ( LED ) y salida ( fotorreceptor ). Hay varios tipos de octocopladores entre los mas comunes se tienen:

 

·         OPTOTRIAC



El fotorreceptor en este elemento es un fototriac, en otras palabras el integrado contiene un diodo led y un triac sin compuerta GATE que se activa al recibir la luz del led. Es empleado para sistemas VAC de baja corriente. Los mas comunes son el MOC3010 y el MOC3011.

 




 

 

·         OPTOTRANSISTOR

 


 

El fotorreceptor en este elemento es un fototransistor, en otras palabras, el integrado contiene un diodo led y un transistor que se activa al recibir la luz del led. Este integrado trae también la base del transistor en caso de que se necesite. Es empleado para sistemas VDC de baja corriente. Los más comunes son el LTV4N25 Y 4N26

 


Se usan en los sistemas de fuentes conmutadas para el control de la tensión de salida de dichas fuentes:

 


 


1.4. ELECTRONICA DIGITAL

 

En la electrónica digital es muy importante analizar el estado de las señales, de las cuales pueden ser de dos tipos:

 

ANALOGAS: Son las que tienen diferentes valores en el tiempo, por ejemplo las señales de tensión, presión, corriente, resistencia, etc.

 

DIGITALES: solo posen dos valores: alto o bajo, on u off, 1 o 0, si o no, hi o low, etc. Este tipo de señales son producidas por elementos como pulsadores, interruptores, etc.

 

Realizando una comparación eléctrica con contactos, se puede decir que un contacto cerrado da una señal, alta, hi o 1, porque esta puede trasmitir corriente o voltaje; pero un contacto abierto da una señal baja, low o cero, porque interrumpe el paso de corriente o un voltaje.

 

1.4.1. COMPUERTAS LOGICAS

 

 

1.4.1.1. COMPUERTA LOGICA AND O Y

 

También llamada opción Y; esta compuerta tiene su equivalente eléctrico cuando se colocan contactos en serie:


 

 

La tabla de resultados cuando el comparador es and se relaciona a continuación:

  


Para resumir, una función And tiene una resultado 1, alto o True siempre y cuando sus entradas sean todas 1, altas o true y da un resultado 0 o bajo si una sola de las entradas tiene valor 0 o bajo.

 

En algebra boolena, el resultado de una compuerta and es la multiplicación de las entradas.

 

1.4.1.2. COMPUERTA NOT O INVERSORA

 

Es la negación de una entrada ; o sea, si la entrada es False, la salida es True; si la entrada es 1 la salida es 0. El equivalente eléctrico es convertir un contacto NO en uno NC o viceversa

 


 La tabla de resultados con el comparador Not se relaciona a continuación:

 

 


1.4.1.3. COMPUERTA OR U O

 

También llamado compuerta “ O “. Esta compuerta tiene su equivalente eléctrico cuando se colocan contactos en paralelo:

 


 

La tabla de resultados cuando el comparador es or se relaciona a continuación:

 


Para resumir, la función Or tiene una salida 1, alta o True cuando algunas de sus entradas es 1, alta o True. El resultado de una compuerta or es la suma algebraica booleana de sus entradas.

 

1.4.1.4. COMPUERTA NOT AND O NAND

 

Es la negación del resultado de And.

  


 

La tabla de resultados cuando el comparador es Nand se relaciona a continuación:

 


 

Al contrario de la función And, esta tiene estado 1 cuando cualquiera de las entradas tienen estado 0, bajo o False; y tiene estado 0, bajo o False cuando todas sus entradas están en estado 1, alto o True.

  

1.4.1.5.. COMPUERTA NOT OR O NOR

 

Es la negación del resultado de Or.:

 


 

La tabla de resultados cuando el comparador es Nor se relaciona a continuación:

 


 

Al contrario de la función Or, esta tiene estado 1 cuando todas las entradas tienen estado 0, bajo o False; y tiene estado 0, bajo o False cuando cualquiera de sus entradas están en estado 1, alto o True.

 

 1.4.1.6. COMPUERTA XOR

 

También llamada compuerta OR exclusiva.

 


 Su tabla de verdades es:

 


 

El resultado de la compuerta XOR es 1 si una y solo una de las entradas es 1.

 

1.4.1.7. COMPUERTA NOT XOR, XNOR o Nor – Ex

 

Es la negación del resultado de XOR, también llamada compuerta NOR exclusiva.


 

La tabla de resultados cuando el comparador es and se relaciona a continuación:


 

El resultado de la compuerta XNOR es 1 si todas sus entradas son cero o todas sus entradas son 1.

 

1.5. ALGUNOS CIRCUITOS INTEGRADOS CON COMPUERTAS.

 

1.5.1. CIRCUITO INTEGRADO 74LS08



Es un circuito integrado de compuertas AND. Posee 14 pines de los cuales dos de ellos son la alimentación del integrado ( pin 14 entrada voltaje y pin 7 tierra ) con una tensión máxima de 7 VDC ( preferible operar con 5 voltios ); el resto de los pines esta conformado por 8 entradas y 4 salidas para un total de 4 compuertas AND.

 


 

1.5.2. CIRCUITO INTEGRADO 74LS04

 


Es un circuito integrado de compuertas NOT. Posee 14 pines de los cuales dos de ellos son la alimentación del integrado ( pin 14 entrada voltaje y pin 7 tierra ) con una tensión máxima de 7 VDC ( preferible operar con 5 voltios ); el resto de los pines esta conformado por 6 entradas y 6 salidas para un total de S compuertas NOT.

 


  

Se usan para la activación de carga de 12 voltios con señales de tensiones mas bajas:


 

1.5.33. CIRCUITO INTEGRADO 7486

 

Es un circuito integrado de compuertas XOR. Posee 14 pines de los cuales dos de ellos son la alimentación del integrado ( pin 14 entrada voltaje y pin 7 tierra ) con una tensión máxima de 7 VDC ( preferible operar con 5 voltios ); el resto de los pines esta conformado por 8 entradas y 4 salidas para un total de 4 compuertas XOR.

 


 

 

1.5.4. CIRCUITOS CON MEMORIA

 


Se habla aquí de las memorias EEPROM,  que ayudan a almacenar información de los sensores y oros datos que usa el microcontrolador principal; van ubicados junto al controlador principal de la tarjeta:

 

 


 

1.6. TARJETAS ELECTRONICAS EN REFRIGERACION Y CLIMATIZACION

 

Estos componentes ya vienen para el manejo, control y operación de los equipos de refrigeración y climatización domésticos y algunos comerciales, con el fin de incrementar el confort y eficiencia de los mismos.

 

Las tarjetas poseen dos grandes componentes: la parte de fuente o alimentación y la parte de control y potencia.

 

Con relación a la parte de control hay dos tipos de fuentes: las fuentes lineales ya en desuso y las fuentes conmutadas.

 

1.6.1.  TARJETAS ELECTRONICAS CONVENCIONALES CON FUENTES LINEALES.

 

Estas fuentes son las más sencillas y fáciles de hacer, pero están limitadas por su tamaño en relación con las conmutadas y por la limitada corriente de entrega de las mismas, así como perdidas en el circuito. Para su construcción se requieren los siguientes pasos y componentes:

 


En el primer paso, se necesita la reducción de tensión de una fuente alterna en una salida de más baja tensión pero también alterna; también hay las primeras protecciones.

 

En este caso se colocan fusibles para la protección de corriente y varistores para la protección de tensiones; la reducción de la tensión la ejecuta un transformador.

 


 

En el segundo paso se hace el cambio de la curva alterna de corriente y tensión en una curva de tipo DC pulsante, empleando para ello cuatro diodos y un puente rectificador:

 


 

El tercer paso consiste en el aplanamiento de la onda rectificada hasta llegar a convertirla en una onda plana o de tipo DC:

  


Para lograr ello, se usan capacitores con buena capacitancia. En el cuarto paso o cuarta etapa, se hacen la eliminación d ellos pequeños rizos de la onda, para ello se usan los reguladores de tensión y capacitores de baja capacitancia.

 


Entonces se poseen los siguientes esquemas generales de fuentes de tensión lineales:

 

Ing Antonio Ospino

 



 

Ver video:

 GENERALIDADES FUENTES DE POTENCIA LINEALES PARA TARJETAS ELECTRONICAS DE AIRE ACONDICIONADO


  

1.6.2.  TARJETAS ELECTRONICAS CONVENCIONALES CON FUENTES CONMUTADAS.

 

Estas fuentes son las más compactas, con buena potencia de salida, con pocas pérdidas, pero tienen más componentes y son más complejas que las lineales. Actualmente son las que están en uso. El circuito de las mimas se divide en tres partes: el lado de alta tensión, el lado de baja tensión y la parte de autocontrol de tensión.

 

Con respecto a la parte de alta tensión se tiene:

 


Parte de la protección está a cargo de un fusible, varistor, pero también pude estar una resistencia tipo NTC, con la función de limitar las altas corrientes de arranque o inicio de la tarjeta.

 

La siguiente parte es la de la protección EME, compuesta por capacitores clase X a la entrada y salida del sistema, posee bobinas filtrantes. La función de este sistema es el de filtras ruidos y sobretensiones que puedan ingresar y dañar los componentes de la tarjeta.

 

A continuación, tenemos una rectificación que se hace en alta tensión, para ello se emplean puentes rectificadores, un diodo, resistencias NTC y un capacitor de alto voltaje. Veamos un ejemplo de una tarjeta.

 


 En la siguiente etapa se analiza la operación del transformador de pulso y la etapa de baja tensión, así como el autocontrol de la misma.

 


La entrada de tensión pulsante de alta frecuencia al transformados de pulso, es controlada por un pin del circuito controlador o generador de pulsos ( para este caso un TNY 277 ), el cual modula el ancho de pulso y al frecuencia, dependiendo de la señal que envía el optocoplador. El led interno detecta en cambio de tensión del lado de baja del circuito y aso hace que cambia la corriente que sale por su transistor, de esta forma el controlador de pulsos opera para mantener un tensión de salida estable.

 

La tensión de salida del transformador de pulso, se rectifica con otro diodo y otro capacitor secundario, además de filtros bobinas y reguladores como el 7805. Veamos algunos de estos componentes en la siguiente tarjeta.

 


 Ver video:

GENERALIDADES DE LAS FUENTES DE POTENCIA CONMUTADAS PARA TARJETAS ELECTRONICAS EN CLIMATIZACION

 


 

En lo relacionado con la estructura del sistema de control, lo ejerce el microcontrolador principal que funciona con tensiones d ellos 5 VDC, recibe señales de los diferentes sensores y d las señales para activación de otros sistemas.

 


 

Para activar sistemas a 12 VDC, el controlador principal usa para ello, transistores, compuertas transistorizadas o compuertas lógicas tipo NOT.

 


 


 

Veamos estos componentes en la siguiente tarjeta:

 


En lo relacionado con las diferentes conexión y puertos la estructura para tarjetas de equipos no inverter, se tiene:

 


 

Para el caso de tarjetas de equipo inverter:

 


  

1.6.3.  PRUEBA DE FUENTE DE POTENCIA LINEAL.

 

Identifiquemos los conectores de la tarjeta, para este ejemplo es una tarjeta con alimentación de 120 vac, aire acondicionado convencional:

 


Partamos ahora del esquema general de la fuente de esta tarjeta :

 


 

Para la verificación de las tensiones DC de la fuente, identifiquemos sus componentes principales:

 

 


En la figura anterior se identificaron:

 

·         Capacitor primario.

·         La resistencia

·         Regulador 7805

 

En el primer paso se debe medir la tensión de salida de 5 VDC que da la tarjeta que   alimenta al controlador principal, circuitos transistorizados y otros. Para ello se coloca al multímetro en la escala adecuada para medir tensión de tipo DC ( escala 20 ) ; la punta negra del multímetro en un punto de tierra y la punta roja en el pin de salida del regulador 7805.

 

 


  


En el segundo paso se debe medir la tensión de entrada que da la tarjeta al regulador 7805. Para ello se coloca al multímetro en la escala adecuada ( para medir tensión DC , escala 20 ); la punta negra del multímetro en un punto de tierra y la punta roja en el pin de entrada del regulador 7805.

 


 


 

En el tercer paso se debe medir la tensión de 12 voltios DC que da la tarjeta al regulador 7805. Para ello se coloca al multímetro en la escala adecuada ( para medir tensión DC , escala 20 ); la punta negra del multímetro en un punto de tierra y la punta roja en el pin de entrada de la resistencia.

 


 



 

A continuación, se verifica la tensión de salida del puente rectificador o puente de diodos; para ello se coloca al multímetro en la escala adecuada ( para medir tensión DC , escala 20 ); la punta negra del multímetro en el pin ( - ) del puente o donde están unidos los ánodos de dos diodos y la punta roja en el pin ( + ) del puente rectificador o donde están unidos los cátodos de dos diodos.

 


 

 


 


Se verifica la tensión de entrada del puente rectificador o puente de diodos; para ello se coloca al multímetro en la escala adecuada ( para medir tensión AC , escala 20 ); la punta negra del multímetro en el pin ( ~ ) del puente  y la punta roja al otro pin ( ~ ) del puente rectificador; también se pude tomar la lectura en el conector de salida del transformador.

 


 

 

En los siguientes pasos, vamos a analizar la zona de alta tensión de la fuente, para ello hay que analizar los componentes que tiene:

 


 

Para el caso de esta tarjeta, están los siguientes componentes:

 

·         Fusible

·         Varistor

·         Capacitor seguridad clase X

·         Transformador

·         Diodos de rectificación.

 

Ahora se van a verificar las tensiones desde la entrada de potencia hasta la llegada al devanado primario del transformador; para ello debe cambiar la escala en el multímetro, debe estar para medir tensión AC en escala de 600:

 


 


 

Se verifica la entrada de tensión a la tarjeta en el pin AC -N y COM del relé de la unidad externa:

 

 


 


Se verifica la tensión que le llega al fusible:

 


 


 

Se verifica la tensión que sale del fusible:

 


 


 

Por ultimo se verifica la tensión de entrada del transformador:

 


 

Ver video:

COMPROBACION DE FUENTE DE POTENCIA LINEAL EN TARJETA ELECTRONICA DE AIRE ACONDICIONADO CONVENCIONAL 


 

1.6.4.  PRUEBA DE FUENTE DE POTENCIA CONMUTADAS.

 

Se verifica primeramente los conectores de la tarjeta:

 


 

Para medir las tensiones DC de la tarjeta, siga de los siguientes pasos:

 

En el primer paso se debe medir la tensión de salida de 5 VDC que da la tarjeta que   alimenta al controlador principal, circuitos transistorizados y otros. Para ello se coloca al multímetro en la escala adecuada para medir tensión de tipo DC.

 


 

Lo otro consiste en buscar el punto de masa y el de salida del regulador 7805:

 


 


 


En el segundo paso, se busca la medida de la tensión de 12 VDC, que alimenta a los relés, zumbadores y otros accesorios, así como al regulador 7805. Se buscan los posibles puntos de conexión de cuerdo al diagrama de la fuente:

 


 


 


En el tercer paso es medir si le está entrando la alimentación al transformador de pulso, par ello se necesita de un osciloscopio, par ello se verifica los posibles puntos de conexión de la punta del osciloscopio en el diagrama de la fuente:

 


En el cuarto paso se hace la verificación de la entrada de tensión AC y de salida DC del puente rectificador, recuerde para ello colocar el multímetro en la escala adecuada:


 


 



En el quinto paso, se realiza la verificación de la tensión de entrada AC a la fuente, en los puntos mostrados:

 


 




Ver video:

 COMPROBACION DE FUENTE CONMUTADA EN TARJETA ELECTRONICA EN CLIMATIZACION


 

1.6.5.  LA ONDA PWM Y SU USO EN EL CONTROL DE MOTORES DC , INVERSORES ONDA PURA Y VARIADORES DE FRECUENCIA.

 

Pulse width modulation o modulación por ancho de pulso en español, es una señal de onda cuadrada que posee un estado alto o High, con un tiempo definido y un estado bajo o Low con un tiempo definido.

 


 

A continuación, analicemos algunos conceptos importantes relacionados con este tipo de onda:

 

CICLO: Es la parte de la onda que no se repite en el tiempo:

 


En el caso anterior, se observan tres ciclos totalmente iguales, con la misma forma.

 

AMPLITUD ( A ): Es el máximo valor de la onda, en este caso el valor máximo de tensión de la misma:

 


PERIODO ( T ) : Es la duración de un ciclo en segundos:

 


FRECUENCIA ( F ): Es el numero de ciclos de la onda que se dan en un ( 1 ) segundo. Se mide en Hertz.

 


 

TIME ON ( Ton ): Es el tiempo en el que la señal mantiene un estado alto o HIGH.

 

TIME OFF ( Toff ): Es el tiempo en el que la señal mantiene un estado bajo o LOW.

 

CICLO DE TRABAJO O DUTY CYCLE ( DC ) : Es la relación entre el tiempo en que la onda permanece en estado alto o HIGH ( Ton ) y el período o tiempo total de la onda, expresada en porcentaje.

 


 

TENSION MEDIA ( Vm ): La tensión media es proporcional al ciclo de trabajo ( DC ) , a mayor tiempo se mantenga la señal en estado HIGH, mayor será su valor y viceversa.

 


 


Veamos unos ejemplos de la variación de la tensión media ( Vm ) en función del ciclo de trabajo ( DC ):

 






Gracias a la variación del Ton, se puede controlar la tensión que le llega a la carga y se puede controlar la velocidad en un motor de tipo DC. Este principio se usa para la construcción de una onda senoidal. para el ejemplo se va a construir la mitad de la onda senoidal, para ello se parte de una tensión cero y se inicia con Ton pequeños, estos Ton van incrementando su valor hasta obtener un DC que se incrementa de un 0% hasta un 100%, para llegar a la tensión pico de la onda.

 

Para comprender el procedimiento, primero se va a construir una onda alterna cuadrada tal como se ve:

 


 

Para ello, se necesita del siguiente circuito:

 


 

El controlador al activar los pines G o GATE de los transistores, permiten su apertura o conducción de corriente entre el Colector ( C ) y el emisor ( E ). Ara construir la primera parte de la onda:

 


El controlador activa dos transistores creando una tensión con una polaridad especifica, tal como se muestra:

 


 

Cuando el controlador desactiva las señales a los puertos G de ambos transistores, la tensión vuelve a cero ( 0 ):

 


 

Para realizar la segunda parte de la onda, el controlador activa los otros dos transistores para tener una tensión con polaridad inversa, tal como se muestra:

 


 

Cuando el controlador desactiva las señales a los puertos G de ambos transistores, la tensión vuelve a cero ( 0 ) nuevamente:

 


Y el ciclo de operación se repite crenado nuestra onda cuadrada alterna; hay que tener en cuenta, que el controlador si modifica los tiempos de las ondas, modifica también la frecuencia de esta.

 

Nuestra siguiente taré va a ser la construcción de una onda senoidal a partir de los conceptos de la tensión media y el PWM ya vistos; para ello se toma el mismo circuito, pero en este caso vamos a partir con cortos tiempo de la onda en TIME ON, sin cambiar la polaridad y se van incrementando tal como se observa:

 

Primer tiempo:

 


 


Segundo Tiempo:

 


 


Tercer tiempo:

 


 


 


 

Ahora hay que hacer el mismo proceso, pero en forma inversa, o sea, hay que ir reduciendo de a poco los TIME ON ( Ton ) de la onda para reducir la tensión de salida hasta que llegue nuevamente a cero ( 0 ), o sea, pasa de un DC del 100% a un DC del 0%.

 





Para la construcción de la otra mitad de la onda, hay que cambiar la polaridad de la onda PWM, para lograrlo, hay que activar los otros dos transistores para cambiar la polaridad y modificar los TIME ON ( Ton ) de la onda, tal como se observa:

 

Primer tiempo:

 


 


Segundo tiempo:

 


 


 

Tercer tiempo:

 


 


 


 

Ya hemos completado la onda, ahora el proceso se repite de nuevo:

 


  

Para el caso de un inversor trifásico, se necesitan de seis transistores IGBT y el proceso de construcción de las ondas desfasadas es muy similar al explicado en el inversor monofásico:

  


 


Ver video:

 LA ONDA PWM ANALISIS Y USO EN CONTROL DE MOTORES DC Y GENERACION AC


LA ONDA PWM Y SU APLICACION EN OPERACION DE COMPRESORES BLDC  EN REFRIGERACION




1.6.6.  ESTRUCTURA DE LA TARJETA INVERTER BASICA PARA AIRES ACONDICIONADOS DOMESTICOS.

 

Las tarjetas de aires acondicionados inverter tiene la función de variar las revoluciones el compresor y ventiladores de evaporador y condensador, de acuerdo con los requerimientos térmicos del recinto, con el fin de proporcionar un ahorro de energía del equipo.

 

Podemos decir que estas tarjetas son una evolución de las tarjetas convencionales conmutadas con la diferencia que poseen mas sensores y pueden manejar las potencias requeridas por los ventiladores y el compresor.

 

A continuación vamos a ver la estructura de los circuitos de la tarjetas básica que no poseen PFC ( factor de corrección de potencia )

 

 


 


En el diagrama anterior se entiende que el equipo posee dos tarjetas: una que va en la unidad interna, que tiene su propia fuente de poder y administra el display del equipo, sensores y el ventilador de evaporador; además envía información codificada a la tarjeta externa para que ambas trabajen en la optimización de la operación del equipo.

 

En la tarjeta externa está el cerebro o controlador principal que se encarga de operar otros sensores, ventilador de condensador, válvulas electrónicas de expansión, válvulas de cuatro vías y el compresor, así como las diversas alarmas.

 

En relación a su estructura electrónica, se comienza con la entrada de tensión al equipo y las primeras protecciones eléctricas constituidos por lo general por una combinación de fusibles, diodos, varistores, resistencias ptc o ntc, tal como se muestra:

 


 


 

Después de los elementos de protección eléctrica, se entra al filtro EMI, cuya fusión es la eliminar los ruidos eléctricos que vienen de la red eléctrica o que se produzca en la misma tarjeta que puedan afectar su operación.

  




 

Después del filtro EMI, viene una primera rectificación con altas tensiones, tal como se observa:

 


 

Al tener una alta tensión de tipo DC, sale la energía para el IPM ( Módulo inteligente de  poder ) que, con control del procesador principal, genera pulsos PWM de alta frecuencia desfasados que simulan tensiones y corrientes alternas desfasadas 120 grados.

 



 

 

Del capacitor electrolítico sale la alimentación de la fuente conmutada de la tarjeta, que da energía al procesador principal, circuitos integrados, reles, buzzers, sensores, etc:

 


Veamos sus partes principales:

 


 



 

 

Ver video:

 ESTRUCTURA TARJETA ELECTRONICA BASICA INVERTER DE AIRE ACONDICIONADO DOMESTICO


 

1.6.7.  ESTRUCTURA DE LA TARJETA INVERTER BASICA CON PFC PARA AIRES ACONDICIONADOS DOMESTICOS.

 

Las tarjetas de aires acondicionados inverter tiene la función de variar las revoluciones el compresor y ventiladores de evaporador y condensador, de acuerdo con los requerimientos térmicos del recinto, con el fin de proporcionar un ahorro de energía del equipo.

 

Podemos decir que estas tarjetas son una evolución de las tarjetas inverter sin PFC con la diferencia que poseen la fase de PFC que ayuda en la eficiencia energética.

 

A continuación vamos a ver la estructura de los circuitos de la tarjetas básica que poseen PFC ( factor de corrección de potencia )

 


 


 

En el diagrama anterior se entiende que el equipo posee dos tarjetas: una que va en la unidad interna, que tiene su propia fuente de poder y administra el display del equipo, sensores y el ventilador de evaporador; además envía información codificada a la tarjeta externa para que ambas trabajen en la optimización de la operación del equipo.

 

En la tarjeta externa está el cerebro o controlador principal que se encarga de operar otros sensores, ventilador de condensador, válvulas electrónicas de expansión, válvulas de cuatro vías y el compresor, así como las diversas alarmas.

 

En relación a su estructura electrónica, se comienza con la entrada de tensión al equipo y las primeras protecciones eléctricas constituidos por lo general por un fusibles, tal como se muestra ( para esta tarjeta ):

 


 


  

Después de los elementos de protección eléctrica, se entra al filtro EMI, cuya fusión es la eliminar los ruidos eléctricos que vienen de la red eléctrica o que se produzca en la misma tarjeta que puedan afectar su operación.

 


 


 

Después del filtro EMI, viene una primera rectificación con altas tensiones, tal como se observa:

 


 

A continuación, se pasa al sistema PFC, tal como se muestra:

 


 

Al tener una alta tensión de tipo DC, sale la energía para el IPM ( Módulo inteligente de  poder ) que, con control del procesador principal, genera pulsos PWM de alta frecuencia desfasados que simulan tensiones y corrientes alternas desfasadas 120 grados.

 



 

Del capacitor electrolítico sale la alimentación de la fuente conmutada de la tarjeta, que da energía al procesador principal, circuitos integrados, reles, buzzers, sensores, etc:

 


Veamos sus partes principales:

 


 


 

Con respecto al resto del circuito:


 

 

Ver video:

 ESTRUCTURA DE TARJETAS ELECTRONICAS INVERTER BASICAS CON PFC EN AIRES ACONDICIONADOS DOMESTICOS


  

1.6.8.  PRUEBA DEL REACTOR Y DEL  MODULO IPM.

  

El reactor es una bobina que hace parte ya sea del sistema de rectificación o del PFC o corrector del factor de potencia por tanto su análisis y verificación es muy importante para la eficiencia y operación de la tarjeta principal.

 

Para su verificación, siga los siguientes pasos:

 





Ver video:

ANALISIS DEL ESTADO DEL REACTOR EN TARJETAS ELECTRONICAS CON TECNOLOGIA INVERTER



Siendo el IPM la parte que alimenta al compresor, es importante la verificación del estado del miso, para ello, proceda de la siguiente forma:

 

1.Identifique la alimentación positiva ( + ) y negativa ( - ) del IMP en la tarjeta, así como los puntos de salida a compresor U, V y W.

 


 

2.Coloque el multímetro en la opción o escala de diodo, tal como se observa:

 


 

 

3.Coloque la punta negra del multímetro en la entrada positiva del IPM tal como se observa:

 


 

4.Coloque la punta roja en las salidas U, V y W que van al compresor tal como se observa y deben dar valores iguales o muy similares.

 


 


 


 

5.Coloque la punta roja del multímetro en la entrada negativa del IPM tal como se observa:

 


 

6.Coloque la punta negra en las salidas U, V y W que van al compresor tal como se observa y deben dar valores iguales o muy similares.

 


 


 


 

Ver video:

 

PRUEBA DEL MODULO IPM EN TARJETAS ELECTRONICAS CON TECNOLOGIA INVERTER

 



1.6.9.  GENERALIDADES DE LA TARJETA INVERTER PARA COMPRESORES VCC EN REFRIGERACION.

 

Este tipo de tarjetas son muy parecidas a la de los aires acondicionados, pero con la diferencia que poseen conectores o puertos para accesorios y configuraciones; también poseen varios modos de operación de acuerdo con el sistema de control de temperatura del equipo.

 

Entre las especificaciones eléctricas, pueden usar rangas de tensión amplios, lo mismo que las frecuencias de entrada requieren por lo general medios externos de refrigeración:

 


Con relación a los puntos de conexión:

 


 


 


 


 


 


 

Con relación a los modos de operación de la tarjeta, se posee tres:

MODO OPERACION DROP IN:

 


En este modo de operación, el control de temperatura lo ejerce un termostato que puede ser análogo o digital y un controlador electrónico:

 


 


MODO OPERACION FRECUENCIA: 

 


En este modo de operación, el controlador debe tener una salida de frecuencia con dos pines de conexión ( Vcc ), por medio de los cuales se envía señales de tipo PWM con unas frecuencias y amplitudes especiales para dar órdenes a la tarjeta inversora para que modifique o varie las velocidades del compresor:

 


Con respecto a la conexión tarjeta - controlador - compresor:

 


 MODO OPERACION SERIAL:




En este modo de operación, el controlador no solo debe enviar señales  a la tarjeta, sino que también debe leer las señales provenientes de esta misma; por esta razón poseen puertos de comunicación con tres pines:

 


 

En relación con las fallas de la tarjeta, posee un único led, que emite los mismos, para este tipo de tarjeta se tiene que:

 


 

Ver video:

 MODULO INVERSOR ELECTRONICO DE VELOCIDAD VARIABLE CF10B PARA COMPRESORES EMBRACO VCC



 FIN


No hay comentarios:

Publicar un comentario

Nota: solo los miembros de este blog pueden publicar comentarios.