Seguidores del blog

lunes, 29 de enero de 2024

MODULO CONTROLES ELECTRICOS EN REFRIGERACION

 

 


 

 

MODULO CONTROLES ELECTRICOS EN REFRIGERACION Y CLIMATIZACION

 

 

 

 

 

 

ING ANTONIO FAVIO OSPINO MARTINEZ

FOXMANCOL@HOTMAIL.COM

CANAL YOUTUBE: ANTONIO OSPINO

 

 

 

TABLA DE CONTENIDO DEL MODULO

 

 

Tabla de contenido

 

 

1. ELEMENTOS DE MANIOBRA Y CONTROL ELECTRICO.. 6

1.1. INTERRUPTORES BASCULANTES CON PILOTOS O TESTIGOS DE PANEL. 6

1.2. INTERRUPTORES DE LEVA ROTATORIOS O ROTATIVOS. 8

1.2.1. INTERRUPTORES DE LEVA ROTATORIOS O ROTATIVOS DE DOS POSICIONES. 8

1.2.2. INTERRUPTORES DE LEVA ROTATORIOS O ROTATIVOS DE TRES POSICIONES. 15

1.2.3. INTERRUPTORES DE LEVA ROTATORIOS O ROTATIVOS DE CUATRO POSICIONES. 24

1.3. INTERRUPTORES DE CODILLO O PALANCA.. 30

1.4. PULSADORES DE MONTAJE EN TABLERO.. 31

1.5. PULSADORES DE MONTAJE EN RIEL.. 37

1.6. MICROSWITCH, INTERRUPTOR DE FINAL DE CARRERA O PROXIMIDAD O MICROINTERRUPTORES. 39

1.7. INTERUPTORES MAGNETICOS. 39

1.8. INTERUPTORES DE ARRANQUE Y PARADA DE MOTORES MONOFASICOS Y TRIFASICOS  40

1.9. ELEMENTOS DE MANIOBRA.. 44

1.9.1. CONTACTORES. 44

1.9.1.1. CATEGORIAS DE SERVICIO EN CONTACTORES ELECTROMAGNETICOS  49

1.9.1.2. AUXILIARES DE CONTACTOR DE MONTAJE EXTERNO.. 50

1.9.1.3. CONTACTORES DE USO ESPECIAL EN REFRIGERACION Y CLIMATIZACION   53

1.9.1.4. SELECCIÓN DE CONTACTORES. 58

1.9.2. RELES O RELEVOS ELECTROMAGNETICOS CON CONTACTOS CONMUTABLES DE PINES REDONDOS. 67

1.9.3. RELES O RELEVOS ELECTROMAGNETICOS CON CONTACTOS CONMUTABLES DE PINES PLANOS DE 8, 11 Y 14 PINES. 71

1.9.3. TEMPORIZADORES O RELES DE TIEMPO.. 76

1.9.3.1. TEMPORIZADORES AL TRABAJO, ON DELAY, A LA CONEXIÓN. 76

1.9.3.2. RETARDADORES DE PARTIDA. 79

1.9.3.3. TEMPORIZADORES AL REPOSO, OFF DELAY O A LA DESCONEXION. 80

1.9.3.4. TEMPORIZADORES A LA CONEXIÓN / DESCONEXION.. 83

1.9.3.5. TEMPORIZADORES MULTIRANGO Y MULTIFUNCIONES. 86

1.9.3.6. TEMPORIZADORES ON Y OFF DELAY PARA MONTAJE EN CONTACTOR   92

1.9.3.7. TEMPORIZADORES ON Y OFF DELAY DIGITALES PARA MONTAJE EN RIEL. 94

1.9.4. TEMPORIZADORES SEMANALES. 98

1.9.5. PILOTOS, TESTIGOS O ELEMENTOS DE SEÑALIZACION DE MONTAJE EN TABLERO   99

1.9.5.1. PILOTOS O ELEMENTOS DE SEÑALIZACION DE MONTAJE EN RIEL.. 100

1.9.6. RELES TERMICOS O DE SOBRECARGA.. 103

1.9.6.1. RELES DE MONTAJE EN CONTACTOR.. 103

1.9.6.2. SELECCIÓN DE RELES TERMICOS O DE SOBRECARGA EN REFRIGERACION   111

1.9.6.3. RELES TERMICOS EXTERNOS. 114

1.9.7. RELES DE SOBRECARGA ELECTRONICOS. 117

1.9.8. RELES DE ESTADO SOLIDO O SSR.. 123

1.9.9. RELES DE VENTILADORES ( FAN RELAYS ) 135

1.9.10. VIGILANTES O MONITORES DE TENSION.. 140

1.9.11. ARRANCADORES SUAVES. 157

1.9.12. PROTECTORES DE TENSION Y CORRRIENTES MONOFASICOS Y TRIFASICOS DIGITALES. 162

1.10. CONTROLADORES ELECTRONICOS. 169

1.10.1. GENERALIDADES. 169

1.10.2. UBICACIÓN DE SENSORES DE MICROCONTROLADORES. 173

1.10.3. DIAGRAMAS UNIFILARES EN CONTROLES ELECTRICOS. 178

1.11. RESUMEN SIMBOLOGIAS. 179

2.     COMPONENTES ELECTRICOS Y ELECTRONICOS PARA CONTROL DE EQUIPOS DOMESTICOS DE REFRIGERACION.. 194

2.1.     CONTROLADORES DE TEMPERATURA. 194

2.1.2. TEMPERATURA DE CUT OUT O SETPOINT. 196

2.1.3. TEMPERATURA DE CUT IN.. 196

2.1.4. DIFERENCIAL DE TEMPERATURA, DIFF O HISTERESIS. 196

2.2. CONTROLADORES DE TEMPERATURA Y VELOCIDAD DE MOTORES AC.. 210

2.3. TEMPORIZADORES DE NEVERA NO-FROST. 216

2.3.1. TEMPORIZADOR DE NEVERA TIPO I. 217

2.3.2. TEMPORIZADOR DE NEVERA TIPO II. 219

2.4. VENTILADORES ( FANS ). 221

2.4.4. SELECCIÓN DE VENTILADORES. 223

2.5. RESISTENCIAS. 224

2.6. BIMETALICOS DE COMPRESOR ( PROTECTORES DE SOBRECARGA ) Y EVAPORADOR ( CONTROLADORES DE LA DESCONGELACION ) 225

3. COMPONENTES ELECTRICOS ESPECIALES PARA EN EQUIPOS DE AIRE ACONDICIONADO   231

3.1. RESISTENCIAS DE CARTER.. 231

3.2. TRANSFORMADORES. 232

3.3.     CONTROLES DE TEMPERATURA. 236

3.3.1. TEMPERATURA DE CUT OUT O SETPOINT. 236

3.3.2. TEMPERATURA DE CUT IN.. 236

3.3.3. DIFERENCIAL DE TEMPERATURA, DIFF O HISTERESIS. 236

3.4. TERMOSTATOS DE PARED EN ACONDICIONADORES DE AIRE.. 237

3.4.1. TERMOSTATO DE CALEFACIÓN Y ENFRIAMIENTO O DOBLE ETAPA.. 237

3.4.2. TERMOSTATO DE ENFRIAMIENTO O UNA ETAPA.. 238

3.4.3. OPERACIÓN DE UN TERMOSTATO DE PARED ANALOGO.. 240

3.4.4. SELECCIÓN DE TERMOSTATOS DE PARED.. 242

3.5. TERMOSTATO DE PARED DIGITALES. 242

3.4.5. INTERRUPTORES DE TEMPERATURA TIPO BIMETALICO.. 246

4. ACCESORIOS PARA CONTROL DE PRESION DE REFRIGERANTE Y ACEITE. 248

4.1. PRESOSTATO DIFERENCIAL DE ACEITE REGULABLE. 248

4.2. SELECCIÓN DE PRESOSTATOS DIERENCIALES DE ACEITE.. 252

4.3. PRESOSTATOS PARA EL CONTROL DE PRESION DE SUCCION Y DESCARGA DE REFRIGERANTES EN EQUIPOS. 253

4.3.1. PRESOSTATO DE BAJA PRESION O SUCCION REGULABLE. 254

4.3.2. PRESOSTATO DE CONTROL DE DESCARGA REGULABLE. 259

4.3.3. PRESOSTATOS DUALES DE CONTROL DE REFRIGERANTE REGULABLES. 263

4.3.4. PRESOSTATOS DE CONTROL DE REFRIGERANTE DIGITALES. 274

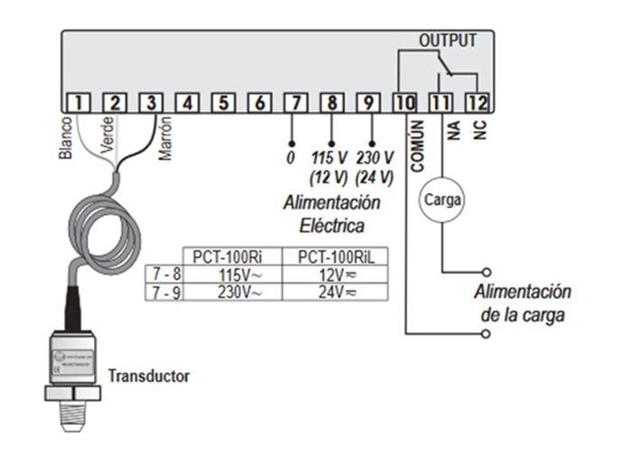
4.3.4.1. PARAMETROS DEL PCT - 400 RI. 276

4.3.4.1.2. INDICADORES Y MENSAJES DE ALERTA.. 280

4.3.5. PRESOSTATOS DE CAPSULA O MINIPRESOSTATOS NO REGULABLES. 290

4.3.6. MINIPRESOSTATOS DIGITALES ELECTRÓNICOS. 299

4.4. CALCULO DE LOS VALORES DE CONTROL DE PRESION PARA PRESOSTATOS  304

4.4.1. CALCULO DE LOS VALORES DE CONTROL DE PRESION DE CUT OUT, PRESION DE CUT IN Y DIFERENCIAL PARA EL PRESOSTATO DE ALTA O DESCARGA.. 305

4.4.2. CALCULO DE LOS VALORES DE CONTROL DE PRESION DE CUT OUT, PRESION DE CUT IN Y DIFERENCIAL PARA EL PRESOSTATO DE BAJA O SUCCION EN EQUIPO QUE NO TENGAN PAGADO POR PUMP DOWN. 308

4.4.3. CALCULO DE LOS VALORES DE CONTROL DE PRESION DE CUT OUT, PRESION DE CUT IN Y DIFERENCIAL PARA EL PRESOSTATO DE BAJA O SUCCION EN EQUIPO QUE NO TENGAN PAGADO POR PUMP DOWN. 309

4.4. AJUSTE DE LOS VALORES DE CONTROL DE PRESION PARA PRESOSTATOS ANALOGOS  314

4.4.1. AJUSTE DE LOS VALORES DE CONTROL DE PRESION PARA PRESOSTATO DE BAJA PRESION O SUCCIÓN.. 315

4.4.2. AJUSTE DE LOS VALORES DE CONTROL DE PRESION PARA PRESOSTATO DE ALTA PRESION O DESCARGA.. 324

4.4.3. AJUSTE DE LOS VALORES DE CONTROL DE PRESION PARA PRESOSTATO DUAL   335

 


 

1. ELEMENTOS DE MANIOBRA Y CONTROL ELECTRICO

 

1.1. INTERRUPTORES BASCULANTES CON PILOTOS O TESTIGOS DE PANEL.

 

El interruptor con piloto testigo de encendido, tal como su nombre lo indica, es un interruptor que posee en su interior un piloto que, de acuerdo con el tipo de piloto, al cerrar el circuito, se enciende. El interruptor con piloto posee tres tomas de conexión, dos de ellas sirven para interrumpir o cerrar el circuito de la fase y el otro ( de diferente color ) se conecta al neutro para poder encender el piloto al cerrar el circuito. Estos interruptores trabajan a 125 VAC con una corriente máxima de 15 amperios o a 250 VAC con una corriente máxima de 10 amperios. Como cuidado, se debe verificar cual es el conector de fase que enciende el piloto, dicho conector se conecta directamente con el dispositivo a encender por el interruptor, tal como se observan en los ejemplos:

 


 

Existen otros interruptores ON – OFF o de dos posiciones que poseen cuatro pines de conexión: dos de un lado para entrada y salida de corriente, otros dos para conexión neutral, con el fin de encender el piloto interno del interruptor.

 


 

Se cuenta también con interruptores de dos posiciones activas ON I y ON II que poseen seis pines de conexión: de un lado, poseen el pin central para entrada de línea y dos para las salidas de corriente; del otro lado los tres son para la conexión de una o dos líneas neutrales para encendido del piloto.

 


 

  

Por último están los interruptores ( ON – OFF – ON ) o de tres posiciones, este tipo de interruptores de seis pines, con dos comunes, activa y paga dos contactos al mismo tiempo, pero también se pueden desactivar los mismos. Se pueden emplear con o sin piloto tal como se muestra:

 


 

Ver video:

 GENERALIDADES DE INTERRUPTORES BASCULANTES EN TABLEROS DE CONTROL DE EQUIPOS DE REFRIGERACION


 

1.2. INTERRUPTORES DE LEVA ROTATORIOS O ROTATIVOS.

 

Son interruptores cuyos contactos cambian cuando se gira un selector o volanta. Existen de dos posiciones ( ON – OFF ) y de tres posiciones ( ON – OFF – ON ). Pueden estar constituidos por contactos NO o por pines con un punto común y otros pines NO.

 

1.2.1. INTERRUPTORES DE LEVA ROTATORIOS O ROTATIVOS DE DOS POSICIONES.

 

Con relación a los interruptores rotativos de dos posiciones se tienen:

 


 


 

 


 


 

Ver video:

INTERRUPTORES ROTATIVOS DE DOS POSICIONES PARA USO EN TABLEROS DE CONTROLES ELECTRICOS 


 

También se tienen interruptores de varios contactos que soportan buenos niveles de corriente y se pueden usar para controlar cargas eléctricas directamente o para sistemas de control, como los que se muestran a continuación:

 


En cuanto a su conexión, depende del tipo de circuito a controlar, a continuación, se muestran varios ejemplos para el control directos de cargas eléctricas.

 

En posición OFF:

 


  

En posición ON:

 


 

En posición OFF:

 


   

En posición ON:

 


 

Para cargas trifásicas, en posición OFF:

 


 

En posición ON:


 

En Posición OFF:

 


  

En posición ON:


 

Ver video:

INTERRUPTORES DE LEVA ROTATIVA DE DOS POSICIONES ( OFF - ON ) DE OCHO TERMINALES O PUERTOS 


 

1.2.2. INTERRUPTORES DE LEVA ROTATORIOS O ROTATIVOS DE TRES POSICIONES.

 

En relación, a los interruptores rotativos de tres posiciones se tienen:

 


 


 


 

Ver video:

INTERRUPTORES ROTATIVOS DE TRES POSICIONES PARA USO EN TABLEROS DE CONTROL ELECTRICO 


 

Se encuentran en el mercado interruptores de más de tres contactos, como:

 


En cuanto a su conexión, depende del tipo de circuito a controlar, a continuación, se muestran varios ejemplos para el control directos de cargas eléctricas.

 

En posición AUTO:

 


 

En posición MAN:

 


 

En posición MAN:

 


En posición AUTO:

 


Ver video:

INTERRUPTORES DE LEVA ROTATIVA CON TRES POSICIONES ( MAN - OFF - AUTO ) DE OCHO PUERTOS O TERMINALES 


 

A continuación, se tienen otro tipo de esta clase de interruptores con posiciones 0, 1 y 2, tal como se muestra:

 


En cuanto a su conexión, depende del tipo de circuito a controlar, a continuación, se muestran varios ejemplos para el control directos de cargas eléctricas.

 

En posición 0:

 


  

En posición 1:

 


 

En posición 2:

 


 

Se puede configurar el circuito para mover más cargas eléctricas, tal como se muestra a continuación:

 

En posición 0:

 


 

En posición 1:

 


  

En posición 2:

 


 

Ver video:

INTERRUPTORES DE LEVA ROTATIVA DE DOS POSICIONES ( 0 - 1 - 2 ) DE OCHO TERMINALES O PUERTOS


 

 

1.2.3. INTERRUPTORES DE LEVA ROTATORIOS O ROTATIVOS DE CUATRO POSICIONES.

 

En relación, a los interruptores rotativos de cuatro posiciones se tienen:

 


 

En cuanto a su conexión, depende del tipo de circuito a controlar, a continuación, se muestran varios ejemplos para el control directos de cargas eléctricas.

 

En posición 0:

 


 

En posición 1:

 


  

En posición 2:

 


 

En posición 3:

 


  

Ver video:

INTERRUPTORES DE LEVA ROTATIVA DE CUATRO POSICIONES ( 0 - 1 - 2 - 3 ) CON OCHO TERMINALES O PUERTOS 


 

Se tienen interruptores de este tipo sin posición 0, donde los contactos están abiertos, tal como se muestra:

 


En cuanto a su conexión, depende del tipo de circuito a controlar, a continuación, se muestran varios ejemplos para el control directos de cargas eléctricas.

 

En posición 1:

 


 

En posición 2:


 

 

En posición 3:

 


  

En posición 4:

 


 

Ver video:

INTERRUPTORES DE LEVA ROTATIVA CUATRO POSICIONES ( 1 - 2 - 3 - 4 ) CON OCHO TERMINALES O PUERTOS 


 

1.3. INTERRUPTORES DE CODILLO O PALANCA

 

Existen de codillo plástico y metálico. Generalmente son de bajo amperaje del orden de los 10 amperios a los 20 amperios dependiendo del tipo marca. Pueden ser de dos posiciones ( ON – OFF ) o de tres posiciones ( ON – OFF – ON ). Empleados en sistemas automotrices.

 


 

1.4. PULSADORES DE MONTAJE EN TABLERO

 

Son dispositivos de tipo eléctrico que interrumpen la corriente que va a una carga o un circuito necesitando que un operador mantenga presión sobre el dispositivo, porque al liberar el mismo , vuelve a su estado inicial.

 

Los hay de varias clases: normalmente abierto ( NO ), normalmente cerrados ( NC ), dúplex ( NO y NC de cuatro pines ) y C – NO, C – NC de tres pines. El pulsador de un botón tiene tres puntos de conexión ( un punto común C, un punto NC y un punto NO ). El pulsador de dos botones tiene cuatro puntos de conexión ( uno para circuito NC y otro para circuito NO ) a veces traen un bombillo testigo piloto.

 

En el caso de los pulsadores NC, sin activación su contacto está abierto, pero cuando se activan, cierra su contacto:

 



 

En el caso de los pulsadores NC, sin activación su contacto está cerrado, pero cuando se activan, abre su contacto:

 


 


 

También se poseen pulsadores multipropósito de tres pines, con una entrada común ( C ) con salida NC y salida NO:

 


 


Se poseen pulsadores dobles que poseen ambos contactos e incluso posee un bobillo, tal como se muestra:


 

Lo mismo que pulsadores seta abiertos y cerrados con retención o momentáneos:

 


 

En lo relacionado a la simbología, para uso en diagramas, se tienen:

 




Los pulsadores abiertos se reconocen porque sus pines de conexión tienen los números 3 – 4, mientras que los cerrados poseen los números 1 – 2.

 

Ver video:

GENERALIDADES DE LOS PULSADORES EN TABLEROS DE CONTROL DE EQUIPOS DE REFRIGERACION 


 

1.5. PULSADORES DE MONTAJE EN RIEL

 

Son pulsadores especiales para montaje en riel DIN en cajas de control eléctrico los cuales poseen múltiples contactos de tipo NC y NO, así como pilotos o testigos. Para operar con corrientes menores de 6 Amperios AC y 2 Amperios DC.

 


Con relación a sus puertos de conexión:

 


 

La aplicación común es el circuito de Start – Stop, tal como se muestra:


 
 

Ver video:

 PULSADORES DE BOTON CON MONTAJE EN RIEL DIN


 

1.6. MICROSWITCH, INTERRUPTOR DE FINAL DE CARRERA O PROXIMIDAD O MICROINTERRUPTORES

 

Son pulsadores con tres contactos COM – NC – NO o mixtos, vienen con vástagos, palanca y roldana. La función de estos mismos es la de abrir o cerrar un contacto cuando es actividad por una acción mecánica.

 


En lo relacionado con la simbología, dependiendo de los contactos del accesorio, se tiene:

 


Se pueden emplear como sensores de puertas de cuartos fríos y recintos refrigerados, para encendido de luces internas o para señal para microcontroladores.

 

1.7. INTERUPTORES MAGNETICOS

 


En la imagen se muestra un interruptor común operado magnéticamente, que se usa en sistemas de seguridad. La porción que posee los terminales roscados contiene un interruptor de láminas (que describiremos más adelante) y la porción del imán separada se monta sobre una puerta o ventana. Cuando las dos partes están separadas, el interruptor se activa. Usualmente, estos interruptores están normalmente cerrados (NC), lo que significa que el circuito está cerrado mientras el imán está cerca. Sin embargo, también se usan interruptores del tipo normalmente abiertos NO).




Se pueden emplear como sensores de puertas de cuartos fríos y recintos refrigerados, para encendido de luces internas o para señal para microcontroladores.

 

 

1.8. INTERUPTORES DE ARRANQUE Y PARADA DE MOTORES MONOFASICOS Y TRIFASICOS

 



Son dispositivos de potencia para el arranque directo de cargas como motores de tipo monofásicos o trifásicos que soportan de bajos a medianos niveles de corriente ( hasta de 30 amperios ) y tensiones de 120 A 380 VAC dependiendo de la frecuencia eléctrica.

 

Con relación a sus partes internas:

 


 

Ahora vamos a ver sus diferentes tipos de conexiones dependiendo de la tensión del motor:

 


 


 


 


 


  

Ver video:

 INTERRUPTORES DE ARRANQUE Y PARADA DE MOTORES ELECTRICOS MONOFASICOS Y TRIFASICOS 


  

1.9. ELEMENTOS DE MANIOBRA

 

1.9.1. CONTACTORES


 

Un contactor es un dispositivo con capacidad de interrumpir la corriente eléctrica de un receptor o instalación con la posibilidad de ser accionado a distancia, que tiene dos posiciones de funcionamiento: una estable o de reposo, cuando no recibe acción alguna por parte del circuito de mando, y otra inestable, cuando actúa dicha acción. Este tipo de funcionamiento se llama de "todo o nada". De acuerdo con el tipo de accionamiento se dividen en:

·                    Electromagnéticos. Su accionamiento se realiza a través de un electroimán.

·                    Electromecánicos. Se accionan con ayuda de medios mecánicos.

·                    Neumáticos. Se accionan mediante la presión de un gas.

·                    Hidráulicos. Se accionan por la presión de un líquido.

Los más usados son los electromagnéticos, su función consiste en cerrar un circuito cuando se activa la bobina que lleva en su interior. Están compuestos por los contactos ( NO ) y la bobina. Están constituidos por:

 

·                    Contactos principales. Son los destinados a abrir y cerrar el circuito de potencia. Están abiertos en reposo.

·                    Contactos auxiliares. Son los encargados de abrir y cerrar el circuito de mando. Están acoplados mecánicamente a los contactos principales y pueden ser abiertos o cerrados.

·                    Bobina. Elemento que produce una fuerza de atracción (FA) al ser atravesado por una corriente eléctrica. Su tensión de alimentación puede ser de 12, 24 y 220V de corriente alterna, siendo la de 220V la más usual.

·                    Armadura. Parte móvil del contactor. Desplaza los contactos principales y auxiliares por la acción (FA) de la bobina.

·                    Núcleo. Parte fija por la que se cierra el flujo magnético producido por la bobina.

·                    Resorte. Es un muelle encargado de devolver los contactos a su posición de reposo una vez cesa la fuerza FA.




Los contactores, de acuerdo al número de contactos, pueden ser monopolares, bipolares ( dos puertos de entrada de línea y dos puertos de salida de línea ), tripolares ( tres tomas de entrada de línea y tres tomas de salida de línea ) y tetrapolares ( cuatro tomas de entrada de línea y cuatro tomas de salida de línea ) además de los dos puntos de toma para la conexión eléctrica de la bobina actuadora.. Vienen dimensiones de acuerdo con la capacidad en corriente, los hay de 25 amperios, 40 amperios, 60 amperios, etc. Para ello, identifique la ficha que viene con ellos:

 


 




Dependiendo de su corriente nominal Ith, los hay de varias capacidades:

 


 

Los contactos de potencia se identifican porque que poseen las letras “ L “ a la entrada del contacto y  “ T “ a la salida del mismo. La bobina se activa con una tensión alterna menor, generalmente 24 VAC, pero hay algunos de mayor potencia donde la tensión de la bobina puede llegar a emplear los 440 VAC. En la mayoría de los contactores, los bornes de la bobina se identifican por A1 y A2. Cuando se le aplica esta tensión por medio de un transformador, ésta crea un campo magnético que cierra el circuito de las líneas ( L1 con T1, L2 con T2 y L3 con T3 ). Al quitar la tensión a la bobina, los circuitos se abren gracias a que el campo magnético deja de existir y por la acción del resorte de retorno. Algunos contactores vienen con unos aditamentos externos, que aprovechan la acción de la bobina para cerrar o abrir circuitos. Entre estos elementos externos que aprovechan la acción del contactor se le denominan circuitos auxiliares y pueden ser normalmente abiertos o normalmente cerrados, temporizadores y relés térmicos.

 


 

Para reconocer el estado de las bobinas de los contactores, se mide la resistencia de ellas que por lo general están con valores de:

 

TENSION DE BOBINA

RESISTENCIA EN OHMIOS

24 VAC

4.8 – 5

110 VAC

60 - 140

220 VAC

370 - 420

 

NOTA: Los anteriores valores son para contactores pequeños (menores de 4 HP )

Con respecto a la simbología de sus partes:



1.9.1.1. CATEGORIAS DE SERVICIO EN CONTACTORES ELECTROMAGNETICOS

 

Las diferentes aplicaciones de los contactores electromagnéticos de acuerdo a la categoría de servicio son:

 

CUADRO. Aplicaciones de contactores.

 

CATEGORIA DE SERVICIO CARGAS AC

 

APLICACIONES

AC1

PARA CONDICIONES DE SERVICIO LIGEROS, CARGAS RESISTIVAS O CON POCO EFECTO INDUCTIVO CON FACTORES DE POTENCIA MAYORES DE 0.95

AC2

PARA CONDICIONES DE SERVICIO NORMALES. MOTORES SINCRONICOS BAJA POTENCIA, COMO POR EJEMPLO MOTORES DE ANILLOS ROZANTES

AC3

PARA CONDICIONES DE SERVICIO DIFÍCILES, MOTORES ASINCRONICOS, ARRANQUES LARGOS DE MOTORES, CON PLENA CARGA Y FRENADOS CON CONTRACORRIENTE. MOTORES ASINCRONICOS MEDIANA POTENCIA

( COMPRESORES, VENTILADORES ) COMO POR EJEMPLO MOTORES JAULA DE ARDILLA

AC4

PARA CONDICIONES DE SERVICIO EXTREMOS, MOTORES ASINCORNICOS, ALTAS CARGAS EN SERVICIO INTERMIYENTE COMOS ASCENSORES, GRUAS

AC5a

LAMPARAS DE DESCARGA

AC5b

LAMPARAS INCANDESCENTES

AC6a

TRANSFORMADORES

AC6b

CONDENSADORES

AC7a

APLICACIONES DOMESTICAS INDUCTIVAS

AC7b

APLICACIONES DOMESTICAS INDUCTIVAS

AC8a

COMPRESORES HERMETICOS DE REFRIGERACION CON REARME MANUAL DE SOBRECARGA

AC8b

COMPRESORES HERMETICOS DE REFRIGERACION CON REARME AUTOMATICO DE SOBRECARGA

 

CATEGORIA DE SERVICIO CARGAS DC

 

APLICACIONES

DC1

PARA CONDICIONES DE SERVICIO LIGEROS, CARGAS RESISTIVAS O CON POCO EFECTO INDUCTIVO

DC3

PARA MOTORES SHUNT: ARRANQUE , INVERSION DE MARCHA,

DC5

MOTORES SERIE: ARRANQUE, INVERSION DE MARCHA

DC6

LAMPARAS DE INCANDESCENCIA

 

 

Ver video:

CONTACTORES EN REFRIGERACION 



1.9.1.2. AUXILIARES DE CONTACTOR DE MONTAJE EXTERNO

 


Son dispositivos parecidos al contactor, pero sin bobina, se acoplan ya sea frontal o lateralmente a un contactor, aprovechando el movimiento del vástago del mismo para abrir o cerrar circuitos que tiene. Pueden tener dos, cuatro o seis líneas dependiendo del modelo. Como condición general traen líneas normalmente abiertas ( NO ) y normalmente cerradas ( NC ). Cuando el contactor mueve al auxiliar, las NO cierran circuito y las NC abren el circuito.

 


NOTA:  Hay algunos contactores que traen los auxiliares incluidos; otros se venden por aparte.

 


NOTA: En los planos eléctricos, se identifican los contactores con la letra que identifica el contactor donde está y los números de sus terminales; otras veces se identifican porque tienen la palabra AUX a continuación de un número que identifica el contactor donde está ubicado.

 

Los contactos auxiliares de contactores y de sistemas de mando se marcan con dos cifras que indican:

 

·                    La cifra de función indica la operación del contacto de la siguiente manera:  1 y 2 nombran un contacto normalmente cerrado; 3 y 4 un contacto normalmente abierto.

 

Con respecto a la simbología de los contactos auxiliares:

  


1.9.1.3. CONTACTORES DE USO ESPECIAL EN REFRIGERACION Y CLIMATIZACION

 

Existe una serie de contactores de uso especial en refrigeración los cales no poseen contactos auxiliares, tales como se muestran a continuación:

 









 

Ver video:

CONTACTORES DE USO ESPECIAL EN REFRIGERACION 



En lo relacionado a las simbologías de las partes del contactor para uso en diagramas eléctricos, podemos identificar:

 



 


 

 

1.9.1.4. SELECCIÓN DE CONTACTORES

  

Para la selección de contactores ya sea para motores eléctricos o para compresores, debe tener en cuenta los siguientes aspectos:

 

·         Tensión de operación de la bobina contactor ( 24, 120, 220, 440 VAC )

      Número de contactos auxiliares NO y NC del contactor

      La potencia y tensión de la carga eléctrica.

      Capacidad de corriente de los contactos de potencia o Ith.

      Número de contactos de potencia ( Monopolares, Bipolares, tripolares)

      El tipo de aplicación.

 

Para el caso de motores eléctricos tenga en cuenta los siguientes pasos:

 


 


 

 


 

 


 

 


 


 




Para el caso de selección de contactores para compresores de refrigeración, la situación es un poco ms fácil, ya que en los documentos del fabricante están los datos requeridos para ello:

 









 


 


 

Ver video:

 SELECCION DE CONTACTORES EN REFRIGERACION


 

1.9.2. RELES O RELEVOS ELECTROMAGNETICOS CON CONTACTOS CONMUTABLES

 


Son dispositivos que funcionan semejante a un contactor, poseen bobina de excitación y contactos C - NO y C - NC con uno o varios puntos comunes. Las bobinas de excitación o contacto pueden funcionar a 24 V, 120 V o 220 V dependiendo del modelo. A diferencia de los contactores, los relés poseen un punto común C y contactos normalmente cerrados. Pueden tener también varios pines de contacto de acuerdo al número de los mismos:

 

·                     Ocho ( 8 ) pines: Dos de ellos son los puntos de conexión de la bobina, dos puntos comunes, dos puntos NC y dos puntos NO.

 

·                     Once ( 11 ) pines: Dos de ellos son los puntos de conexión de la bobina, tres puntos comunes, tres puntos NC y tres puntos NO.

 

También hay que tener en cuenta el amperaje de operación de los contactos dependiendo la carga a la que se conecten, pero generalmente son de 10 amperios.

 

Estos tipos de relé se fijan a unas bases en donde se enumeran cada uno de los pines para su conexión.

 

·                     El de ocho pines posee ocho puntos de conexión.

 

·                     El de once pines posee once puntos de conexión.

 

 

En el relé de 8 pines, los contactos son:

 

1 C – 4 NC

1 C – 3 NO

8 C – 5 NC

8 C – 6 NO

 


Los puntos de conexión de la bobina está en los puntos 2 y 7.

 


 

En el relé de 11 pines, los contactos son:

 

1 C – 4 NC

1 C – 3 NO

6 C – 5 NC

6 C – 7 NO

11 C – 8 NC

11 C – 9 NO

 Los puntos de conexión de la bobina esta entre los puntos 2 y 10

 

 




Cuando se desenergiza la bobina del relé, los contactos vuelven a sus condiciones iniciales. Sin embargo, existe un tipo de relé que cuando su bobina se activa quedan fijados o enclavados los contactos y para volverlos a su posición inicial hay que activar otra bobina. A dicho tipo de relé, se les denomina relés enclavados. En cuanto a la simbología para su uso en diagramas eléctricos, se tienen:

 


 


 

Ver videos:

RELES ELECTROMAGNETICOS


 


También se tiene una serie de relés con pines planos, tal como se observan:

 


 

Con relación a los pines de conexión:

 


 


 

Ver video:

 MINIRELES ELECTROMECANICOS DE 8 PINES PLANOS PARA MONTAJE EN RIEL



 Con relación a los relés de 11 pines planos se tienen las siguientes características:

 


 


 

Ver video:

 RELE ELECTROMAGNETICO MINIATURA DE 11 PINES PLANOS



 

Con relación a los relés de 14 pines planos se tienen las siguientes características:

 


 


 

Ver video:

 RELE ELECTROMAGNETICO MINIATURA DE 14 PINES PLANOS



 

1.9.3. TEMPORIZADORES O RELES DE TIEMPO

 

Son relés con dispositivos de tiempo los cuales abren o cierran contactos durante y al final de dicho tiempo. Los temporizadores más sencillos no poseen puntos de conexión de la bobina y traen la conexión de sus contactos, como en el caso de los ICM o retardadores de partida; la precisión de tiempo no es muy exacta. Los temporizadores de mayor precisión, al igual que los contactores, tienen una bobina que actúa para cerrar o abrir los contactos; dependiendo del modelo dicha bobina puede funcionar con tensiones alternas o directas. También posee un dispositivo programable de tiempo o dial. Y en algunos modelos tiene un puerto TRIGGER o disparador que es el que recibe la orden para activar el tiempo de conteo

 

1.9.3.1. TEMPORIZADORES AL TRABAJO, ON DELAY, A LA CONEXIÓN.

 

Sus contactos normalmente abiertos o cerrados cambian de estado después de transcurrido el tiempo previamente programado. También se les conoce como temporizadores a la energización, on delay o de acción diferida posterior a la excitación. Por lo general son temporizadores de ocho pines con las siguientes características:

 


  

Para este equipo, que no posee TRIGGER, en cuanto a su comportamiento u operación, al energizar la bobina del temporizador, comienza en el conteo programado en el dial de este y los contactos mantienen sus estados sin conmutar:

 

 

Al final del conteo, los contactos conmutan, el que estaba cerrado se abre y el que estaba abierto se cierra.

 


Como observación final, para que los contactos vuelvan a sus estados iniciales, se apaga o desconecta la bobina del temporizador

 Si desea comprobar estos resultados, realice el siguiente circuito de prueba.:


 

En lo relacionado con la simbología para su uso en los diagramas eléctricos, se tienen:

 


 

1.9.3.2. RETARDADORES DE PARTIDA.

 

Son temporizadores con un contacto abierto de dos pines al trabajo u On Delay. Estos por ser simples, no son muy precisos, y tienen un cable puentes. Cuando el temporizador posee el cable puente, este está configurado para trabajar para 24 VAC, pero si se corta el cable puente se configura para trabajar hasta 220 Vac en serie con la carga ( de baja potencia ) que se desea controlar.

 


En cuanto a la configuración para cargas a 24 VAC se tiene:

 




Con relación a la configuración para cargas de 120 o 220 vac, se tiene:

 


1.9.3.3. TEMPORIZADORES AL REPOSO, OFF DELAY O A LA DESCONEXION.

 

En estos temporizadores, al energizarse su bobina, sus contactos cambian de forma inmediata y permanecen así mientras siga encendido el temporizador. Al desenergizarlo, comienza en tiempo de conteo programado, sus contactos siguen en su estado y solo cambian o conmutan al finalizar el mismo.

 


 

En cuanto a su operación, al energizar la bobina del temporizador, sus contactos cambian sus estados en forma automática y permanecen así mientras este energizado el temporizador.

 


 

Si se desenergiza el temporizador, comienza el tiempo de conteo programado y los contactos siguen sin conmutar durante este tiempo. Al finalizar el tiempo de conteo, los contactos conmutan a sus estados iniciales.

 




Si desea realizar una prueba de operación de este tipo de temporizador, se sugiere la siguiente conexión:

 


 

Con relación a sus simbologías, se tiene:

 


 

1.9.3.4. TEMPORIZADORES A LA CONEXIÓN / DESCONEXION

 

Son temporizadores que combinan la operación de los on delay y los off delay. Son contactos que tienen ambas funciones, o sea, al energizarse el temporizador y/o presionar el start del mismo, comienza el conteo para la activación o conmutación del contacto; al desenergizar el temporizador, comienza el tiempo de conteo que al final del cual vuelve a su estado inicial. Traen, por lo general, dos diales o selectores de tiempo: uno para el tiempo de activación y otro para el tiempo de desactivación:

 


 

Con relación a su forma de operar, al energizar la bobina del temporizador, comienza en el conteo programado en el dial del mismo para el retardo a la conexión y los contactos cambian sus estados al finalizar este primer conteo.


 
 

Si se desenergiza el temporizador, comienza el tiempo de conteo para desconexión y los contactos permanecen sin conmutar. Al finalizar el tiempo de conteo de desconexión, los contactos conmutan a sus posiciones iniciales.

 


 

Si desea probar uno de estos temporizadores, puede realizar el siguiente circuito:


 

 

En lo relacionado con la simbología de las partes de este temporizador, para su uso en diagramas, se tienen:

 


 

1.9.3.5. TEMPORIZADORES MULTIRANGO Y MULTIFUNCIONES

 

Se les denomina multirango porque tienen o se les pueden programar diferentes rangos de tiempos y multifunciones porque se les pude programar diferentes modos de operación. Los temporizadores multirango para hacerlos actuar, se les debe accionar o conectar un contacto para que pueden empezar el conteo ( contacto START ); un contacto para interrumpir el conteo ( contacto GATE o INHIBIT ) y un contacto para reiniciar el conteo ( Contacto RESET ). Estos temporizadores vienen con una base de pines ( por lo general 11 pines ) para su instalación en una regleta omega. Estos temporizadores vienen con selectores de funciones para que sus contactos pueden funcionar como On Delay u Off Delay u otros modos.

 

Los hay análogos y digitales, ya sea de 11 y 8 pines, veamos las características de este temporizador multirango, multipropósito análogo de 11 pines:

 


 

Algunos de estos posee un contacto temporizado ( para el caso, el que tiene común el 11 ) y un contacto que opera como contacto de relé, ósea, al energizar el temporizador el contacto conmuta ( para el caso, el que tiene común el 1 ).

 

Tienen la función de conteo, pausa y reset o reinicio de conteo, cuando se puentean unos pines del temporizador, para este caso se tiene la siguiente conexión:

 


 

En el caso de algunos temporizadores digitales de 8 pines, solo posee un contacto temporizado, tal como se muestra:

 


 

También tienen las funciones de conteo, pausa y reset o reinicio de conteo, cuando se puentean unos pines del temporizador, para este caso se tiene la siguiente conexión:

 


 

En cuanto a los modos de operación o funcionamiento para algunos temporizadores, se identifican los siguientes:

 

·                    Modo Signal On Delay: Los contactos se comportan como accionados o dirigidos como contactos al trabajo o a la conexión.

  

·                    Modo Flicker Off: En este modo, el temporizador se comporta como un generador de pulsos, cuya duración se especifica en el dial de tiempo del mismo. Al encender el temporizador y comenzar el tiempo de conteo, los contactos no conmutan sino después de finalizar el mismo, después esperan otro tiempo para volver a conmutar y así sucesivamente. Este generador de pulsos finaliza cuando se activa la opción Reset.

 

·                    Modo Flicker On: En este modo, el temporizador también se comporta como un generador de pulsos, cuya duración se especifica en el dial de tiempo del mismo. Al encender el temporizador y comenzar el tiempo de conteo, los contactos conmutan inmediatamente y espera el tiempo de conteo, después de finalizar el mismo, vuelven a conmutar y así sucesivamente. Este generador de pulsos finaliza cuando se activa la opción Reset.

 

·                    Modo Off Delay: En este modo, al iniciarse el tiempo de conteo, el contacto conmuta inmediatamente, espera el tiempo de conteo y al finalizar el mismo vuelve a su estado inicial o cuando estaba apagado el temporizador

 

  

1.9.3.6. TEMPORIZADORES ON Y OFF DELAY PARA MONTAJE EN CONTACTOR

 

Son temporizadores muy parecidos en su forma a los bloques de auxiliares de los contactores, de montaje frontal que tienen dos contactos temporizados uno NC y otro NO. Este tipo de accesorios posee un bajo rango de tiempo que va desde 0,1 a 3 segundos, 0,1 a 30 segundos y 10 a 180 segundos.

 


Sus contactos pueden manejar tensiones de 500 VAC y corrientes hasta de 10 amperios, dependiendo del fabricante y modelo.

 

El Trigger o disparador de este temporizador se da cuando se energiza el contactor, partir del cual comienza el tiempo de conteo programado en el dial o selector de tiempo.

  

Como se especificó anteriormente bien en montaje frontal de los contactores, tal como se muestra a continuación:

 


 

Ver videos:

 TEMPORIZADOR OFF DELAY TIPO BLOQUE DE MONTAJE EN CONTACTOR



 TEMPORIZADOR ON DELAY TIPO BLOQUE DE MONTAJE EN CONTACTOR


 

1.9.3.7. TEMPORIZADORES ON Y OFF DELAY DIGITALES PARA MONTAJE EN RIEL.

 

Son temporizadores para montaje en los contactores que pueden operar ya sea en modo On Delay u Off Delay, se caracterizan porque su flexibilidad, rango de tiempo de trabajo, etc. Esta serie, por lo general, el tiempo de conteo se hace con el puerto TRIGGER o disparador.

 


 

Con relación con los accesorios que se pueden usar para la señal del trigger, se pueden usar:

 



 

 


 

En cuanto al comportamiento de los contactos del temporizador, depende del modo de operación, y del tipo de contacto, y se relacionan a continuación:

 


 


 

Ver video:

 TEMPORIZADORES AL TRABAJO Y AL REPOSO ( ON OF DELAY ) DIGITALES DE MONTAJE EN RIEL DIN


 

Ver otros videos relacionados con temporizadores:


 GENERALIDADES DE LOS TEMPORIZADORES APLICADOS EN SISTEMAS DE CONTROLES ELECTRICOS



 CONFIGURACION Y OPERACION DE TEMPORIZADORES MULTIRANGOS MULTIPROPOSITOS ANALOGOS Y DIGITALES



 OPERACION Y CONFIGURACION DE TEMPORIZADORES ON DELAY O A LA CONEXION EN CIRCUITOS CONTROL ELECTRICO


 

1.9.4. TEMPORIZADORES SEMANALES

 

Son temporizadores, de tipo digital, los cuales pueden configurar periodos de encendido y apagado de un equipo ( estos periodos se le denominan LEVAS ), estos periodos pueden ser varios en un día, por varios de a toda la semana, de acuerdo a la programación que se le dé.

 

Traen de 4 a cinco pines de conexión. Dos de ellos son la alimentación del temporizador, que pueden ser de 220 VAC, 120 VAC, 48 VDC, 36 VDC, 24 VDCV y 12 VDC. Los otros dos pines con un contacto NO o de tres pines con C _ NO y NA.

 


 

Ver video:

GENERALIDADES DE LOS TEMPORIZADORES SEMANALES 



 

1.9.5. PILOTOS, TESTIGOS O ELEMENTOS DE SEÑALIZACION DE MONTAJE EN TABLERO

 


 

Son bombillos o testigos que generalmente trabajan a 110/220 VAC, pero también existen los que trabajan a 12 VDC, 24 VDC y 24 VAC; se emplean para verificar el encendido de un aparato eléctrico, para lo cual se conectan en paralelo con el mismo. Son de bajo consumo de corriente y vienen en diferentes colores. En lo relacionado con la simbología de este elemento y otros, para su uso en diagramas eléctricos, se tienen:


 

1.9.5.1. PILOTOS O ELEMENTOS DE SEÑALIZACION DE MONTAJE EN RIEL

 


 

Son pilotos o luces para riel que trabajan con tensiones AC/DC de 12, 24, 110 y 220 voltios; pueden venir con un solo piloto o dos pilotos.

 

Entre sus diferentes usos están:

 


 



 

 

Ver video:

 LAMPARAS, PILOTOS TESTIGOS LED DE MONTAJE EN RIEL DIN PARA USO EN CONTROLES DE REFRIGERACION


 

1.9.6. RELES TERMICOS O DE SOBRECARGA


1.9.6.1. RELES TERMCOS DE MONTAJE EN CONTACTOR

Son relés los cuales tienen, por lo general, un contacto auxiliar NC, un contacto NO, un botón de prueba ( TEST ), un botón o selector de operación y rearme ( RESET ), un botón de parada ( STOP ) y poseen un selector o dial de amperaje. La función de estos relés es la de medir la corriente que pasa por ellos y al sobrepasar la corriente establecida en el dial, cambian el estado de sus contactos NC y NO, permaneciendo en ese estado hasta que se rearme el sistema.



Estos elementos, por lo usual, se conectan físicamente a las tomas de salida de los contactores, y sus contactos se conectan en serie con la bobina del contactor, para que cuando se exceda el valor de corriente establecida en el térmico, al abrir sus contactos NC, se desactive la bobina del contactor, convirtiendo a este último en una especie de breaker o disyuntor.

 






 

Vienen en una amplia gama de rangos de corriente, desde 0.15 hasta 30 amperios o más. Tenga en cuenta el valor del RLA y FLA o Im de la máquina para ajustar el valor de corriente en el relé térmico.

 


Hay otra información importante y es la relacionada con la clase del relé; se tiene tres clases:

 


Con respecto a la activación de sus contactos auxiliares, hay que tener en cuanta que si la corriente que pasa por sus puertos ( I ) sea menor o igual a la corriente de ajuste ( Ir ) del relé, los contactos no van a activarse.

 


 

Cuando la corriente I es mayor Ir, entonces, dependiendo del múltiplo o que tanto sea mayor, los contactos se activarán ya sea en horas minutos o segundos como se analiza en la siguiente tabla:

 


Para este ejemplo Ir es de 12 amperios, observa en la gráfica que, si la corriente I es de 12 amperios, los contactos no conmutan, pero si la corriente I es 1.5 Ir, o sea con 18 amperios, entonces los contactos se activan en minutos dependiendo la clase del relé, de acuerdo a la siguiente gráfica:

 


En lo relacionado con su circuito de control, el auxiliar normalmente abierto se usa para conectar un piloto de alarma y el auxiliar normalmente cerrado se usa para conectarse en serie con la bobina del contactor donde opera, de esta forma, al activarse el relé, se enciende el piloto y apaga la bobina del contactor.

 


En cuanto a las conexiones de potencia las veremos a continuación:


 

 


 


 


 


 

Estos relés térmicos, poseen dos estados de funcionamiento: el estado automático, donde se rearma automáticamente y el rearme manual. En el rearme manual, cuando se activa el relé, sus contactos cambian o conmutan y quedan en ese estado, para rearmar el relé, tenga en cuenta:

 

·                    Esperar un poco a que se enfríe el relé térmico.

·                    Presione el botón de raerme o selector automático manual o RESET .


En lo relacionado con la simbología de las partes del relé térmico para su uso en diagramas eléctricos, se tienen:

 


Con relación al tipo de rearme de los contactos auxiliares, está el automático y el manual:

 


 

1.9.6.2. SELECCIÓN DE RELES TERMICOS O DE SOBRECARGA EN REFRIGERACION

 

Existen dos formas de seleccionar el relé térmico o de sobrecarga adecuado para un compresor de refrigeración.

 

El primer método necesita de los valores de corriente nominal de trajo ( RLA ) y corriente de sobrecarga del compresor ( FLA )

 


 

Ahora divida el valor del FLA entre 1,5 para obtener el valor de ajuste Ir del relé térmico para cada compresor. Para el primer compresor el resultado es:

 

Ir = ( 10,2 A / 1.5 ) = 6,8 A

 

Para el segundo compresor, el resultado es:

 

Ir = ( 25 A / 1.5 ) = 16,6 A

 

Verificado que el valor del Ir sea mayor que el del RLA del compresor, seleccione un rele cuyo rango de corrientes contenga al valor del Ir. Si el valor del Ir calculado es menor que el valor del RLA, tome como referencia de Ir el valor del RLA.

 

Para el caso del primer compresor como el Ir calculado ( 6.8 A ) es menor que el RLA ( 7,3 A ), entonces se trabaja el Ir con el valor del RLA, para el caso, para este primer compresor, con el Ir de 7,3, se selecciona el rango del relé térmico o de sobrecarga que contenga este valor:

 


 

Para el caso del segundo compresor como el Ir calculado ( 16.6 A ) es mayor que el RLA ( 10 A ), entonces se trabaja el Ir con el valor calculado de 16.6 amperios y se selecciona el rango del relé térmico o de sobrecarga que contenga este valor:


 

 

En caso que no se conozca el valor del FLA del compresor, asuma el valor del Ir con un valor ligeramente superior al del RLA del compresor o puede tomar el valor del RLA del compresor.

 


 

Para el caso del primer compresor, entonces se trabaja el Ir con el valor del RLA; con el Ir de 7,3 u 8 amperios se selecciona el rango del relé térmico o de sobrecarga que contenga este valor:

 


Para el caso del segundo compresor, entonces se trabaja el Ir con el valor del RLA; con el Ir de 10 u 11 amperios, se selecciona el rango del relé térmico o de sobrecarga que contenga este valor:

 


Ver videos:

GENERALIDADES DE LOS RELES TERMICOS O DE SOBRECARGA



 FUNCIONAMIENTO RELE TERMICO


1.9.6.3. RELES TERMICOS EXTERNOS

 

 

Son relés los cuales tienen no viene diseñados para acoplarse directamente a un contactor y por esta razón son de montaje externo, se pueden usar con cualquier tipo de contactor y por lo general traen un contacto auxiliar NC, un contacto NO, un botón de prueba ( TEST ), un botón de parada ( STOP ) y poseen un selector o dial de corriente:

 

 

Con relación a la conexión de control se les muestra el siguiente circuito:

 

 

Con relación a las conexiones de potencia:

 


 

 

Ver video:

 

RELE DE PROTECCION O SOBRECARGA TERMICA DE CONEXION EXTERNA

https://youtu.be/HpC62P7ITzQ

 

 


1.9.7. RELES DE SOBRECARGA ELECTRONICOS EXTERNOS

 

Es un dispositivo que protegen a los motores eléctricos de corrientes de sobrecarga y caídas o pérdida de fase, línea o tensión. Pueden ser monofásicos o trifásicos y análogos y digitales.

 


 


 

Este dispositivo realiza el mismo trabajo del relé térmico, pero posee otras opciones de control, como temporizadores internos para corrientes de arranque ( D – TIME ), temporizador para corriente de sobrecarga ( O – TIME ),  pantalla de información, etc. Entre sus ventajas están que son de conexión externa al contactor, por lo cual se pueden usar con cualquier tipo de contactor. Entre sus características se tienen:

 


 


Con relación a su conexión de control se poseen los siguientes circuitos con pulsadores:

 


 


 

Circuito de control con interruptores:

 


 


  

En relación con el circuito de potencia:

 


 


 

Ver videos:

 RELE DE SOBRECARGA ELECTRONICO CON CONTROLES ANALOGOS



 RELE DE SOBRECARGA ELECTRONICO CON PANTALLA DIGITAL


 

1.9.8. RELES DE ESTADO SOLIDO O SSR

 Son relés ausentes de bobinas generalmente construidos a partir de elementos electrónicos tales Triacs, transistores, etc. Las señales de control o de activación de los controles de potencia ( INPUT ) pueden ser señales de tipo DC o AC con tensiones entre 3 a 32 VDC, 70 a 280 VAC, etc, dependiendo del fabricante.

 

Las cargas para conectar con este tipo de relé son, por lo general, cargas de tipo resistivas AC o DC, pero también se pueden conectar cargas inductivas con corrientes de arranque similares a las de trabajo y otras cargas inductivas con ayuda de variadores de frecuencia o arrancadores suaves.

 


Para su operación se necesita adaptarles un disipador de calor ya sea de conexión natural o convección forzada con ventilador para su refrigeración.


 

Entre sus ventajas están:

 

·                    No producen ruidos al momento de la conmutación.

·                    Prácticamente posee un número de maniobras infinito.

·                    Se controlan con bajas corrientes y tensiones.

·                    Poseen gran resistencia mecánica.

·                    Tienen reducidas dimensiones.

·                    Mas resistentes a la intemperie.

·                    De rápido accionamiento

 

Entre sus desventajas están:

 

      Mas costosos.

      Requieren disipadores de calor.

      En caso de falla es posible que el contacto de potencia quede cerrado.

      Accesorios externos especiales.

      Baja tolerancia para soportar sobrecargas instantáneas o corrientes por encima de su capacidad nominal

 

Entre los detalles de sus pines de conexión para los relés monofásicos se tienen:

 


 

Entre los detalles de sus datos eléctricos:

 


 

Entre sus conexiones de potencia se tienen:

 


 


 


 

Con respecto a sus circuitos de control son sencillos tal como se observa:

 


 


 

En lo relacionado con la simbología para su uso en los diagramas eléctricos, se tienen:

 


 

Ver video:

 RELES DE ESTADO SOLIDO MONOFASICOS EN REFRIGERACION


Con relación a los relés de estado sólido trifásicos, entre los detalles de sus pines de conexión se tienen:

 

 

Entre los detalles de sus datos eléctricos:

 


 Entre sus conexiones de potencia se tienen:

 

 

Para el anterior esquema se poseen los siguientes circuitos de control:

 


 



 

También pueden trabajar junto con otros accesorios como relés de sobrecarga, tal como se observa:

 


 Para el anterior esquema se poseen los siguientes circuitos de control:

 



 



Con respecto a su simbología:

 


 

Ver video:

RELES DE ESTADO SOLIDO TRIFASICOS EN REFRIGERACION



 

1.9.9. RELES DE VENTILADORES ( FAN RELAYS )

 

Son relés de uso especial para la alimentación de ventiladores en especial los ventiladores de condensador de equipos de climatización.

 

Sus bobinas pueden operar con tensiones de 24, 1120 y 220 VAC, y pueden venir con un solo o varios contactos entre los cuales se tienen:

 


 


 

Entre sus diagramas de conexión se tienen:

 


 


  

También se tiene disponibles, relés con doble contacto como:

 


 

Entre sus diagramas de conexión se tienen:

 





 

 

Entre sus diagramas de conexión se tienen:

 


 


 

 

Ver video:

 RELES O FANS RELAYS PARA VENTILADORES EN EQUIPOS DE REFRIGERACION Y CLIMATIZACION


 

1.9.10. VIGILANTES O MONITORES DE TENSION

 

Como su nombre lo indica, la función de estos dispositivos es la de vigilar el estado de tensión de sistemas ya sean monofásicos o trifásicos, muchos de ellos vienen con selectores donde se pueden programar varios datos. Estos sistemas protegen de:

 

·                    Subtensión.

·                    Sobretensión.

·                    Ausencia de fase.

·                    Inversión de fase.

 

De acuerdo al tipo de carga que manejan los hay monofásicos a 120 y 220 VAC así como  trifásicos.

 


 


 


Posee varios pines de conexión y leds de indicaciones:

 


 

 

Para los que no traen pines incorporados, la conexión a red o toma domiciliaria sería:


 

Entre los vigilantes de tensión trifasicos, los hay de varios tipos para montaje en riel, analogos y digitales, etc:


 

En el caso de los analogos, poseen pines de conexión, leds de indicaciones y selectores de baja tensión, alta tensión, temporizacion.

 


Cortesía Brekermatic

 

Estos dispositivos vienen con un contacto al estilo relé con su punto común, salida NC y salida NO, los cuales, conmutan, cuando la tensión de la red sobre pasa los valores ajustados en el dispositivo.

 

Cuando el vigilante de tensión detecta que las condiciones programadas en el mismo se cumplen o son normales, entonces el contacto del mismo conmuta, o sea, que el contacto TC – NA se cierra y el contacto TC – NC se abre,

 

En caso de que la tensión de la fuente este por fuera de los niveles normales programados y exista una inversión de fases, entonces el contacto TC – NA vuelve a abrirse y el contacto TC – NC vuelve a cerrarse.

 

En los vigilantes de tensión trifásicos, tienen tres selectores:

 

·                    Selector de baja tensión: El cual puede seleccionarse por lo general los valores de 149, 171, 204 y 214 VAC. Cuando los valores de tensión de línea caen por debajo del valor programado por este selector, el relé interno del mismo conmuta sus contactos y se enciende el led de alarma por baja tensión.

·                    Selector de alta tensión: El cual puede seleccionarse por lo general los valores de 225, 257 y 278 VAC. Cuando los valores de tensión de línea están por encima del valor programado por este selector, el relé interno del mismo conmuta sus contactos y se enciende el led de alarma por alta tensión.

·                    Selector de ciclo de espera: Tiene la función de volver a conmutar los contactos a sus estados de funcionamiento normal, después de un tiempo determinado con este mismo selector, contado desde el momento que las condiciones de tensión o fase vuelven a sus estados normales.

 


 

 


 Ver video:

FUNCIONAMIENTO VIGILANTE TENSION BREAKERMATIC TRIFASICO 



Hay otros tipos de vigilantes de tensión de tipo Monofásicos, Bifásicos y Trifásicos que vienen para montaje en riel DIN, Con bases de 8 y 11 pines.

 


 

Se tienen otros digitales con función de voltímetro:

 


 

En lo relacionado con su conexión:

 


 

Ver video:

GENERALIDADES DE LOS VIGILANTES DE TENSION 



 FUNCIONAMIENTO VIGILANTE TENSION DIGITAL MAC3


 

A continuación, nos referimos a un controlador muy especial que es el PHASE LOG de FULLGAUGE.

 

Es un instrumento para montaje en panel o tablero, para el monitoreo y protección de equipos eléctricos de instalaciones industriales, comerciales y residenciales. Su función principal consiste en la vigilancia o monitoreo de la calidad de la energía y protege cargas mono/bi/trifásicas contra: sub y sobretensiones, asimetría angular y modular, falta de fase e inversión en la secuencia de fases.

 

En especial posee comunicación serial para conexión con el programa SITRAD y al mismo tiempo es voltímetro.



Sus pines de conexión, se muestra a continuación:

 


También podemos encontrar esta variante del equipo:



Con relación al panel frontal del equipo:

 


Es un equipo muy versátil que pude monitores sistemas a 120 VAC, 220 VAC, trifásicos conexión delta y trifásicos conexión estrella, tal como se observa:

 


 


 



 

Además de inversión de fases, altibajos de tensión posee otras características de protección especiales:

 


 


 

Posee varios parámetros de programación., aquí les resto los más importantes:



Veamos el significado de ellos:

 


 


 



 

Entre las alarmas que muestra se tiene:

 


  

Ver videos:

 GENERALIDADES CONTROLADOR FULLGAUGE PHASE LOG E PLUS PARA USO EN SISTEMAS DE REFRIGERACION



PROGRAMACION CONTROLADOR FULL GAUGE PHASE LOG E PLUS PARA CONTROL EN EQUIPOS DE REFRIGERACION


 

 

1.9.11. ARRANCADORES SUAVES

 Es un equipo o dispositivo de potencia eléctrica que permite controlar el arranque y apagado de motores trifásicos de inducción. Su funcionamiento radica en el control de las tensiones y corrientes, así como el par de arranque.

 

 

Poseen varios pines o puertos de conexión, como los de entrada de potencia, salida de potencia, alimentación del arrancador y otros, tal como se muestra:

 

 

En lo relacionado a indicadores de operación y selectores de funcionamiento:

 


Se poseen los siguientes selectores:

 

·         Selector del tiempo de la rampa de aceleración: Es para escoger el tiempo en segundo en llegar del inicio del encendido del motor a su máxima capacidad o potencia.

·         Selector del tiempo de la rampa de desaceleración: Es para escoger el tiempo en segundo en llegar del inicio del apagado del motor a su detención completa.

·         Selector del porcentaje de voltaje con que se inicia el encendido o arranque del motor: Se selecciona el porcentaje del voltaje con que se inicia el arranque del motor hasta llegar a su 100%

 

Veamos ahora las conexiones de potencia:


 

Veamos ahora el control y operación con interruptor:

 


 

 

Veamos ahora el control y operación con pulsadores:


 

 


 

En lo relacionado al comportamiento de las tensiones, corrientes y potencia del motor en el arranque y apagado se tiene:

 


 

Entra las ventajas de uso están:

 

      Arranque y paradas de motor suaves.

      Programación de los tiempos de arranque y parada.

      Programación del porcentaje de voltaje con el que se inicia el encendido del motor.

      Reducción de las corrientes de arranque del motor.

      De fácil instalación y operación.

      Reducción del desgaste mecánico del motor.

 

En cuanto a sus desventajas están:

 

      De costo moderado.

      Generan armónicos.

      No permiten controlar la velocidad de rotación del motor en proceso como los variadores de frecuencia.

 


Ver video:

USO DE ARRANCADORES SUAVES EN EL ARRANQUE DE COMPRESORES EN REFRIGERACION


 

 

1.9.12. PROTECTORES DE TENSION Y CORRRIENTES MONOFASICOS Y TRIFASICOS DIGITALES.

 

Son equipos para el control de problemas que se presentan con las tensiones y corrientes de línea y ofrecen las siguientes protecciones

 

      Protección contra sobre tensiones.

      Protección contra bajas tensiones.

      Protección contra sobre corriente.

      Protección contra el desbalance de las corrientes trifásicas ( Trifásico ).

      Protección por inversiones de fase ( Trifásico ).

      Protección contra rotura de línea.

      Protección contra fallos de fase

 


 

En lo relativo a las conexiones, para los sistemas monofásicos se tienen las siguientes opciones:

 


 


 

Puede eliminarse el interruptor termomagnético principal, quedando los siguientes esquemas:

 



Para los sistemas trifásicos, se poseen las siguientes conexiones:


 
  

Si se desea prescindir del breaker principal, los esquemas son:

 


 


En lo relacionado con la programación de los equipos monofásicos:

 


 


 

Ver video:

 GENERALIDADES DEL PROTECTOR DE TENSION Y CORRIENTE MONOFASICO DIGITAL



1.10. CONTROLADORES ELECTRONICOS

 

1.10.1. GENERALIDADES

 

Son dispositivos electrónicos tipo Micro PLC programados para su uso en el área de refrigeración, los cuales se pueden programar tanto los tiempos de refrigeración y descongelación, temperaturas de corte de operación, paradas automáticas de proceso, etc.

 

Sus tensiones de trabajo están entre los 12 y 24 Vdc así como 120 a 240 Vac. Para ello poseen puertos para conexiones de acuerdo al tipo de modelo o fabricante.

 


 

De acuerdo al número de sensores de temperatura se tienen los de una sonda o de conservación; posee pocos puertos de conexión.

 


 

Los de congelación con dos sondas de temperatura:

 


 

Los parámetros de programación varían dependiendo del tipo de controlador, del fabricante y del modelo, pero aquí están los mas comunes que se debe de tener en cuenta:

 

Del periodo de refrigeración:

 


 


Del periodo de descongelación:

 


 

De los ventiladores de evaporador:

 


 

De las alarmas:

 


 

Otros parámetros:

 


 

1.10.2. UBICACIÓN DE SENSORES DE MICROCONTROLADORES

 

En los controladores de conservación o acondicionamiento de aire, poseen una sola termocupla y su ubicación es semejante para la termocupla de recinto o ambiente de los controladores de refrigeración o congelación, estos últimos posee una segunda termocupla o de evaporador, encargada de medir la temperatura de este mismo para controlar el proceso de descongelación.

 

Las ubicaciones recomendadas para el sensor de temperatura de ambiente son:

 


 


 

No ubique o coloque este sensor en las siguientes situaciones:

 


 




En lo referente al sensor de temperatura de evaporador, los lugares recomendados para su ubicación son:

 


 

No ubique o sitúe este sensor en las siguientes situaciones:

 



 

Ver video:

 DESCRIPCION DE PARAMETROS DE PROGRAMACION DE LOS CONTROLADORES ELECTRONICOS DE REFRIGERACION


 

1.10.3. DIAGRAMAS UNIFILARES EN CONTROLES ELECTRICOS.

 

Estos diagramas son utilizados para determinar la cantidad de cables de control y potencia que van por las diferentes tuberías o bandejas. Al igual que los sistemas domiciliarios, tendremos la siguiente convención:

 


Los pasos para ejecutar un diagrama unifilar están:

 

·         Verificar los diagramas eléctricos de control y potencia.

·         Identificar los componentes de los circuitos.

·         Entender la lógica de los circuitos.

·         Ubicar los componentes de los circuitos en las cajas determinadas para ello.

·         Como recomendación realice el trazado de cables del sistema de potencia.

·         Ejecute el trazado de cables del sistema de control.

·         Con base en la cantidad de cable por tubos, determine el diámetro de los mismos.

 

Ver videos:

 DIAGRAMAS UNIFILARES Y SU APLICACION EN EL MONTAJE DE CIRCUITOS ELECTRICOS DE REFRIGERACION


 

1.11. RESUMEN SIMBOLOGIAS

 

A partir de este momento estará en condiciones de hacer montajes basados en diagramas eléctricos, para ello es muy indispensable que tenga claro las simbologías a utilizar:

 

Con respecto a las cargas eléctricas se tienen:

 


 



 

 


En lo relacionado a accesorios de protección se tienen:

 


 








En lo relacionado con señalizaciones, indicadores y alarmas se tiene:

 


En lo relacionado con mandos y maniobras se tienen:

 






En lo relacionado con potencia electrica:

 



 
 

 














Con relación a temporizadores se tienen:

 


 



 


2.                  COMPONENTES ELECTRICOS Y ELECTRONICOS PARA CONTROL DE EQUIPOS DOMESTICOS DE REFRIGERACION

 

2.1.            CONTROLADORES DE TEMPERATURA O TERMOSTATOS.

 

La función de un termostato está relacionada con el control de temperaturas en sistemas que lo requieran. Por lo general existen termostatos de tipo mecánico y de tipo electrónico, con diferentes tipos de sensores.

 

Existen de tipo electrónicos y mecánicos. Los mecánicos poseen un control giratorio de temperatura de desconexión ( temperatura de cut    out ) con una posición de apagado ( en algunos modelos ). Los electrónicos se programan sus temperaturas de pagado, encendido y el diferencial entre ambas temperaturas. A nivel comercial existen termostatos para botelleros, neveras y congeladores previamente calibrados y ajustados para un rango de temperatura específico.

 

 Empecemos con los termostatos con sensor de bulbo que tiene en su interior refrigerante. A continuación, se tiene los termostatos de bulbo para uso en sistemas comerciales de refrigeración:

 


 

Con relación a los termostatos comerciales tienen tres conexiones: 

 


·                     Un punto común donde se conecta la línea de fase.

·                    Un punto de salida donde se conecta la línea que va al punto común del compresor. Cuando la ampolla llega a la temperatura deseada, se contrae el refrigerante de la ampolla desplazando el embolo abriendo el circuito apagándose el mismo.

·         Un segundo punto que cuando se desactiva el contacto del compresor se activa cierra el contacto entre este punto y el común, este punto se conecta a la resistencia del evaporador, que se activa en el deshielo del mismo. Otra puede llevar a un piloto para indicar que el termostato ha sido activado.

 

Seguimos con los termostatos de bulbo para equipos domésticos de refrigeración:

 


El termostato tiene dos conexiones:

 

·                     Un punto común donde se conecta la línea de fase.

·                    Un punto 1 donde se conecta la línea que va al punto común del compresor. Cuando la ampolla llega a la temperatura deseada, se contrae el refrigerante de la ampolla desplazando el embolo acalla la derecha abriendo el circuito apagándose el mismo.

·                     No posee un segundo circuito para hacer control del ciclo de refrigeración, se emplean en sistemas de refrigeración sencillos con un solo evaporador donde el control de descongelación es realizado por el temporizador.

 

A continuación, se relacionan los termostatos digitales con sensores tipo NTC o PTC:

 


Poseen sensores de tipo NTC o PTC, con pantalla de información, parámetros programables y alimentación eléctrica, posee un contacto C – NC y C – NA, en algunos casos conexiones para comunicación a pc. Son sistemas para sistemas comerciales de refrigeración, como es un sistema de control, requiere trabajar conjuntamente con relés o contactores para mover equipos de gran capacidad. Entre sus características están:

 

Sonda de tipo Ptc o Ntc.

Tensión de alimentación DC o AC.

Programación de horarios.

Conexión a PC.

Diferencial de temperatura programable.

Precisos.

Amplio rango de temperaturas de operación.

Alarmas por bajas y altas temperaturas.



Todos los termostatos poseen los siguientes tres parámetros principales:

2.1.2. TEMPERATURA DE CUT OUT O SETPOINT

 

Es la temperatura programada a la cual el termostato conmuta o cambia sus contactos por temperatura, o sea, el contacto cerrado se abre y el contacto abierto se cierra con el fin de desconectar o interrumpir el proceso de congelamiento. Este dato importante es el que aparece en el dial o selector de cada termostato. Estos generalmente tienen un diferencial ajustado de 2 grados centígrados, o sea que si el termostato abre circuito a 5º C lo vuelve a cerrar a 7ºC.

 


2.1.3. TEMPERATURA DE CUT IN

 

Es la temperatura a la cual el termostato vuelve a su condición inicial, después de haberse activado por la temperatura de cut out o setpoint o sea, el contacto que estaba abierto vuelve a su estado cerrado y el que estaba cerrado, vuelve a su estado abierto. A esta temperatura el proceso de congelamiento se vuelve a activar.

 


2.1.4. DIFERENCIAL DE TEMPERATURA, DIFF O HISTERESIS

 

Cuando se programa un termostato a cierta temperatura de cut out, cuando el recinto llega a esa temperatura, este conmuta sus contactos; el recinto comienza a incrementar su temperatura y cuando llega a la temperatura de cut in, los contactos del termostato vuelven a sus posiciones iniciales, entonces se dice que, en relación a sus valores:

 

TEMP CUT OUT < TEMP DE CUT IN

 

Diff o Diferencial Temperatura ( DT ) o Histeresis = Temperatura conexión ( TEMP CUT IN ) – Temperatura desconexión ( TEMP CUT OUT ). Hablando de los termostatos de bulbo para aplicaciones domesticas:

 


Con respecto a los componentes o partes de los termostatos de bulbo de uso en equipos domésticos:



En lo relacionado con los termostatos para aplicaciones de tipo doméstico, su operación o aplicación viene dado por el color de las etiquetas de su empaque o por información en el mismo

 







Con relación a los parámetros mostrados en las gráficas anteriores:

 

El WARM ON/IN es la temperatura a la que el termostato cierra sus contactos después de haberse abierto por la temperatura de cut out o setpoint en la posición del selector de 0 o 1.

 

El WARM OFF/OUT es la temperatura a la que el termostato abre sus contactos al llegar a la temperatura de cut out o setpoint en la posición del selector de 0 o 1.

 

El COLD ON/IN es la temperatura a la que el termostato cierra sus contactos después de haberse abierto por la temperatura de cut out o setpoint en la máxima posición del selector o 7.

 

El COLD OFF/OUT es la temperatura a la que el termostato cierra sus contactos al llegar a la temperatura de cut out o setpoint en la máxima posición del selector o 7.

 

En estos termostatos, la corriente que llega al compresor pasa directamente por ellos, por eso, como referencia también traen especificados sus valores de RLA ( corriente de trabajo ), Fla ( corriente de sobremarcha ) y algunos con valor de LRA ( corriente de arranque ) y voltaje de operación,  que deben ser mayores que los del compresor; por otro lado su diferencial de temperatura es fijo.

 

RLA TERMOSTATO ≥ RLA COMPRESOR

FLA TERMOSTATO ≥ FLA COMPRESOR

LRA TERMOSTATO ≥ LRA COMPRESOR

 


 

En lo relacionado con las conexiones típicas para este tipo de termostato se tienen:

 


 


Ver videos:

GENERALIDADES TERMOSTATOS DE BULBO PARA SISTEMAS DE REFRIGERACION DOMESTICOS 





VERIFICACION DE COMPONENTES Y PRUEBA RAPIDA DE TERMOSTATO DE BULBO DE TIPO DOMESTICO



PRUEBA DE UN TERMOSTATO DE BULBO DE TIPO DOMESTICO



En lo relacionado con los termostatos para aplicaciones comerciales, sus diales o selectores muestran la temperatura de setpoint o cut out directamente, posee contactos C – NC – NO, tal como se muestra:

 





En cuanto a sus conexiones típicas, se tienen:

 


 




Ver videos:

 GENERALIDADES DE TERMOSTATOS DE BULBO PARA SISTEMAS COMERCIALES DE REFRIGERACION



 VERIFICACION Y OPERACION DEL TERMOSTATO DE BULBO UT72 EN APLICACIONES COMERCIALES


 

Ahora nos vamos a referir a los termostatos de tipo electrónicos:


Poseen sensores de tipo NTC o PTC, con display, parámetros programables y alimentación eléctrica, posee un contacto C – NC y C – NA, en algunos casos conexiones para comunicación a pc. Son sistemas para sistemas comerciales de refrigeración, como es un sistema de control, requiere trabajar conjuntamente con relés o contactores para mover equipos de gran capacidad.


  

En lo relacionado a su programación es muy variada, pero en general todos poseen los siguientes parámetros:

 






 

Con respecto a sus conexiones típicas se tiene:

 




Con relación a las conexiones de potencia:






Ver videos:

GENERALIDADES DE LOS TERMOSTATOS DIGITALES EN SISTEMAS DE REFRIGERACION 





CONFIGURACION Y OPERACION TERMOSTATO DIGITAL W3230



 CONFIGURACION Y OPERACION TERMOSTATO DIGITAL MH1210W



2.2. CONTROLADORES DE TEMPERATURA Y VELOCIDAD DE MOTORES AC

 

Son dispositivos, que regulan la velocidad de uno o varios motores dependiendo de la temperatura programada en ellos. Estos equipos pueden incrementar la velocidad del motor a medida que se incrementa la temperatura detectada o aumenta la misma a medida que se reduce la temperatura detectada.

  


Se usan para el control de las presiones de descarga en equipo domésticos y comerciales cuando se tiene altas variaciones de la temperatura ambiente del sitio donde está instalado el equipo que afectan las presiones de descarga de estos.

 

En relación con su conexión eléctrica:

 


 


 


 

En estos equipos se debe programar el modo de operación, y los rangos de temperatura en los cuales debe trabajar y eso depende mucho del fabricante.

Cuando el equipo se energiza, lo que se muestra en la pantalla es la temperatura actual medida por el sensor de temperatura, tal como se muestra:


Con relación a sus parámetros de programación se tienen:










 







Ver video:

CONTROL VELOCIDAD EN MOTORES AC USANDO TERMOSTATO REGULADOR DE TEMPERATURA



2.3. TEMPORIZADORES DE NEVERA NO-FROST

 

El temporizador para nevera no-frost es un dispositivo o temporizador al trabajo de dos tiempos  predeterminados; uno de congelación y otro de descongelación. Generalmente operan a 110 voltios y máximo 10 amperios. Al mismo tiempo que desactiva el motocompresor, activa la resistencia del evaporador para realizar el proceso de descongelación del mismo. Dependiendo del modelo vienen de 6 horas por 20 minutos, 8 horas por 20 minutos, etc. El temporizador tiene cuatro puntos de toma o pines de conexión:

 

 

2.3.1. TEMPORIZADOR DE NEVERA TIPO I

 


 

·                     El punto 1 se conecta a la línea de fase. Es la alimentación del temporizador.

·                     El punto 2 se conecta al bimetálico normalmente abierto o al sistema de descongelación automática.

·                     El punto 3 a la línea neutral.

·                     El punto 4 se conecta al punto común del compresor o al termostato.

 

En cuanto al ajuste de los períodos:

 

·                     Un giro largo y prolongado, que empieza por un sonido track y termina en un sonido track; se refiere al tiempo de congelación o de activación del compresor que de acuerdo al tipo de timer esta entre 6 a 10 horas. Mientras demore este giro, están en circuito cerrado los puntos 1 y 3; 1 y 4. Están en circuito abierto los puntos 1 y 2.

 

·                     Un giro corto, que empieza con el sonido track del fin del periodo de congelación y termina con otro sonido track; este tiempo corto se refiere al período de descongelación que esta alrededor promedio de 20 minutos. Mientras demore este corto giro están en circuito cerrado los puntos 1 y 2; 1 y 3. Están en circuito abierto los puntos 1 y 4.

 

A continuación les mostramos un circuito general para neveras tipo No-frost:

 


 

 

 

2.3.2. TEMPORIZADOR DE NEVERA TIPO II

 


 

·                     El punto 3 se conecta a la línea de fase. Es la alimentación del temporizador y punto común de los contactos del mismo.

·                     El punto 2 se conecta al bimetálico normalmente abierto o al sistema de descongelación automática.

·                     El punto 1 a la línea neutral.

·                     El punto 4 se conecta al punto común del compresor o al termostato.

 

En cuanto al ajuste de sus periodos:

·                     Un giro largo y prolongado, que empieza por un sonido track y termina en un sonido track; se refiere al tiempo de congelación o de activación del compresor que de acuerdo al tipo de timer esta entre 6 a 10 horas. Mientras demore este giro, estan en circuito cerrado los puntos 3 y 1; 3 y 4. Estan en circuito abierto el contacto 3 y 2.

 

·                     Un giro corto, que empieza con el sonido track del fin del periodo de congelación y termina con otro sonido track; este tiempo corto se refiere al período de descongelación que esta alrededor promedio de 20 minutos. Mientras demore este corto giro estan en circuito cerrado los puntos 3 y 2; 3 y 1. Están en circuito abierto el contacto 3 y 4.

 

Ahora vea sus conexiones típicas:.

 


 


 

Ver video:

 CONEXIONES ELECTRICAS DE LOS TEMPORIZADORES DE NEVERAS TIPO NO-FROST



GENERALIDADES DEL TEMPORIZADOR PARA NEVERA NO FROST



2.4. VENTILADORES ( FANS ).

 

Son dispositivos para mover flujo de aire en los condensadores, evaporadores y compresores. Su función primordial es la de incrementar la transferencia de calor donde sea requerida. Pueden ser aspirantes o impelentes en relación al paso del flujo de aire a través del dispositivo al que está conectado. Generalmente vienen para operar a voltajes de 110 y 220 voltios, algunos requieren condensadores de marcha para poder arrancar. Se especifican o se consiguen teniendo en cuenta:

 

·                     Diámetro de la hélice.

·                     Dirección de flujo de aire ( aspirante o impelente ).

·                     Tensión de operación.

·                     Potencia de entrada.

·                     Velocidad en RPM del eje de la hélice.

·                     Caudal de aire removido.

 

En lo relacionado a la velocidad, vienen con velocidad fija y con velocidad variable. Los ventiladores con velocidad fija, pueden venir con dos cables ( fase y neutro ) o tres cables ( para encendido con kit de arranque). Los ventiladores con velocidad variable, generalmente traen cinco (5 ) cables de conexión, uno de ellos se conecta al punto de marcha, otro al punto de arranque y tres que son los que dan las diferentes velocidades a una fase.

 


 

En cuanto a las hélices, se pueden conseguir de muchos tamaños y materiales. En el mercado es fácil encontrar hélices metálicas y plásticas que se especifican con el diámetro de ellas, encontrándose hélices de 6, 8, 9 y 12 pulgadas ya sean de succión o expulsión.

 

En lo relacionado a la dirección del flujo de aire, los ventiladores pueden ser:

 

·                     De flujo axial: Cuando la dirección del flujo de aire es paralelo al eje del ventilador.


 

 

·                     Radial o centrífugo: Cuando la dirección del flujo de aire es perpendicular al eje del ventilador. Su sentido de dirección de giro depende de la orientación de los alabes.

 


 

 

2.4.4. SELECCIÓN DE VENTILADORES

 

Se debe tener en cuenta:

 

·                     El caudal de aire requerido en Mts3 / Hr.

·                     El diámetro de la hélice para mover ese caudal.

·                     El tipo de voltaje, corriente de operación.

·                     La dirección del flujo de aire requerido.

·                     Revoluciones por minuto o RPM.

 

2.5. RESISTENCIAS

 

Son elementos diseñados para disipar calor cuando una corriente eléctrica pasa a través de ellos. Se emplea generalmente en los procesos de deshielo en los evaporadores ( resistencias de descongelación o rígidas) o para impedir que la humedad corroa el chasis del elemento de refrigeración ( resistencias de marco o flexibles ). Tiene una conexión eléctrica que va a la fase y la otra va al neutro. Se especifican teniendo en cuenta:

 


·                     Largo efectivo.

·                     Largo total.

·                     Potencia de disipación de calor.

·                     Uso.

 

La mayoría de las resistencias son de tipo de conexión monofásicas, pero también se tienen resistencias trifásicas:

 


2.6. BIMETALICOS DE COMPRESOR ( PROTECTORES DE SOBRECARGA ) Y EVAPORADOR ( CONTROLADORES DE LA DESCONGELACION )

 

Son interruptores de temperatura, los hay normalmente cerrados como los del compresor, de color negro, los cuales abren el circuito encendido del mismo cuando se calientan; y están los normalmente abiertos, los cuales cierren un circuito cuando se enfrían, se usan en las resistencias de descongelación.

 



Los bimetálicos de evaporador o normalmente abiertos, cierran circuito cuando llegan a una temperatura aproximada de       -5ºC y vuelven a abrir a los 10ºC aproximadamente, dependiendo de su tipo. Son de color plateado, y llevan una nomenclatura que especifica las temperaturas de cut in y la de cut out:

 




 

Algunos de estos vienen trabajando con termofusibles, por lo general de 10 amperios:

 


Veamos ahora su conexión genérica:

 




Este elemento va ubicado en las tuberías del evaporador, tal como se muestra:

 


Con relación a la forma como funcionan, al entrar el temporizador en el periodo de descongelación, si el bimetálico esta frio, su contacto está cerrado por tanto permite el paso de corriente del pin 2 ( dependiendo del tipo de temporizador ) del temporizador a la resistencia de descongelación, iniciando la descongelación del evaporador.

 

 

Después de haber descongelado el evaporador, la temperatura del evaporador aumenta y es detectada por el bimetálico, que abre su contacto para desconectar la resistencia ante la alta temperatura del evaporador

 

 

Entre las consecuencias que se tiene por su daño están:

 

 

GENERALIDADES DE LOS BIMETALICO DE EVAPORADOR

https://youtu.be/UQ60McBu5wo

 


  

CONTROLES DE DESCONGELACION EN NEVERAS TIPO NO FROST

https://youtu.be/8NDNmGgK6uU

 

 


 

PRUEBA DE ESTADO DE UN BIMETALICO DE EVAPORADOR

https://youtu.be/MWiFTDJEtV8

 

 


En cuanto a los bimetálicos de compresor o protectores de sobre carga, este accesorio es un contacto normalmente cerrado, que va conectado en serie con el punto común del compresor.

 


Es también llamado Klixon y cuando este se caliente ya sea por acción de temperatura de la carcasa del compresor o por altas corrientes que le llegan al compresor, este se abre apagándolo.

 


Este accesorio en los compresores de baja potencia es externo al compresor, pero en los compresores de media a alta potencia, va ubicado en el interior de los mismos.

 


 


 


 

 

Ver videos:

 GENERALIDADES DE LOS PROTECTORES TERMICOS O BIMETALICOS DE COMPRESOR



 

3. COMPONENTES ELECTRICOS ESPECIALES PARA EN EQUIPOS DE AIRE ACONDICIONADO

 

3.1. RESISTENCIAS DE CARTER

 


Es una resistencia que se emplea en aquellos casos en que  la unidad exterior va a estar expuesta a temperaturas muy bajas. Estas resistencias son de bajo consumo ( alrededor de 80 a 300 Watt ) y, debido a esto, se suelen conectar de forma permanente a la red del sistema. Entre sus funciones están:

 

·                    Mantener la buena viscosidad del aceite lubricante a bajas temperaturas.

 

·                    Cuando el sistema esta pagado y la unidad está expuesta a bajas temperaturas, puede ocurrir una condensación del gas refrigerante contenido en reposo en el interior de la unidad. Esta resistencia evita que este gas se condense evitando los golpes de líquido al compresor.

 

La resistencia de cárter mantiene la temperatura del aceite aproximadamente 11ºC por encima de la de saturación del refrigerante. Esta resistencia es obligatoria en sistemas donde el compresor este a temperaturas bajas o sistemas con mucha carga de refrigerante que trabajen a temperaturas de saturación menores de -10ºC.

 


3.2. TRANSFORMADORES

 Un transformador es un equipo AC que, en su forma básica consta de dos bobinas o inductores montadas en un núcleo magnético común. La mayoría de estos núcleos son de hierro magnéticos de alta calidad, pero algunos están construidos con núcleos de aire para trabajo de alta frecuencia.

 

La función de este equipo es el de elevar o reducir los niveles de tensiones y corrientes de entrada ( primario ) a  otros valores de tensión y corriente ( secundario ) de salida manteniendo la potencia cuasi constante.

 

 

Desde el punto de vista del tipo de tensión de salida, los hay:


 

 

Los transformadores que se usan en los sistemas de climatización están constituido en su forma básica por dos o más bobinas asiladas entre sí eléctricamente por lo general enrolladas alrededor de un mismo núcleo ferromagnético. Los transformadores poseen una conexión para la tensión de entrada  ( PRIMARIO ) que dependiendo del tipo de conexión puede ser de 120 V, 208 V y de 240 V. La tensión de salida ( SECUNDARIO ) puede variar de acuerdo al tipo de transformador pero generalmente pueden ser de 24 VAC, 12 VAC,  y 6 VAC. En los sistemas de refrigeración son empleados para alimentar bobinas de contactores u otros dispositivos que funcionen con tensiones especiales.

  

A continuación, veamos unos circuitos donde se usa:

 


 


 

Ver video:

 

 TRANSFORMADORES EN REFRIGERACION

 https://youtu.be/WHHebZG2nk0


 



3.3. CONTROLES DE TEMPERATURA.

 

La función de un termostato esta relacionado con el control de temperaturas en sistemas que lo requieran. Por lo general existen termostatos de tipo mecánico y de tipo electrónico, con diferentes tipos de sensores.

 

Todos los termostatos poseen los siguientes tres parámetros principales:

3.3.1. TEMPERATURA DE CUT OUT O SETPOINT

 

Es la temperatura programada a la cual el termostato conmuta o cambia sus contactos, o sea, el contacto cerrado se abre y el contacto abierto se cierra con el fin de desconectar o interrumpir el proceso de congelamiento. Este dato importante es el que aparece en el dial de cada termostato. Estos generalmente tienen un diferencial ajustado de 2 grados centígrados, o sea que si el termostato abre circuito a 5º C lo vuelve a cerrar a 7ºC. por lo expresado anteriormente se puede concluir que:

 

3.3.2. TEMPERATURA DE CUT IN

 

Es la temperatura a la cual el termostato vuelve a conmutar y sus contactos vuelven a sus posiciones iniciales, o sea, el contacto que estaba abierto vuelve a su estado cerrado y el que estaba cerrado, vuelve a su estado abierto. A esta temperatura el proceso de congelamiento se vuelve a activar.

 

3.3.3. DIFERENCIAL DE TEMPERATURA, DIFF O HISTERESIS

 

Cuando se programa un termostato a cierta temperatura de cut out, cuando el recinto llega a esa temperatura, este conmuta sus contactos; el recinto comienza a incrementar su temperatura y cuando llega a la temperatura de cuto in, los contactos del termostato vuelven a sus posiciones iniciales, entonces se dice que:

 

TEMP CUT OUT < TEMP DE CUT IN

 

Diff o Diferencial Temperatura ( DT ) o Histeresis = Temperatura conexión ( TEMP CUT IN ) – Temperatura desconexión ( TEMP CUT OUT ). 

Hablando de los termostatos de bulbo para aplicaciones domesticas:

 

3.4. TERMOSTATOS DE PARED EN ACONDICIONADORES DE AIRE

 

Mientras los termostatos en sistemas de baja temperatura o refrigeración trabajan con tensiones de 120/240 VAC, los termostatos de acondicionadores de aire son mas complejos y trabajan a bajas tensiones ( 24 VAC ) y una corriente máxima de 2 amperios.

3.4.1. TERMOSTATO DE CALEFACIÓN Y ENFRIAMIENTO O DOBLE ETAPA

 

Este tipo de termostato posee dos funciones, como calefactor y como acondicionador de aire. En su interior posee 6 puntos de conexión identificados con las letras Y, W, W2, R, G y X. esta nomenclatura es muy general para los termostatos.

 


 

El punto G se conecta con el circuito de arranque o relé del ventilador del evaporador; el punto R se conecta con una de las terminales de la salida del transformador; el punto X se conecta con la otra Terminal de salida del transformador; el borne Y se conecta con el circuito o relé de arranque del motocompresor; el punto W se conecta con el relé o circuito de encendido de los calefactores y el punto W2 es un circuito de conexión a un relé o circuito de encendido secundario de los calefactores tal como se ve en la figura:

3.4.2. TERMOSTATO DE ENFRIAMIENTO O UNA ETAPA

 


Este tipo de termostato posee una función , que es la de enfriamiento, trabaja a 24 VAC generalmente. En su interior posee 4 puntos de conexión identificados con las letras Y, W, G, R . En los termostatos de solo modo frio no traen el pin o puerto W.




El punto G se conecta con el circuito de arranque o control del ventilador del evaporador, relé del ventilador del evaporador o a la bobina del contactor del ventilador del evaporador; el punto R se conecta con una de las terminales de la salida del transformador; el borne Y se conecta con el circuito, relé de arranque del motocompresor o a la bobina del contactor del compresor y ventiladores de condensador; el punto W no se conecta tal como se ve en la figura:

 


 


3.4.3. OPERACIÓN DE UN TERMOSTATO DE PARED ANALOGO

 











3.4.4. SELECCIÓN DE TERMOSTATOS DE PARED

 

Los factores a tener en cuenta para su selección son:

 

·                     Temperatura máxima y mínima del medio ambiente donde será instalada.

·                     Diferencial de temperatura o ΔT.

·                     El rango de temperatura de operación o gama de regulación de temperaturas.

·                     El tipo de sensor.

·                     Longitud del sensor.

·                     Corrientes y tensiones de operación.

·                     El tipo de rearme.

 

3.5. TERMOSTATO DE PARED DIGITALES

 


Este nuevo tipo de termostatos vienen para trabajar en su mayoría a tensiones de 24 VAC, como los análogos, pero con la diferencia que poseen pantallas de información y varios parámetros de programación ya sea de temperatura de ambiente, horario de trabajo diario y semanal, etc. Viene con pilas internas para sistema de respaldo y alimentación de otras funciones.

Los hay de dos etapas cuando poseen control de climatización y calefacción y de una sola etapa para climatización. En cuanto a los puntos de conexiones, poseen los mismos que los análogos y otros especiales dependiendo del tipo y fabricante de termostato.

 


Veamos ejemplos de conexiones como reemplazo de uno análogo:

 



 

 




Ver videos:

GENERALIDADES DE TERMOSTATO DE PARED ANALOGO Y DIGITALES PARA AIRE ACONDICIONADO 



3.4.5. INTERRUPTORES DE TEMPERATURA TIPO BIMETALICO

 

Son interruptores de tipo normalmente abiertos ( NO ) o normalmente cerrados ( NC ) que conmutan a cambian dependiendo de la temperatura establecida en el mismo por medio de un bimetálico interno.

 

Al reducirse la temperatura que censan, sus contactos vuelven a su estado inicial ( aproximadamente 15 Grados Celsius por debajo de la temperatura de activación del interruptor ).

 


  

En relación a su conexión, por lo general van en serie con las bobinas de los contactores de las cargas que protegen, tales como motores, compresores, etc.

 


 

Ver video:

 INTERRUPTORES DE TEMPERATURA TIPO BIMETALICO Y SU USO EN REFRIGERACION Y CLIMATIZACION


  

4. ACCESORIOS PARA CONTROL DE PRESION DE REFRIGERANTE Y ACEITE.

4.1. PRESOSTATO DIFERENCIAL DE ACEITE REGULABLE.


El objetivo de este componente es el de detener el funcionamiento del compresor si su lubricación no se ejecuta a una presión superior a la mínima requerida. Todos los compresores que van lubricados con bomba de aceite deben llevar presostato diferencial de aceite.



El presostato tiene dos entradas, una que va conectada a la parte de baja presión del compresor y la otra a la salida de la bomba de aceite. La presión con la que trabaja la bomba es la diferencia entre la presión de baja y la que obtenemos a la salida de la bomba, el resultado es de 4 bar. Si las dos presiones fueran iguales significa que la bomba no funciona y para el compresor.




El presostato tiene un retardo ( con un temporizador térmico ), entre 45 y 120 segundos aproximadamente,  ya que la bomba aparte de aceite también recoge refrigerante que al comprimirlo se evapora, esto provoca que se igualen las presiones y haría saltar el presostato. Este retardo es efectuado, por lo general, por un bimetálico o térmico, conectado en serie con una resistencia, que al calentarse activa mecanismos internos que hacen conmutar sus contactos. Estos presostatos llevan rearme manual ( botón Reset ) . Del valor de este diferencial de presiones depende el caudal de aceite, y por lo tanto, la calidad de la lubricación de los elementos del compresor Este diferencial debe estar entre los 20 Psi y 60 Psi, para considerase normal.

En este tipo de presostato se regula o ajusta el diferencial de presión entre la presión de descarga de la bomba de aceite y la presión de baja o del cárter del compresor:

Diferencial de presión = Presión salida bomba – Presión de cárter o succión

En cuanto a los puntos de conexión eléctrico, este presostato Danfoss MP 55, posee los siguientes pines de conexión:

·                     L: Pin común del contacto del presóstato.

·                     M: Salida NC del contacto del presóstato.

·                     S: Salida NO del contacto del presóstato.

·                     T2: Salida de línea para el bimetálico temporizador del presóstato.

·                     O115: Entrada de línea para el bimetálico temporizador en caso de emplear 120 vac.

·                     O230: Entrada de línea para el bimetálico temporizador en caso de emplear 240 vac.



En cuanto al rearme del presostato, después de accionado el bimetálico temporizador, espere alrededor de 2 minutos después de establecido los niveles normales de diferencial de presión,  para presionar el botón Reset.

 

NOTA: Se recomienda que el bimetálico se active o se energicen sus contactos ( T2 / O23 - O115 ) al momento de encender el contactor del compresor. Puede ser empleando un auxiliar del mismo. Veamos los siguientes diagramas de conexión:

 







Con respecto a su operación, al encender el compresor, el presostato mide la diferencia de presiones entre la salida de la bomba de lubricación y la presión del cárter del compresor. si esa diferencia está por encima de la estipulada, se mantiene cerrado el contacto L – M del presostato y abierto el L– S.

 


 


 


  

 

4.2. SELECCIÓN DE PRESOSTATOS DIERENCIALES DE ACEITE

 

Los factores a tener en cuenta para su selección son:

 

·                     El tipo de refrigerante del sistema.

·                     Las presiones de funcionamiento del sistema.

·                     Gama de regulación de presiones

·                     El tipo de rearme.

·                     Corrientes y tensiones de operación.

 

Ver videos:

 

GENERALIDADES PRESOSTATO DE ACEITE RANCO

https://youtu.be/tee3rDidzcE

 

 


 

GENERALIDADES PRESOSTATO ACEITE DANFOSS

https://youtu.be/DBb_eqPivCc

 

 


 

4.3. PRESOSTATOS PARA EL CONTROL DE PRESION DE SUCCION Y DESCARGA DE REFRIGERANTES EN EQUIPOS

Existen varios tipos de presóstatos. Son interruptores de presión, los cuales abren o cierran circuito dependiendo de la aplicación. Hay que identificar dos tipos de datos esenciales que manejan los presostatos:

·                     Presión de Cut Out: Es la presión a la cual el presóstato abre circuito o conmuta sus contactos con el objetivo de apagar el compresor o suspender el proceso de refrigeración.

·                     Presión de Cut In: Es la presión a la cual el presóstato cierra circuito, después de haber sido activado por la presión de cut out, con el fin de encender el compresor o reiniciar el proceso de refrigeración. También se pude decir que es la presión a la cual los contactos del presóstato vuelven a su estado inicial.

·                     Diferencial: Es la diferencia numérica entre ambas presiones.

4.3.1. PRESOSTATO DE BAJA PRESION O SUCCION REGULABLE.

 


Cortesia Danfoss

 

El presóstato de baja es el responsable de parar el compresor antes de que éste llegue hacer el vacío en la instalación o de apagar el sistema por pump down. Este presóstato está formado por dos escalas o columnas de calibración.

Una de las regulables es el de la presión de cut in, que es la presión a la que los contactos del presostato regresan a sus posiciones normales.

La otra columna regulable es la Diff, o diferencial entre las presiones de cut in y la presión de cut out.

El contacto de este presostato tiene un común o C, una salida NC y una salida NO que es la LP signal.

Las escalas son orientativas y se ha de comprobar con el manómetro. La presión de arranque a la cual ha de arrancar el compresor será la correspondiente a la temperatura que ha de haber en el recinto a enfriar. De lo contrario si es inferior tendremos falsas arrancadas y si es superior el compresor no arrancará hasta que la temperatura de la cámara no sea elevada. Todos los presostatos tienen una estrangulación para evitar golpes de presión en el fuelle.

Como la presión de baja tiende a subir cuando se apaga el dispositivo de refrigeración, entonces la presión de CUT IN es mayor que la Presión a la que desactiva el sistema por vacío o presión de CUT OUT, por tanto se deduce que:

PRESION CUT IN > PRESIÓN CUT OUT

 

DIFERENCIAL PRESOSTATO BAJA ( DP )= PRESION CUT IN – PRESIÓN CUT OUT

Por ejemplo si se desea que el equipo suspenda al compresor cuando la presión llegue a 5 PSI y se encienda cuando llegue a los 20 PSI, entonces para calibrar el presostato se hace:

·                     Se calibra la columna de CUT IN a 20 PSI.

·                     Se calibra el diferencial o DIFF a 15 PSI.

En el caso del presostato de baja Danfoss se tienen las siguientes conexiones:



En lo relacionado a la conexión para medir la presión, se coloca en el puerto permanente de la válvula rotolock de succión del compresor, tal como se observa:



En el caso de compresores semiherméticos, se busca en la carcasa del compresor, algún puerto LP y allí se conecta, tal como se observa:



Ver video:

GENERALIDADES DE LOS PRESOSTATOS DE PRESION REFRIGERANTES DE SUCCION Y DESCARGA EN REFRIGERACION




En relación con el comportamiento de los contactos, en situación de presión de succión normal, el contacto C – M se encuentra cerrado mientras que el contacto C – LP esta abierto:



Mientras que en condiciones de bajas presiones de succión, el contacto C – M se abre mientras que el contacto C – LP se cierra:

 


 

Ver video:

OPERACION DE PRESOSTATOS REGULABLES DE CONTROL DE PRESION DE SUCCION Y DESCARGA DE REFRIGERANTES




4.3.2. PRESOSTATO DE CONTROL DE DESCARGA REGULABLE.

 


Cortesia Danfoss

El presostato de alta es un elemento de seguridad que tiene la función de parar la instalación cuando la presión de ésta es excesiva. La escala principal es de parada ( CUT OUT ) y suele poner "STOP". Son interruptores de presión normalmente cerrados. Como la presión de alta tiende a bajar cuando se apaga el dispositivo de refrigeración, entonces la presión de CUT OUT es mayor que la Presión a la que activa el sistema o presión de CUT OUT, por tanto se deduce que:

 

PRESION CUT IN < PRESIÓN CUT OUT

 

DIFERENCIAL PRESOSTATO DESCARGA ( DIFF ) = PRESION CUT OUT – PRESIÓN CUT IN

Generalmente el diferencial en la mayoría de los presóstatos de alta viene ya establecido por el orden de 40 PSI. Por ejemplo si se desea que el equipo suspenda al compresor cuando la presión llegue a 180 PSI, entonces para calibrar el presostato se hace:

·                     Se calibra la columna de CUT OUT a 180 PSI.

Cuando el equipo se desactiva a los 180 PSI, y como el diferencial no se puede variar, entonces el equipo encenderá nuevamente cuando la presión de alta llegue a los 140 PSI.

NOTA: Estos presostatos se regulan por acción mecánica por pernos o cabezas de pernos ubicados en la parte superior del mismo. El contacto de este presostato tiene un común o C, una salida NC y una salida NO que es la HP signal.

En el caso del presóstato de descarga Danfoss, se tiene que los pines de conexión son:




Ver video:

GENERALIDADES DE LOS PRESOSTATOS DE PRESION REFRIGERANTES DE SUCCION Y DESCARGA EN REFRIGERACION



En lo relacionado con la conexión para medir la presión, se conecta al puerto correspondiente en la válvula rotolock de descarga del compresor, tal como se observa:




En el caso de compresores semihermeticos, para medir las presiones, se conecta a algún puerto HP en la carcasa del compresor, tal como se observa:




En relación con el comportamiento de los contactos del presostatos, en situación normal, se mantiene cerrado el contacto C -M y abierto el C – HP:




En situación de altas presiones de descarga, se abre el contacto C – M y se cierra el C – HP:



Ver video:

OPERACION DE PRESOSTATOS REGULABLES DE CONTROL DE PRESION DE SUCCION Y DESCARGA DE REFRIGERANTES




4.3.3. PRESOSTATOS DUALES DE CONTROL DE REFRIGERANTE REGULABLES.

 


En un solo dispositivo están los presóstatos de baja y alta. Ambos se pueden calibrar dependiendo de los requerimientos del sistema. Los presostatos duales pueden traer dos, tres y cuatro puntos de contacto. En cuanto a las tensiones de operación, pueden ser de 120 o 240 VAC. En cuanto a las corrientes que manejan los contactos, dependen del tipo de presostato y del fabricante; por lo general traen especificados los datos del FLA y el LRA, pero son sistemas de control que operan con bajas corrientes, por lo general menores de 10 amperios.

En cuanto a los presostatos duales que traen dos puntos de conexión o contacto, son de tipo cerrado, siempre y cuando la presión este en los rangos normales de operación especificados, pero ante una presión muy baja o muy alta, estos contactos se abren. Estos contactos, en algunos casos, pueden ser conectados en serie con el compresor, pero por lo general se configuran para conectarse con en accesorios de maniobra ( contactores o relés ) que controlan al compresor.



En cuanto a los presostatos duales que tres puntos de conexión o contacto, uno de ellos es el punto común ( C ), otro va al compresor ( M ), otro es para conexión de una alarma por baja presión ( LP signal ). En el caso de presóstato dual Danfoss se tiene las siguientes conexiones:



Ver video:

GENERALIDADES DE LOS PRESOSTATOS DUALES DE PRESION DE REFRIGERANTE EN SISTEMAS DE REFRIGERACION 



En relación al comportamiento de los contactos del presostato de tres pines ante condiciones normales de presión, se mantiene cerrado el contacto C – M y abierto el C – LP:




Ante bajas presiones de succión, se cierra el contacto C – LP y se abre el contacto C – M:



Ante situaciones de altas presiones de descarga, se abren ambos contactos el C – M y el C – LP:




Ver video:

OPERACION DEL PRESOSTATO DUAL DE CONTROL DE REFRIGERANTES DE TRES PINES




En cuanto a los presostatos duales que traen cuatro puntos de conexión o contacto, uno de ellos es el punto común ( C ), otro va al compresor ( M ), otro es para conexión de una alarma por alta presión ( HP signal ) y el otro para conexión de una alarma por baja presión ( LP signal ).



Ver video:

GENERALIDADES DE LOS PRESOSTATOS DUALES DE PRESION DE REFRIGERANTE EN SISTEMAS DE REFRIGERACION



En este tipo de presostato, ate situaciones normales de presión de operación, se mantiene cerrado el contacto C – M y abiertos los contactos C – LP y C – HP:




En situaciones de bajas presiones de succión, se abre el contacto C – M , se mantienen abierto el C – HP y se cierra el C – LP:



En situaciones de altas presiones de descarga, se abre el contacto C – M , se mantienen abierto el C – LP y se cierra el C – HP:



Ver video:

OPERACION DEL PRESOSTATO DUAL DE CONTROL DE REFRIGERANTE DE CUATRO PINES


 

En lo relacionado con sus conexiones para medir presiones, se conectan en los puertos de las válvulas rotolocks del compresor destinadas para ese fin, tal como se muestra:

 


En el caso de compresores semihermeticos, para medir las presiones, se conectan a algún puerto LP ( para medir la presión de succión ) y puerto HP ( Para medir la presión de descarga del compresor ) en la carcaza del compresor, tal como se observa:


 

En relación al ajuste de sus valores o parámetros, es muy importante tener en cuenta que se debe hacer este procedimiento antes de montarlos en los equipos, y el procedimiento varia dependiendo del mismo:

Ver videos:

 AJUSTES DE PARAMETROS EN PRESOSTATOS DUAL DE 4 PINES


AJUSTES DE PARAMETROS EN PRESOSTATOS DUAL DE 4 PINES

https://youtu.be/gXFs2uA76Hw

 

 



 AJUSTE DE PARAMETROS EN PRESOSTATO DUAL O DOBLE KP15 DANFOSS - VIDEO ANIMADO



AJUSTE DE PRESOSTATO DE SUCCION O BAJA PRESION KP1 DANFOSS - VIDEO ANIMADO 




 AJUSTE DE PARAMETROS DEL PREOSOSTATO DE DESCARGA O ALTA PRESION KP5 DANFOSS - VIDEO ANIMADO




4.3.4. PRESOSTATOS DE CONTROL DE REFRIGERANTE DIGITALES

 Entre estos se tiene presostatos de una sola etapa o para un solo compresor y presostatos multietapas para unidades tándem.

 

Entre las características de los presostatos de una sola etapa están:

 

·         Rango máximo 500 psig

·         Disponible en alimentación AC y DC.

·         Ideales para sistemas con un solo compresor.

·         Puede configurarse para trabajar como presóstato de alta o de baja presión.

·         Conexión a PC.

 



 

Con relación con los presostatos multietapas, poseen las siguientes características:

 

·         Pueden controlar de una a cuatro etapas o salidas.

·         Pueden configurarse para trabajar en alta o en baja presión.

·         Pueden configurarse para trabajar como equipo el presostato de baja y el de alta

 


 


Trabajando en conjunto, se pueden controlar 4 ventiladores de condensador ( presostato de descarga ) y 4 compresores al mismo tiempo ( presostato de succión ). Cuando están comunicados ambos presostatos, se permite que el presostato de descarga desactive al presostato de succión en caso de una situación de alarma.

                                                                                                                                                                                                                                                                                                                                                                                  

4.3.4.1. PARAMETROS DEL PCT - 400 RI

  

PARAMETRO

CODIGO

DESCRIPCION

Codigo de acceso

F01

 

Corrimiento de indicación offset en psi

F02

Con su valor sumado o restado al mostrado en el display, compensa medidas de error de la medición de presión

Diferencial de control o histéresis en psi

F03

Esta valor sumado al de setpoint, expresa el rango de presión dentro del cual se activan las etapas de control ( out1, out2, out3 y out4 )

Mínimo setpoint permitido en psi

F04

Límite mínimo en psi, en el que se puede configurar el controlador

Máximo setpoint permitido en psi

F05

Límite máximo en psi, en el que se puede configurar el controlador

Alarma de baja presión en psi

F06

Valor de presión para que se muestre la alarma por baja presión

Alarma de alta presión en psi

F07

Valor de presión para que se muestre la alarma por alta presión

Reactivación automática después de activación de alarma

F08

Esta función define el comportamiento del controlador después de finalizada una alarma remota con los siguientes valores:

0: Solo reactivación manual.

1: El controlador ejecuta solamente una reactivación en forma automática.

2: El controlador ejecuta solamente dos reactivaciónes en forma automática.

3: El controlador ejecuta solamente tres reactivaciones en forma automática.

4: El controlador ejecuta solamente  reactivaciones en forma automática

Retardo a la energización en seg

F09

Tiempo contado a partir de la energización del controlador en el que el mismo no actica ni alarmas ni salidas

Tiempo de inhibición de la alarma en seg

F10

Es el tiempo en que la alarma no se activa después que han sido habilitadas las condiciones para la misma. Este tiempo se calcula después del estipulado en F09

Retardo para comprobar situación de la alarma en seg

F11

Tiempo de inhibición de la alarma para distinguir entre una situación de alarma o una condición transitoria del sistema

Numero de etapas o salidas de operación del controlador

F12

Se establecen el número de etapas o salidas out que serán activadas en el controlador

Modo de operación de las etapas

F13

0: Modo lineal. En este modo las activaciones de las salidas out, se calculan con base en el histéresis dado entre el número de salidas. Por ejemplo si el histéresis es 10 psi, y tengo activadas 4 salidas, cada una de ellas se activara cuando la presión se incrementen 2,5 psi. Por ejemplo si la presión de setpoint es 10, las activaciones serán

10 psi:

12.5 psi : OUT 1

15 psi: OUT 1 y OUT 2

17.5 psi: OUT 1, OUT 2 y OUT 3

20 psi: OUT1, OUT 2, OUT 3 y OUT 4

 

Si la presión comienza a reducir, entonces las salidas se desactivan despa la OUT 4 a la OUT 1 de esta forma:

20 psi: OUT1, OUT 2, OUT 3 y OUT 4

17.5 psi: OUT 1, OUT 2 y OUT 3

15 psi: OUT 1 y OUT 2

12.5 psi : OUT 1

10 psi:

 

1: Modo secuencial. La única diferencia con el modo lineal esta cuando se reduce la presión y las salidas se comienzan a desactivar, su secuencia en la  desactivación es:

 

 20 psi: OUT1, OUT 2, OUT 3 y OUT 4

17.5 psi: OUT 2 ,OUT 3 , OUT 4

15 psi: OUT 3 y OUT 4

12.5 psi : OUT 4

10 psi:

 

 

2: Modo capacidad. Para este modo , se tienen en cuenta los valores dados en los parámetros del F14 al F17. La suma de los porcentajes de estos valores no deben exceder ni estar por debajo del 100%. Por ejemplo  si las capacidades fuesen del 10%, 20%, 30% y 40 % para las salidas de la OUT1 a la OUT 4, entonces el micro va activado salida desde  el 0% escalonadamente hasta llegar al 100%. La secuencia de activación seria:

 

 

10 psi:

11 psi = 10 % OUT 1

12 psi = 20 % OUT 2

13 psi = 30 % OUT 3

14 psi = 40 % OUT 4

15 psi = 50 % OUT 1 Y OUT 4

16 psi = 60 % OUT 2 Y OUT 4

17 psi = 70 % OUT 3 Y OUT 4

18 psi = 80 % OUT 1 , OUT 3 Y OUT4

19 psi = 90% OUT 2, OUT 3 Y OUT 4

20 psi = 100% OUT1, OUT2, OUT 3 Y OUT 4

 

Capacidad de compresor/etapa 1 en %

F14

Define la capacidad del compresor en la etapa 1 o OUT 1

 

Capacidad de compresor/etapa 2 en %

F15

Define la capacidad del compresor en la etapa 2 o OUT 2

Capacidad de compresor/etapa 3 en %

F16

Define la capacidad del compresor en la etapa 3 o OUT 3

Capacidad de compresor/etapa 4 en %

F17

Define la capacidad del compresor en la etapa 4 o OUT 4

Tiempo mínimo entre activación de dos etapas distintas en seg

F18

Este tiempo garantiza que no habrán activaciones simultaneas de las salidas

Tiempo mínimo entre desactivación entre dos etapas distintas en seg

F19

Este tiempo garantiza que no habrán desactivaciones simultaneas de las salidas

Tiempo mínimo de cada etapa activada

F20

Garantiza un tiempo mínimo para que la carga quede activada

Tiempo mínimo de etapa desactivada

F21

Garantiza un tiempo para que la salida o la carga sea activada de manera sucesiva

Tiempo máximo de operación entre mantenimiento de la etapa 1

F22

Tiempo en que la etapa 1 debe permanecer en funcionamiento sin mantenimiento.

 

Tiempo máximo de operación entre mantenimiento de la etapa 2

F23

Tiempo en que la etapa 2 debe permanecer en funcionamiento sin mantenimiento

Tiempo máximo de operación entre mantenimiento de la etapa 3

F24

Tiempo en que la etapa 3 debe permanecer en funcionamiento sin mantenimiento

Tiempo máximo de operación entre mantenimiento de la etapa 4

F25

Tiempo en que la etapa 4 debe permanecer en funcionamiento sin mantenimiento

Dirección del equipo en la red

F26

Dirección del equipo cuando se conectan varios para control por pc

4.3.4.1.2. INDICADORES Y MENSAJES DE ALERTA

 

MENSAJE

DESCRIPCION

ALO

ALARMA POR BAJA PRESION

ALI

ALARMA POR ALTA PRESION

PHI

ALARMA REMOTA ( PRESENTADA EN EL PRESOSTATO DE SUCCION )

CAb

CABLE DE COMUNICACIÓN DE PRESOSTATOS ROTO O DESCONECTADO

A - 1

ALARMA DE MANTENIMIENTO DEL COMPRESOR 1

A - 2

ALARMA DE MANTENIMIENTO DEL COMPRESOR 2

A - 3

ALARMA DE MANTENIMIENTO DEL COMPRESOR 3

A - 4

ALARMA DE MANTENIMIENTO DEL COMPRESOR 4

Er 1

SUMA TOTAL DE CAPACIDADES DE LAS ETAPAS ACTIVAS DIFERENTES DEL 100%

Er 2 o Err

SENSOR DE PRESION DESCONECTADO O FUERA DE RANGO

PPP

PARAMETROS CONFIURACION FUERA DE RANGOS

 

En relación a las posibles conexiones se tienen:

 

·         Para un compresor que posee varios ventiladores de condensador

 


·         Para compresores en paralelo con varios ventiladores de condensador.

 


·         Para conexión de una unidad condensadora con microplc.



 

·         Para conexión de un compresor con varios ventiladores de condensador con microplc.




 

·         Para conexión de compresores en paralelo, que poseen varios ventiladores de condensador y microplc.

 


 


 

Ver videos:

CARACTERISTICAS PRESOSTATO PCT 400 RI FULL GAUGE PARA USO EN REFRIGERACION 



 OPERACIÓN DEL PRESOSOTATO DIGITAL FULL GAUGE PCT 400 RI PARA CONTROL DE PRESION DE SUCCION



 OPERACIÓN DEL PRESOSTATO DIGITAL  PARA CONTROL DE PRESION DE DESCARGA



OPERACIÓN DE PRESOSTATOS DIGITALES FULL GAUGE PCT 400 RI EN CONJUNTO 



 CONEXIONES Y CONFIGURACIONES DE CONTROL PARA PRESOSTATO DIGITALES FULL GAUGE PCT 400 RI



También se tienen presostatos duales digitales con dos salidas, tal como se observa:

 



  

Entre sus parámetros de programación principales se tiene:

 


 


 


 


 


 

Entre sus conexiones para control de presión de refrigerante se tienen:

  


 



 

 


 


 

Ver videos:

CONFIGURACION O PROGRAMACION BASICA DEL PRESOSTATO DIGITAL FULL GAUGE PCT 120 E PLUS PARTE I




MODO OPERACION CONTROLADOR DE PRESION O PRESOSTATRO DIGITAL FULL GAUGE PCT - 120E PLUS PARTE II



 

 

4.3.5. PRESOSTATOS DE CAPSULA O MINIPRESOSTATOS NO REGULABLES.

 

 

Son presostatos para línea de alta y baja presión; vienen con sus CIT IN y CUT OUT programados. Empleados principalmente en acondicionamiento de aire, se conectan fácilmente a una boquilla de carga con válvula de gusanillo. El presóstato de baja se conoce porque es de color negro y el de alta de color verde claro, pero para un mejor análisis, verifique los datos que traen adjunto. 



Con relación a su instalación:





 Con relación al funcionamiento del presostato de alta presión, cuando detecta valores de presión por debajo de presiones de cut out ( en este caso  350 psig ), su contacto se encuentra cerrado:

Al detectar un valor de presión de 350 psig ( presión de cut out ) o mayor, este contacto se abre.



Después de haberse abierto el contacto del presostato, se vuelve a cerrar su contacto cuando la presión comienza a disminuir y llega al valor establecido como presión de cut in ( para el caso  250 psig ).



Para el caso del presostato de succión o de baja presión, el contacto de este presostato se abre cuando experimenta presiones menores que la presión ajustada de cut out ( para el caso 25 psig ):



Su contacto se vuelve a cerrar cuando experimenta una presión igual o mayor a la presión de cut in establecida ( para esta caso 85 psig ).

Obs: En este presostato, el valor de la presión de cut in es mayor que el valor de la presión de cut out.



El presostato se vuelva a abrir con presiones iguales o menores que la de cuto ut ( para el caso 25 Psig ):


En lo relacionado a su conexión en los sistemas de control, se tiene los siguientes montajes:


 

 








Ver videos:

GENERALIDADES DE PRESOSTATOS DE CAPSULA O MINIPRESOSTATOS




   VERIFICACION DE PARAMETROS EN MINIPRESOSTATO O PRESOSTATO DE CAPSULA DE BAJA PRESION VIDEO ANIMADO




 VERIFICACION DE PARAMETROS EN MINIPRESOSTATO O PRESOSTATO DE CAPSULA DE BAJA PRESION VIDEO PRACTICO




 VERIFICACION DE PARAMETROS EN MINIPRESOSTATO O PRESOSTATO DE CAPSULA DE ALTA PRESION VIDEO ANIMADO




 VERIFICACION DE PARAMETROS EN MINIPRESOSTATO O PRESOSTATO DE CAPSULA DE ALTA PRESION VIDEO PRACTICO



4.3.6. MINIPRESOSTATOS DIGITALES ELECTRÓNICOS.

 


 

Son dispositivos electrónicos que trabajan con tensiones DC de 12 a 24 por lo general de tipo NPN o PNP, que pueden ser configurados para trabajar como presostato de alta presión o presostato de baja presión. Muy usados en la industria neumática y refrigeración.

 

Con relación a sus conexiones de alimentación y salida:

 


 


Con respecto a los parámetros de programación, se pueden configurar:

 

·         Unidad, de presión.

·         Modo de operación.

·         Presiones de Cut In

·         Presiones de Cut Out

·         Histéresis o diferencial de presión.

·         Tiempo de respuesta.

·         Resolución de pantalla.

·         Color caracteres de pantalla.

·         Etc.

 

Para este modelo, se tiene los siguientes parámetros generales:

 


 

Para el caso que se desee configurar para operar como presóstato de alta presión, a continuación, vemos el esquema de conexión y los parámetros a configurar:

 


 


 

Para el caso que se desee configurar para operar como presóstato de baja presión, a continuación, vemos el esquema de conexión y los parámetros a configurar:

 


  


Ahora si desea tener un sistema de control por baja y alta presión, se debe usar dos de estos presostatos y un esquema general de conexión:

 


 

Ver video:

 MINIPRESOSTATOS DIGITALES ELECTRONICOS


 

4.4. CALCULO DE LOS VALORES DE CONTROL DE PRESION PARA PRESOSTATOS

  

Para la determinación o estimación de estos valores, lo primero que hay que tener en cuenta es si el equipo posee apagado por pump down; esta condición determina el sistema de cálculo para estos valores.

 

Vamos a comenzar con la estimación d ellos valores de presión de cuto ut, presión de cut in y diferencial, para el presostato de descarga, el cual es el mismo para ambos equipos. Todo parte de establecer el diagrama de límites de operación del compresor, que da el fabricante.

 


Recordemos que este diagrama establece los límites de operación del equipo teniendo en cuenta las temperaturas mínimas y máximas de evaporación y condensación y por ende las presiones mínimas y máximas permisibles de operación, de acuerdo al tipo de refrigerante que opera el compresor.

 

4.4.1. CALCULO DE LOS VALORES DE CONTROL DE PRESION DE CUT OUT, PRESION DE CUT IN Y DIFERENCIAL PARA EL PRESOSTATO DE ALTA O DESCARGA

 

Para este cálculo, primeramente se especifican las presiones de succión y descargas mínimas y máximas de acuerdo al diagrama de límites de operación dado por el fabricante, para este caso un compresor que trabaja con R-134a

 


 

Después de ello, se especifican las presiones de succión y descargas de operación del equipo y ubicar su punto en el marco de limites de operación del equipo que, en este caso, opera con refrigerante R-134a

 


 

Para determinar el valor de la presión de cuto ut, use la siguiente fórmula:

 

Presión Cut OuT Alta Presión  = ( Maxima Presión Descarga + Presión Descarga de Operación )/2

 

Para nuestro caso de ejemplo:

 

Presión Cut OuT Alta Presión  = ( 261 Psig + 156,6 Psig )/2 = 208,8 Psig

Presión Cut OuT Alta Presión  = 200 Psig o 13,8 Bares

 

Para determinar el valor de la presión de cut in, puede ser igual o ligeramente inferior al valor de la presión de operación de descarga del equipo, por tanto:

 

Presión Cut In Alta Presión  =< Presión Descarga Operación

 

Para nuestro caso de ejemplo:

 

Presión Cut In Alta Presión = 156,6 Psig o 150 Psig o 10,3 Bares

 

Con relación al diferencial de presiónes o DIFF, se tiene que:

 

Diferencial o Diff = Presión Cut Out - Presión Cut In

 

Para nuestro caso de ejemplo:

 

Diferencial o Diff = 200 Psig – 150 Psig = 50 Psig o 3,4 Bares

 

Lo que sigue a continuación, es ajustar estos valores en el presostato:

 


 

4.4.2. CALCULO DE LOS VALORES DE CONTROL DE PRESION DE CUT OUT, PRESION DE CUT IN Y DIFERENCIAL PARA EL PRESOSTATO DE BAJA O SUCCION EN EQUIPO QUE NO TENGAN PAGADO POR PUMP DOWN.

 

 

En estos equipos, el compresor se desconecta por falta o falla de refrigerante, y teniendo en cuenta esta condición, entonces, el valor de la presión de cuto ut viene dada por la siguiente expresión:

 

Presión Cut OuT Baja Presión  = ( Mínima Presión Succión + Presión Succión de Operación )/2

 

Para nuestro caso de ejemplo:

 

Presión Cut OuT Baja Presión  = ( 0,5 Psig + 17,4 Psig )/2 = 8,95 Psig

Presión Cut OuT Baja Presión  = 9 Psig o 0,6 Bares

 

Podemos verificar los datos en la siguiente figura:

 


 

Con relación al valor de la presión de cut in o la presión a la cual vuelve a operar el compresor, puede ser igual o ligeramente superior al valor de la presión de operación de succión del equipo:

 

Presión Cut In Baja Presión  >= Presión Succión Operación

 

Para nuestro caso de ejemplo:

 

Presión Cut In Baja Presión = 20 Psig o 1,3 Bares

 

En relación al diferencial de presión o DIFF, se tiene:

 

Diferencial o Diff = Presión Cut In - Presión Cut Out

 

Para nuestro caso de ejemplo:

 

Diferencial o Diff = 20 Psig – 9 Psig = 11 Psig o 0,75 Bares

 

Lo que sigue a continuación, es ajustar estos valores en el presostato:

 


4.4.3. CALCULO DE LOS VALORES DE CONTROL DE PRESION DE CUT OUT, PRESION DE CUT IN Y DIFERENCIAL PARA EL PRESOSTATO DE BAJA O SUCCION EN EQUIPO QUE NO TENGAN PAGADO POR PUMP DOWN.

 

En equipos que poseen apagado por Pump Down o por bajas presiones, entonces la presión de Cut Out por baja presión se ajusta por recomendación del fabricante, pero si no se especifica, este valor oscila entre los 0 y 5 Psig, siempre y cuando este valor este dentro de los límites de operación de presión de succión del equipo. Si no es así, se selecciona el valor mínimo de presión de operación de succión del equipo según los limites de operación dados por el fabricante; veamos los dos siguientes casos:

 

En este primer caso, se verifica que el valor de presión de cut out seleccionado ( para el caso 3 Psig ) esté dentro de los límites de operación de presión de succión del equipo

 


Como los 3 psig seleccionados estan dentro del rango de operación de succión del compresor, podemos seleccionar este valor como el valor de la presión de cut out.

 

En relación con el valor de la presión de cut in, puede ser igual o ligeramente superior al valor de la presión de operación de succión del equipo:

 


 

Presión Cut In Baja Presión  >= Presión Succión Operación

 

Para nuestro caso de ejemplo:

 

Presión Cut In Baja Presión = 20 Psig o 1,3 Bares

 

 

Con relación al diferencial de presiones o DIFF:

 

Diferencial o Diff = Presión Cut In - Presión Cut Out

 

Para nuestro caso de ejemplo:

 

Diferencial o Diff = 20 Psig – 3 Psig = 17 Psig o 1,1 Bares

 

 

Lo que sigue a continuación, es ajustar estos valores en el presostato:

 


Cuando se presente el caso en el que la presión mínima de succión de operación del compresor, tenga valores mayores de 5 psig, se selecciona el valor de la presión de cuto ut con un valor igual o ligeramente superior al de la presión mínima de operación según el diagrama de límites de operación:



Para este caso en especial:

 

PRESION CUT OUT = 20 Psig o 1,3 Bares

 

En relación con la selección del valor de la presión de cut in se maneja con el mismo criterio, por tanto:



Por tanto:

 

PRESION CUT IN = 50 Psig o 3,5 Bares

 

En relación al diferencial de presión o DIFF:

 

Diferencial o Diff = Presión Cut In - Presión Cut Out

 

Para nuestro caso de ejemplo:

 

Diferencial o Diff = 50 Psig – 20 Psig = 30 Psig o 2 Bares

 

Lo que sigue a continuación, es ajustar estos valores en el presostato:

 

 

No olvide comprobar que los valores en el presóstato estén bien ajustados, haciendo pruebas de presión en el mismo, antes de hacer su montaje en el sistema y comprobar las presiones de operación del equipo

 


 

Ver video:

 CALCULO DE VALORES DE CUT IN, CUT OUT Y DIFERENCIAL EN UN PRESOSTATO DE CONTROL PRESION REFRIGERANTE


 

4.4. AJUSTE DE LOS VALORES DE CONTROL DE PRESION PARA PRESOSTATOS ANALOGOS

 

4.4.1. AJUSTE DE LOS VALORES DE CONTROL DE PRESION PARA PRESOSTATO DE BAJA PRESION O SUCCIÓN

 

Para el procedimiento, recordemos la distribución de los pines de conexión, para el caso:

 


Tenga a la mano los siguientes equipos:

 


 

Tome un destornillador, quite las platinas de seguridad y ajuste los tornillos de regulación con los valores calculados deseados ( a modo de ejemplo ):

 


 

Ahora siga los siguientes pasos:

 

·         Conecte la manguera azul del juego de manómetro al puerto del presóstato y  la manguera de servicio, del juego de manómetros al puerto del regulador.

OBS:  Asegúrese que el regulador, juego de manómetros y tanque tengan sus válvulas cerradas

 


 

·         Abra la válvula del tanque de nitrógeno una o dos vueltas y verifique en el primer manómetro del regulador, la presión del mismo.

 


 

·         Enrosque el asa del regulador hasta que la aguja del segundo manómetro del regulador marque una presión ligeramente superior a la presión de cut in del presostato, para el caso 90 Psig

 


 

·         Conecte las puntas del multímetro a los puertos del presostato 1 - 4, este no deberá mostrar continuidad ya que dicho contacto del presostato está abierto mientras que el 1 - 2 debe estar cerrado que es el de alarma por baja presión

 


 

·         Abra lentamente la válvula de baja del juego de manómetros, este pendiente al valor de presión cuando el multímetro empiece a zumbar, debe estar en los 80 psig. Al llegar a esta presión , el contacto del presostato 1 – 4 se cierra, de forma que el compresor se pueda encender

 

 

·         En caso que el valor al cual el contacto 1 – 4 se cierre, sea diferente a lo esperado ( en este caso 80 Psig ), se cierra la válvula del tanque de Nitrógeno y posteriormente se abre la válvula de alta del juego de manómetros hasta despresurizar por completo; cierran ambas válvulas del juego de manómetros y vuelva a ajustar el valor de presión de cut in en el presostato

 


 


·         Con un destornillador ajustar el valor de presión de cut in en el presostato, para volver a presurizar y comprobar nuevamente su valor.

 


 

·         Abra nuevamente la válvula del tanque de nitrógeno y después abra lentamente la válvula de baja del juego de manómetros, hasta verificar el valor de la presión de cut in ( en este caso 80 psig ).Recuerde que al  llegar a esta presión , el contacto del presostato 1 – 4 se cierra, de forma que el compresor se pueda encender

 



 

·         Si el valor de la presión de cut in es el adecuado, cierre la válvula del tanque de Nitrogeno


 

·         Ahora abra lentamente la válvula de alta del juego de manómetros para despresurizar y verifique la presión, en el manómetro de baja, a la cual, el multímetro deja de zumbar o marcar continuidad, debe estar alrededor de los 25 psi. Al llegar a esta presión, el contacto del presostato 1 – 4 se abre nuevamente, de forma que el compresor se pueda apagar y se cierra el contacto 1 - 2


 

·         En caso que el valor al cual el contacto 1 – 4 se abra sea diferente del deseado ( en este caso 25 Psig ), se cierra la válvula de alta del juego de manómetros y volver a ajustar el valor del diferencial ( DIFF ) de presión en el presostato


 

·         Con un destornillador ajustar el valor de del diferencial DIFF en el presostato, para volver a presurizar y comprobar nuevamente el valor de la presión de cut in.


 
 

·         En el caso que el valor de la presión de cut out es el correcto, abra la válvula de alta del juego de manómetros, hasta despresurizar totalmente el sistema . Quite el multímetro y desenrosque el asa del regulador de nitrógeno. Proceda a desconectar equipos


 

Ver videos:

 AJUSTE DE PARAMETROS PRESION CUT IN Y DIFERENCIAL EN PRESOSTATO DE SUCCION KP1 DANFOSS


 

 

4.4.2. AJUSTE DE LOS VALORES DE CONTROL DE PRESION PARA PRESOSTATO DE ALTA PRESION O DESCARGA

 

Para el procedimiento, recordemos la distribución de los pines de conexión, para el caso:

 


Tenga a la mano los siguientes equipos:

 


 

Tome un destornillador, quite las platinas de seguridad y ajuste los tornillos de regulación con los valores calculados deseados ( a modo de ejemplo ):

 


Lo primero que se hace es comprobar el valor de la presión de cut  out en el presostato conectando la manguera roja del puerto de alta del juego de manómetros al puerto del presostato y la manguera de servicio, del juego de manómetros al puerto del regulador.

 

OBS:  ASEGURESE QUE EL REGULADOR, JUEGO DE MANOMETROS Y TANQUE TENGAN SUS VALVULAS CERRADAS.

 


 

Abra la válvula del tanque de nitrógeno una o dos vueltas y verifique en el primer manómetro del regulador, la presión del mismo.

 


 

Enrosque el asa del regulador hasta que la aguja del segundo manómetro del regulador marque una presión ligeramente superior a la de presión de cut out del presostato, para el caso de 310 psig.

 


 

Conecte las puntas del multímetro a los puertos 1 - 2  del presostato, este deberá mostrar continuidad porque debe estar cerrado, mientras que el contacto 1 – 4 no debe mostrar continuidad porque debe estar abierto.

 


 


  

Dejando las puntas del multímetro en los pines 1 y 4, abra lentamente la válvula de alta del juego de manómetros, esté pendiente al valor de presión cuando el multímetro comience a zumbar, debe estar en los 300 Psig

 

Al llegar a esta presión , el contacto del presostato 1 – 2 se abre, de forma que el compresor se pueda apagar y se cierra el 1 - 4 para enviar señal de alarma por alta presión.

 


 


 

En caso que, el valor de presión de cut out no concuerde con el valor requerido, proceda a cerrar la válvula del tanque de nitrógeno. Después de ello, abra la válvula de baja del juego de manómetros para despresurizar por completo. Después de despresurizado, vuelva a cerrar la válvula de baja del juego de manómetros.

 



 


 
 

Con un destornillador ajustar el valor de presión de cut out o range en el presostato, para volver a presurizar y comprobar nuevamente el valor de la presión de cut out.

 


 

A continuación se realiza la comprobación del valor de la presión de cut in en el presóstato, procediendo a abrir la válvula del tanque de nitrógeno y abra nuevamente la válvula de alta del juego de manómetros, para comprobar el valor de la presión de cut out, debe estar en el valor deseado ( para el caso 300 psig ). Recuerde que, al llegar a esta presión , el contacto del presostato 1 – 2 se abre, de forma que el compresor se pueda apagar y se cierra el 1 - 4 para enviar señal de alarma por alta presión.

 


 

 

 

 

Después de haber comprobado el valor de la presión de cut out, ahora cierre la válvula del tanque de nitrógeno.

 


Ahora abra lentamente la válvula de baja del juego de manómetros para despresurizar y verifique la presión, en el manómetro de alta, a la cual, el multímetro deje de zumbar o marcar continuidad, debe estar alrededor de los 250 ps ( Presión de Cut In )

 

Al llegar a esta presión, el contacto del presostato 1 – 2 se cierra nuevamente, de forma que el compresor se pueda encender

 


 

En caso que, el valor de presión de Cut In no concuerde con el valor requerido, proceda a cerrar la válvula de baja del juego de manómetros

 


 

Ajuste con un destornillador el valor del diferencial de presión ( DIFF ) en el presostato ( si lo tiene ), para volver a presurizar por encima de la presión de cut out y proceda a comprobar nuevamente el valor de la presión de cut in del presostato

 


 

Si el valor de la presión de cut in es el deseado, quite el multímetro y desenrosque el asa del regulador de nitrógeno. Proceda a desconectar equipos

 


Ver video:

 AJUSTE DE PARAMETROS DE PRESION DE CUT OUT Y DIFERENCIAL EN PREOSOSTATO DE DESCARGA KP5 DANFOSS


 

4.4.3. AJUSTE DE LOS VALORES DE CONTROL DE PRESION PARA PRESOSTATO DUAL

 

Para el procedimiento, recordemos la distribución de los pines de conexión, para el caso:

 


Tenga a la mano los siguientes equipos:

 


 

Tome un destornillador, quite las platinas de seguridad y ajuste los tornillos de regulación con los valores calculados deseados ( a modo de ejemplo ):

 


 


 

Lo primero que se hace es comprobar el valor de la presión de Cut In del lado de baja presión.

 

OBS:  ASEGURESE QUE EL REGULADOR, JUEGO DE MANOMETROS Y TANQUE TENGAN SUS VALVULAS CERRADAS.

 

 

Conecte una válvula Tee con una válvula de paso recto en su extremo, tal como se observa:

 


 

Conecte la manguera azul del juego de manómetro al puerto del presóstato y la manguera de servicio, de la Tee del juego de manómetros al puerto del regulador.

 


 Verificando que la válvula de bola de la Tee esté cerrada, abra la válvula del tanque de nitrógeno una o dos vueltas y verifique en el primer manómetro del regulador, la presión del mismo.

 


Enrosque el asa del regulador hasta que la aguja del segundo manómetro del regulador marque una presión ligeramente superior a la presión de cut in del presostato, para el caso 90 psig

 


 

Conecte las puntas del multímetro a los puertos del presostato A - C, este no deberá mostrar continuidad ya que dicho contacto del presostato está abierto mientras que el A - B debe estar cerrado que es el de alarma por baja presión.

 

  

Abra lentamente la válvula de baja del juego de manómetros, este pendiente al valor de presión cuando el multímetro empiece a zumbar, debe estar en los 80 psig ( Presión de Cut In )

 

Al llegar a esta presión, el contacto del presostato A – C se cierra, de forma que el compresor se pueda encender y se abre el contacto A – B ( Alarma por baja presión ).

 


 


 

En caso que, el valor de la presión de cut in sea diferente al esperado, cierre la válvula del tanque de nitrógeno, abra la válvula de alta del juego de manómetros para despresurizar por completo.

 

Después de ello, vuelva a cerrar ambas válvulas del juego de manómetros; el contacto del presostato volverá a cambiar y el multímetro a zumbar.

 


 


 


 

Con un destornillador, corregir el valor de presión de Cut in en el lado de baja presión del presostato. Después vuelva a presurizar por encima de la presión de Cut in y volver a ejecutar la comprobación del valor de la presión de Cut In

 


 

Abra nuevamente la válvula del tanque de nitrógeno una o dos vueltas y verifique las presiones en ambos manómetros del regulador de nitrógeno.

 


 

Para verificar el valor de la presión de Cut In, abra lentamente la válvula de baja del juego de manómetros, este pendiente al valor de presión cuando el multímetro empiece a zumbar, debe estar en los 80 psig ( Presión de Cut In )

 

Al llegar a esta presión, el contacto del presostato A – C se cierra, de forma que el compresor se pueda encender y se abre el contacto A – B ( Alarma por baja presión ).

 


 


 

Ahora cierre la válvula del tanque de nitrógeno

 


 

Ahora abra lentamente la válvula de alta del juego de manómetros para despresurizar y verifique la presión, en el manómetro de baja, a la cual, el multímetro deja de zumbar o marcar continuidad, debe estar alrededor de los 25 psi ( Presión de Cut Out )

 

Al llegar a esta presión, el contacto del presostato A – C se abre nuevamente, de forma que el compresor se pueda apagar y se cierra el contacto A - B


 

 

 

En caso que el valor de la presión de cut out sea diferente al esperado, cierre ambas válvulas del juego de manómetros.


 
 

Con un destornillador, corregir el valor del diferencial de presión ( DIFF ) en el lado de baja del presostato.  Después vuelva a presurizar por encima de la presión de cut in y volver a ejecutar la comprobación del valor de presión de Cut Out


 
 

Ahora conecte la maguera roja del puerto de alta del juego de manómetros al puerto de alta del presostato.

 

OBS:  ASEGURESE QUE EL REGULADOR, JUEGO DE MANOMETROS Y TANQUE TENGAN SUS VALVULAS CERRADAS

 


 

Abra nuevamente la válvula del tanque de nitrógeno una o dos vueltas y verifique en el primer manómetro del regulador, la presión del mismo.

 


 

Enrosque el asa del regulador hasta que la aguja del segundo manómetro del regulador marque una presión ligeramente superior a la de presión de cut out del presostato del lado de alta presión, para el caso 300 Psig

 


 

Abra lentamente la válvula de baja del juego de manómetros, y lleva la presión a 10 psig por encima de la presión de cut in ( para el caso 80 Psig ) del lado de baja presión, para el caso 90 psig.

 

Al llegar a esta presión , el contacto del presostato A – C se cierra y el contacto A – B se abre, después de ello, proceda a cerrar la válvula de baja del juego de manómetros

 


 


 

Abra lentamente la válvula de alta del juego de manómetros, esté pendiente al valor de presión cuando el multímetro deje de zumbar, debe estar en los 288 Psig ( Valor presión Cut Out , para el caso )

 

Al llegar a esta presión el contacto del presostato A – C se abre nuevamente, por efecto de la activación por alta presión, de forma que el compresor se pueda apagar y se el contacto A – B permanece abierto

 


 


  

En caso que el valor de presión de cut out por alta presión sea diferente al deseado, cierre la válvula del tanque de nitrógeno, abra la válvula de paso acoplada a la Tee para despresurizar. Después de ello vuelva a cerrar ambas válvulas del juego de manómetros y la de la válvula de bola.

 



 

 


 

Tomar un destornillador y ajustar el valor de presión de cut out por alta presión en el presostato, para volver a presurizar y realizar la comprobación nuevamente el valor de la presión de Cut Out.

 


 

Abra nuevamente la válvula del tanque de nitrógeno una o dos vueltas y verifique las presiones en ambos manómetros del regulador de nitrógeno

 


 

Abra lentamente la válvula de alta del juego de manómetros, esté pendiente al valor de presión cuando el multímetro deje de zumbar, debe estar en los 288 Psig ( Valor presión Cut Out , para el caso )

 

Al llegar a esta presión el contacto del presostato A – C se abre nuevamente, por efecto de la activación por alta presión, de forma que el compresor se pueda apagar y se el contacto A – B permanece abierto

 


 


 

Ahora cierre la válvula del tanque de nitrógeno

 


 

Ahora abra la válvula de paso de la Tee  para despresurizar y verifique la presión, en el manómetro de alta, a la cual, el multímetro vuelve a zumbar o marcar continuidad, debe estar alrededor de los 230 psi ( Presión Cut In ).

 

Al llegar a esta presión, el contacto del presostato A – C se cierra nuevamente, de forma que el compresor se pueda encender

 


 


 

Sabiendo que los valores están correctos, abra la válvula de baja del juego de manómetros para despresurizar por completo; proceda a desconectar el multímetro, desenroscar el asa del regulador y quitar los accesorios

 


 

Ver video:

 

 

 

 


No hay comentarios:

Publicar un comentario

Nota: solo los miembros de este blog pueden publicar comentarios.